0
LM51501-Q1
  • LM51501-Q1
  • LM51501-Q1
  • LM51501-Q1

LM51501-Q1

ACTIVE

Automotive 1.5-V to 42-V VIN, low IQ boost controller with 6V, 6.5V, 9.5V, 11.5V output options

Texas Instruments LM51501-Q1 Product Info

1 April 2026 0

Parameters

Rating

Automotive

Topology

Boost

Vin (max) (V)

42

Vin (min) (V)

1.5

Vout (max) (V)

11.5

Vout (min) (V)

6

Control mode

current mode

Features

Adjustable current limit, Enable, Frequency synchronization, Light-load efficiency, Nonsynchronous rectification, Spread Spectrum

EMI features

Frequency Dithering, Spread Spectrum

Duty cycle (max) (%)

87

Iq (typ) (A)

0.000015

TI functional safety category

Functional Safety-Capable

Operating temperature range (°C)

-40 to 150

Package

WQFN (RUM)-16-16 mm² 4 x 4

Features

  • AEC-Q100 qualified:
    • Device temperature grade 1: –40°C to +125°C ambient operating temperature range
    • Device HBM ESD classification level 2
    • Device CDM ESD classification level C4B
  • Functional Safety-Capable
  • Wide VIN input range from 1.5 V to 42 V when VOUT ≥ 5 V (65-V absolute maximum)
  • Low shutdown current (IQ ≤ 5 µA)
  • Low standby current (IQ ≤ 15 µA)
  • Four programmable output voltage options and two selectable configurations
    • 6.0 V, 6.5 V, 9.5 V, or 11.5 V
    • Start-stop or e-call configurations
  • Adjustable switching frequency from 220 kHz to 2.3 MHz
  • Automatic wake-up and standby mode transition
  • Optional clock synchronization
  • Boost status indicator
  • 1.5-A peak MOSFET gate driver
  • Adjustable cycle-by-cycle current limit
  • Thermal shutdown
  • 16-pin WQFN with wettable and non-wettable flank options
  • Create a custom design using the LM51501-Q1 with the WEBENCH Power Designer
  • AEC-Q100 qualified:
    • Device temperature grade 1: –40°C to +125°C ambient operating temperature range
    • Device HBM ESD classification level 2
    • Device CDM ESD classification level C4B
  • Functional Safety-Capable
  • Wide VIN input range from 1.5 V to 42 V when VOUT ≥ 5 V (65-V absolute maximum)
  • Low shutdown current (IQ ≤ 5 µA)
  • Low standby current (IQ ≤ 15 µA)
  • Four programmable output voltage options and two selectable configurations
    • 6.0 V, 6.5 V, 9.5 V, or 11.5 V
    • Start-stop or e-call configurations
  • Adjustable switching frequency from 220 kHz to 2.3 MHz
  • Automatic wake-up and standby mode transition
  • Optional clock synchronization
  • Boost status indicator
  • 1.5-A peak MOSFET gate driver
  • Adjustable cycle-by-cycle current limit
  • Thermal shutdown
  • 16-pin WQFN with wettable and non-wettable flank options
  • Create a custom design using the LM51501-Q1 with the WEBENCH Power Designer

Description

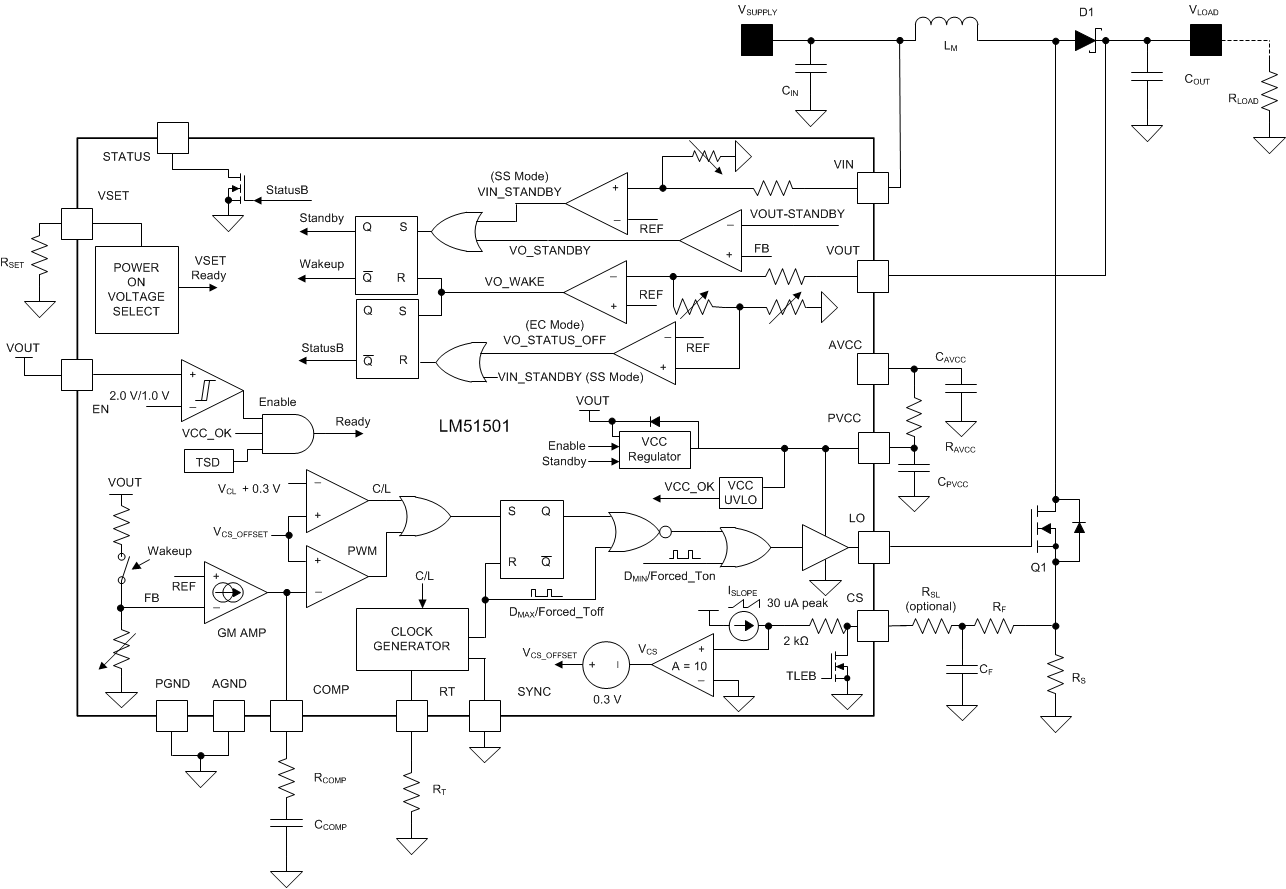
The LM51501-Q1 is a wide input range automatic boost controller. The device can be used to maintain a stable output voltage during automotive cranking from a vehicle battery or from a backup battery.

The LM51501-Q1 switching frequency is programmed by a resistor from 220 kHz to 2.3 MHz. Fast switching (≥ 2.2 MHz) minimizes AM band interference and allows for a small solution size and fast transient response.

The LM51501-Q1 operates in low IQ standby mode when the input or output voltage is above the preset standby thresholds and automatically wakes up when the output voltage drops below the preset wake-up threshold.

The device transitions in and out of low IQ standby mode to extend battery life at light load. A single resistor programs the target output regulation voltage as well as the configuration. Additional features include low shutdown current, boost status indicator, adjustable cycle-by-cycle current limit, and thermal shutdown. A status indicator can be used to control a circuit to bypass the diode when the part is not boosting in order to reduce power dissipation. In E-call mode, the device can be used to control a disconnect switch to protect the backup-battery.

The LM51501-Q1 is a wide input range automatic boost controller. The device can be used to maintain a stable output voltage during automotive cranking from a vehicle battery or from a backup battery.

The LM51501-Q1 switching frequency is programmed by a resistor from 220 kHz to 2.3 MHz. Fast switching (≥ 2.2 MHz) minimizes AM band interference and allows for a small solution size and fast transient response.

The LM51501-Q1 operates in low IQ standby mode when the input or output voltage is above the preset standby thresholds and automatically wakes up when the output voltage drops below the preset wake-up threshold.

The device transitions in and out of low IQ standby mode to extend battery life at light load. A single resistor programs the target output regulation voltage as well as the configuration. Additional features include low shutdown current, boost status indicator, adjustable cycle-by-cycle current limit, and thermal shutdown. A status indicator can be used to control a circuit to bypass the diode when the part is not boosting in order to reduce power dissipation. In E-call mode, the device can be used to control a disconnect switch to protect the backup-battery.

Subscribe to Welllinkchips !
Your Name
* Email
Submit a request