0
LM5035
  • LM5035
  • LM5035
  • LM5035
  • LM5035

LM5035

ACTIVE

PWM controller with Integrated half-bridge and SyncFET Drivers

Texas Instruments LM5035 Product Info

1 April 2026 0

Parameters

Topology

Half bridge

Control mode

Feedforward

Features

Current limiting, High-voltage startup, Multi-topology, Pre-bias startup, Synchronization pin

Duty cycle (max) (%)

50

Package

HTSSOP (PWP)-20-41.6 mm² 6.5 x 6.4

Features

  • 105-V, 2-A Half-Bridge Gate Drivers
  • Synchronous Rectifier-Control Outputs With
    Programmable Delays
  • High-Voltage (105-V) Start-up Regulator
  • Voltage Mode Control With Line Feedforward and
    Volt-Second Limiting
  • Resistor Programmed, 2-MHz Capable Oscillator
  • Patent Pending Oscillator Synchronization
  • Programmable Line Undervoltage Lockout
  • Line Overvoltage Protection
  • Internal Thermal Shutdown Protection
  • Adjustable Soft-Start
  • Versatile Dual Mode Overcurrent Protection With
    Hiccup Delay Timer
  • Cycle-by-Cycle Overcurrent Protection
  • Direct Optocoupler Interface
  • 5-V Reference Output
  • 105-V, 2-A Half-Bridge Gate Drivers
  • Synchronous Rectifier-Control Outputs With
    Programmable Delays
  • High-Voltage (105-V) Start-up Regulator
  • Voltage Mode Control With Line Feedforward and
    Volt-Second Limiting
  • Resistor Programmed, 2-MHz Capable Oscillator
  • Patent Pending Oscillator Synchronization
  • Programmable Line Undervoltage Lockout
  • Line Overvoltage Protection
  • Internal Thermal Shutdown Protection
  • Adjustable Soft-Start
  • Versatile Dual Mode Overcurrent Protection With
    Hiccup Delay Timer
  • Cycle-by-Cycle Overcurrent Protection
  • Direct Optocoupler Interface
  • 5-V Reference Output

Description

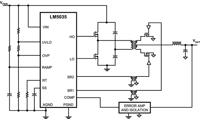
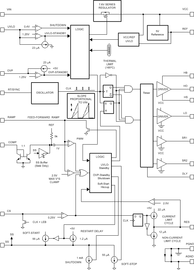
The LM5035 half-bridge controller-gate driver contains all of the features necessary to implement half-bridge topology power converters using voltage mode control with line voltage feedforward. The floating high-side gate driver is capable of operating with supply voltages up to 105 V. Both the high-side and low-side gate drivers are capable of 2-A peak. An internal high voltage start-up regulator is included, along with programmable line undervoltage lockout (UVLO) and overvoltage protection (OVP). The oscillator is programmed with a single resistor to frequencies up to 2 MHz. The oscillator can also be synchronized to an external clock. A current sense input and a programmable timer provide cycle-by-cycle current limit and adjustable hiccup mode overload protection.

The LM5035 half-bridge controller-gate driver contains all of the features necessary to implement half-bridge topology power converters using voltage mode control with line voltage feedforward. The floating high-side gate driver is capable of operating with supply voltages up to 105 V. Both the high-side and low-side gate drivers are capable of 2-A peak. An internal high voltage start-up regulator is included, along with programmable line undervoltage lockout (UVLO) and overvoltage protection (OVP). The oscillator is programmed with a single resistor to frequencies up to 2 MHz. The oscillator can also be synchronized to an external clock. A current sense input and a programmable timer provide cycle-by-cycle current limit and adjustable hiccup mode overload protection.

Subscribe to Welllinkchips !
Your Name
* Email
Submit a request