0
LM397
  • LM397
  • LM397
  • LM397
  • LM397

LM397

ACTIVE

Single General Purpose Voltage Comparator

Texas Instruments LM397 Product Info

1 April 2026 0

Parameters

Number of channels

1

Output type

Open-collector, Open-drain

Propagation delay time (µs)

0.44

Vs (max) (V)

30

Vs (min) (V)

5

Rating

Catalog

Features

Standard comparator

Iq per channel (typ) (mA)

0.25

Vos (offset voltage at 25°C) (max) (mV)

7

Rail-to-rail

In to V-

Operating temperature range (°C)

-40 to 85

Input bias current (±) (max) (nA)

250

VICR (max) (V)

28.5

VICR (min) (V)

0

Package

SOT-23 (DBV)-5-8.12 mm² 2.9 x 2.8

Features

  • TA = 25°C. Typical Values Unless Otherwise
    Specified.
  • 5-Pin SOT-23 Package
  • Industrial Operating Range −40°C to +85°C
  • Single or Dual Power Supplies
  • Wide Supply Voltage Range 5 V to 30 V
  • Low Supply Current 300 µA
  • Low Input Bias Current 7 nA
  • Low Input Offset Current ±1 nA
  • Low Input Offset Voltage ±2 mV
  • Response Time 440 ns (50-mV Overdrive)
  • Input Common-Mode Voltage 0 to VS – 1.5 V
  • TA = 25°C. Typical Values Unless Otherwise
    Specified.
  • 5-Pin SOT-23 Package
  • Industrial Operating Range −40°C to +85°C
  • Single or Dual Power Supplies
  • Wide Supply Voltage Range 5 V to 30 V
  • Low Supply Current 300 µA
  • Low Input Bias Current 7 nA
  • Low Input Offset Current ±1 nA
  • Low Input Offset Voltage ±2 mV
  • Response Time 440 ns (50-mV Overdrive)
  • Input Common-Mode Voltage 0 to VS – 1.5 V

Description

The LM397 device is a single voltage comparator with an input common mode that includes ground. The LM397 is designed to operate from a single 5-V to 30-V power supply or a split power supply. Its low supply current is virtually independent of the magnitude of the supply voltage.

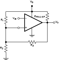
The LM397 features an open-collector output stage. This allows the connection of an external resistor at the output. The output can directly interface with TTL, CMOS and other logic levels, by tying the resistor to different voltage levels (level translator).

The LM397 is available in the space-saving 5-Pin SOT-23 package and is pin-compatible to TI’s TL331, a single differential comparator.

The LM397 device is a single voltage comparator with an input common mode that includes ground. The LM397 is designed to operate from a single 5-V to 30-V power supply or a split power supply. Its low supply current is virtually independent of the magnitude of the supply voltage.

The LM397 features an open-collector output stage. This allows the connection of an external resistor at the output. The output can directly interface with TTL, CMOS and other logic levels, by tying the resistor to different voltage levels (level translator).

The LM397 is available in the space-saving 5-Pin SOT-23 package and is pin-compatible to TI’s TL331, a single differential comparator.

Subscribe to Welllinkchips !
Your Name
* Email
Submit a request