0
LM3670
  • LM3670
  • LM3670
  • LM3670

LM3670

ACTIVE

Miniature Step-Down DC-DC Converter for Ultra Low Voltage Circuits

Texas Instruments LM3670 Product Info

1 April 2026 1

Parameters

Rating

Catalog

Topology

Buck

Iout (max) (A)

0.35

Vin (max) (V)

5.5

Vin (min) (V)

2.5

Vout (max) (V)

3.3

Vout (min) (V)

0.7

Features

Enable, Light Load Efficiency, Light load efficiency, Synchronous Rectification

Control mode

Voltage mode

Operating temperature range (°C)

-40 to 85

Iq (typ) (A)

0.000015

Duty cycle (max) (%)

100

Package

SOT-23 (DBV)-5-8.12 mm² 2.9 x 2.8

Features

  • Input Voltage Range: 2.5 V to 5.5 V
  • Adjustable Output Voltages (VOUT): 0.7 V to 2.5 V
  • Fixed Output Voltages: 1.2 V, 1.5 V, 1.6 V, 1.8 V, 1.875 V, 3.3V
  • 15-µA Typical Quiescent Current
  • 350-mA Maximum Load Capability
  • 1-MHz PWM Fixed Switching Frequency (Typical)
  • Automatic PFM and PWM Mode Switching
  • Low Dropout Operation – 100% Duty Cycle Mode
  • Internal Synchronous Rectification for High Efficiency
  • Internal Soft Start
  • 0.1-µA Typical Shutdown Current
  • Current Overload Protection
  • Operates from a Single Li-Ion Cell or Three-Cell NiMH/NiCd Batteries
  • Only Three Tiny Surface-Mount External Components Required (One Inductor, Two Ceramic Capacitors)
  • Input Voltage Range: 2.5 V to 5.5 V
  • Adjustable Output Voltages (VOUT): 0.7 V to 2.5 V
  • Fixed Output Voltages: 1.2 V, 1.5 V, 1.6 V, 1.8 V, 1.875 V, 3.3V
  • 15-µA Typical Quiescent Current
  • 350-mA Maximum Load Capability
  • 1-MHz PWM Fixed Switching Frequency (Typical)
  • Automatic PFM and PWM Mode Switching
  • Low Dropout Operation – 100% Duty Cycle Mode
  • Internal Synchronous Rectification for High Efficiency
  • Internal Soft Start
  • 0.1-µA Typical Shutdown Current
  • Current Overload Protection
  • Operates from a Single Li-Ion Cell or Three-Cell NiMH/NiCd Batteries
  • Only Three Tiny Surface-Mount External Components Required (One Inductor, Two Ceramic Capacitors)

Description

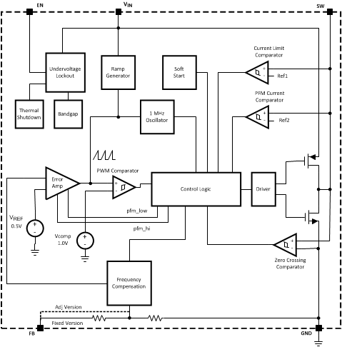
The LM3670 step-down DC-DC converter is optimized for powering ultralow voltage circuits from a single Li-Ion cell or three-cell NiMH/NiCd batteries. It provides up to 350-mA load current, over an input voltage range from 2.5 V to 5.5 V. There are several different fixed voltage output options available as well as an adjustable output voltage version.

The device offers superior features and performance for mobile phones and similar portable applications with complex power management systems. Automatic intelligent switching between pulse width modulation (PWM) low-noise and pulse frequency modulation (PFM) low-current mode offers improved system control. During full-power operation, a fixed-frequency 1-MHz (typical) PWM mode drives loads from approximately 70 mA to 350 mA maximum, with up to 95% efficiency. Hysteretic PFM mode extends the battery life through reduction of the quiescent current to 15 µA (typical) during light current loads and system standby. Internal synchronous rectification provides high efficiency (90% to 95% typical at loads between 1 mA and 100 mA). In shutdown mode (enable (EN) pin pulled low) the device turns off and reduces battery consumption to 0.1 µA (typical).

The LM3670 is available in a 5-pin SOT-23 package. A high switching frequency (1 MHz typical) allows use of tiny surface-mount components. Only three external surface-mount components, an inductor and two ceramic capacitors, are required.

For all available packages, see the orderable addendum at the end of the data sheet.

The LM3670 step-down DC-DC converter is optimized for powering ultralow voltage circuits from a single Li-Ion cell or three-cell NiMH/NiCd batteries. It provides up to 350-mA load current, over an input voltage range from 2.5 V to 5.5 V. There are several different fixed voltage output options available as well as an adjustable output voltage version.

The device offers superior features and performance for mobile phones and similar portable applications with complex power management systems. Automatic intelligent switching between pulse width modulation (PWM) low-noise and pulse frequency modulation (PFM) low-current mode offers improved system control. During full-power operation, a fixed-frequency 1-MHz (typical) PWM mode drives loads from approximately 70 mA to 350 mA maximum, with up to 95% efficiency. Hysteretic PFM mode extends the battery life through reduction of the quiescent current to 15 µA (typical) during light current loads and system standby. Internal synchronous rectification provides high efficiency (90% to 95% typical at loads between 1 mA and 100 mA). In shutdown mode (enable (EN) pin pulled low) the device turns off and reduces battery consumption to 0.1 µA (typical).

The LM3670 is available in a 5-pin SOT-23 package. A high switching frequency (1 MHz typical) allows use of tiny surface-mount components. Only three external surface-mount components, an inductor and two ceramic capacitors, are required.

For all available packages, see the orderable addendum at the end of the data sheet.

Subscribe to Welllinkchips !
Your Name
* Email
Submit a request