0
LM361
  • LM361
  • LM361
  • LM361
  • LM361
  • LM361
  • LM361

LM361

ACTIVE

140-ns, differential comparator with strobe

Texas Instruments LM361 Product Info

1 April 2026 0

Parameters

Number of channels

1

Output type

Differential

Propagation delay time (µs)

0.14

Vs (max) (V)

32

Vs (min) (V)

11

Rating

Catalog

Features

Strobe

Iq per channel (typ) (mA)

13

Vos (offset voltage at 25°C) (max) (mV)

1

Rail-to-rail

No

Operating temperature range (°C)

0 to 70

Input bias current (±) (max) (nA)

30000

VICR (max) (V)

23

VICR (min) (V)

9

Package

PDIP (N)-14-181.42 mm² 19.3 x 9.4

Features

  • Independent strobes
  • Ensured high speed: 20 ns max
  • Tight delay matching on both outputs
  • Complementary TTL outputs
  • Operates from op amp supplies: ±15V
  • Low speed variation with overdrive variation
  • Low input offset voltage
  • Versatile supply voltage range

All trademarks are the property of their respective owners.

  • Independent strobes
  • Ensured high speed: 20 ns max
  • Tight delay matching on both outputs
  • Complementary TTL outputs
  • Operates from op amp supplies: ±15V
  • Low speed variation with overdrive variation
  • Low input offset voltage
  • Versatile supply voltage range

All trademarks are the property of their respective owners.

Description

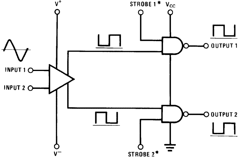
The LM161/LM361 is a very high speed differential input, complementary TTL output voltage comparator with improved characteristics over the SE529/NE529 for which it is a pin-for-pin replacement. The device has been optimized for greater speed performance and lower input offset voltage. Typically delay varies only 3 ns for over-drive variations of 5 mV to 500 mV. It may be operated from op amp supplies (±15V).

Complementary outputs having maximum skew are provided. Applications involve high speed analog to digital converters and zero-crossing detectors in disk file systems.

The LM161/LM361 is a very high speed differential input, complementary TTL output voltage comparator with improved characteristics over the SE529/NE529 for which it is a pin-for-pin replacement. The device has been optimized for greater speed performance and lower input offset voltage. Typically delay varies only 3 ns for over-drive variations of 5 mV to 500 mV. It may be operated from op amp supplies (±15V).

Complementary outputs having maximum skew are provided. Applications involve high speed analog to digital converters and zero-crossing detectors in disk file systems.

Subscribe to Welllinkchips !
Your Name
* Email
Submit a request