0
LM3431
  • LM3431
  • LM3431
  • LM3431
  • LM3431

LM3431

ACTIVE

3-channel constant current LED driver with integrated boost controller

Texas Instruments LM3431 Product Info

1 April 2026 0

Parameters

Input voltage type

DC/DC

Topology

Boost, Boost with Current Sink, Multi-Channel

Vin (min) (V)

4.5

Vin (max) (V)

36

Vout (max) (V)

40

Vout (min) (V)

5.5

Iout (max) (A)

0.6

Iq (typ) (mA)

4

Features

Adjustable Switch Frequency, Enable/Shutdown, Soft Start, Thermal shutdown

Operating temperature range (°C)

-40 to 125

Dimming method

Analog, PWM

Number of channels

3

Rating

Catalog

Package

HTSSOP (PWP)-28-62.08 mm² 9.7 x 6.4

Features

  • LM3431Q/LM3431AQ are Automotive Grade Products that are AEC-Q100 Grade 1 Qualified (–40°C to 125°C operating junction temperature)
  • 3-Channel Programmable LED Current
  • High Accuracy Linear Current Regulation
  • Analog and Digital PWM Dimming Control
  • Up to 25kHz Dimming Frequency
  • >100:1 Contrast Ratio
  • Integrated Boost Controller
  • 5V-36V Input Voltage Range
  • Adjustable Switching Frequency up to 1MHz
  • LED Short and Open Protection
  • Selectable Fault Shutdown or Automatic Restart
  • Programmable Fault Delay
  • Programmable Cycle by Cycle Current Limit
  • Output Over Voltage Protection
  • No Audible Noise
  • Enable Pin
  • LED Over-Temperature Shutdown Input
  • Thermal Shutdown
  • TSSOP-28 Exposed Pad Package

All trademarks are the property of their respective owners.

  • LM3431Q/LM3431AQ are Automotive Grade Products that are AEC-Q100 Grade 1 Qualified (–40°C to 125°C operating junction temperature)
  • 3-Channel Programmable LED Current
  • High Accuracy Linear Current Regulation
  • Analog and Digital PWM Dimming Control
  • Up to 25kHz Dimming Frequency
  • >100:1 Contrast Ratio
  • Integrated Boost Controller
  • 5V-36V Input Voltage Range
  • Adjustable Switching Frequency up to 1MHz
  • LED Short and Open Protection
  • Selectable Fault Shutdown or Automatic Restart
  • Programmable Fault Delay
  • Programmable Cycle by Cycle Current Limit
  • Output Over Voltage Protection
  • No Audible Noise
  • Enable Pin
  • LED Over-Temperature Shutdown Input
  • Thermal Shutdown
  • TSSOP-28 Exposed Pad Package

All trademarks are the property of their respective owners.

Description

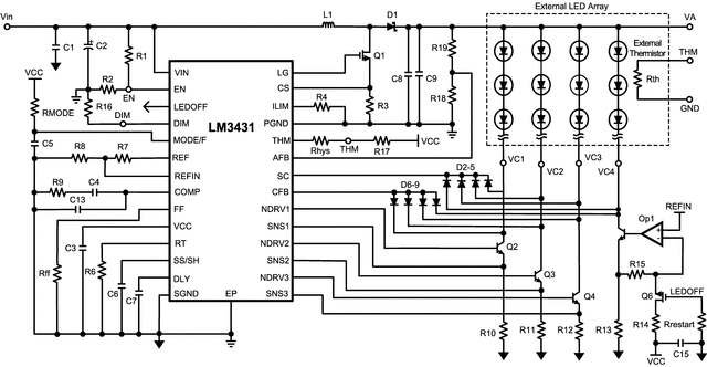
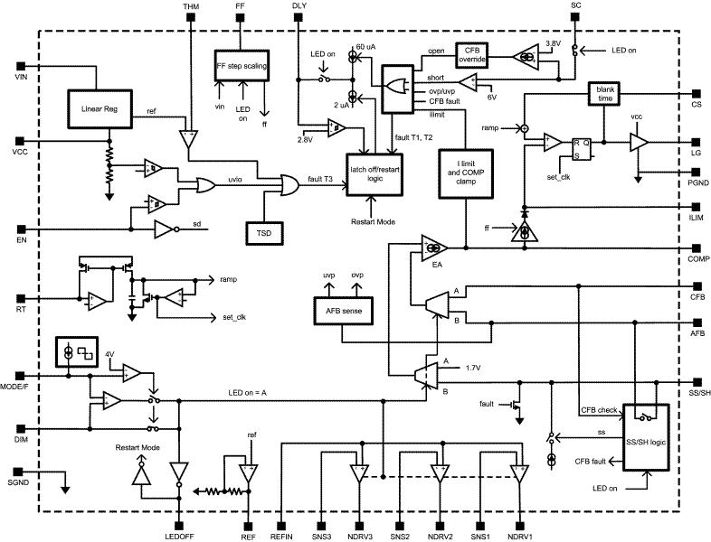
The LM3431 is a 3-channel linear current controller combined with a boost switching controller ideal for driving LED backlight panels in space critical applications. The LM3431 drives 3 external NPN transistors or MOSFETs to deliver high accuracy constant current to 3 LED strings. Output current is adjustable to drive strings in excess of 200 mA. The LM3431 can be expanded to drive as many as 6 LED strings.

The boost controller drives an external NFET switch for step-up regulation from input voltages between 5V and 36V. The LM3431 features LED cathode feedback to minimize regulator headroom and optimize efficiency.

A DIM input pin controls LED brightness from analog or digital control signals. Dimming frequencies up to 25 kHz are possible with a contrast ratio of 100:1. Contrast ratios greater than 1000:1 are possible at lower dimming frequencies.

The LM3431 eliminates audible noise problems by maintaining constant output voltage regulation during LED dimming. Additional features include LED short and open protection, fault delay/error flag, cycle by cycle current limit, and thermal shutdown for both the IC and LED array. The enhanced LM3431A features reduced offset voltage for higher accuracy LED current.

The LM3431 is a 3-channel linear current controller combined with a boost switching controller ideal for driving LED backlight panels in space critical applications. The LM3431 drives 3 external NPN transistors or MOSFETs to deliver high accuracy constant current to 3 LED strings. Output current is adjustable to drive strings in excess of 200 mA. The LM3431 can be expanded to drive as many as 6 LED strings.

The boost controller drives an external NFET switch for step-up regulation from input voltages between 5V and 36V. The LM3431 features LED cathode feedback to minimize regulator headroom and optimize efficiency.

A DIM input pin controls LED brightness from analog or digital control signals. Dimming frequencies up to 25 kHz are possible with a contrast ratio of 100:1. Contrast ratios greater than 1000:1 are possible at lower dimming frequencies.

The LM3431 eliminates audible noise problems by maintaining constant output voltage regulation during LED dimming. Additional features include LED short and open protection, fault delay/error flag, cycle by cycle current limit, and thermal shutdown for both the IC and LED array. The enhanced LM3431A features reduced offset voltage for higher accuracy LED current.

Subscribe to Welllinkchips !
Your Name
* Email
Submit a request