0
LM335A
  • LM335A
  • LM335A
  • LM335A
  • LM335A

LM335A

ACTIVE

Military grade, ±1°C analog output temperature sensor with 10mV/K gain in hermetic pac

Texas Instruments LM335A Product Info

1 April 2026 0

Parameters

Local sensor accuracy (max)

3

Rating

Catalog

Operating temperature range (°C)

-40 to 100

Supply voltage (min) (V)

3.01

Supply voltage (max) (V)

30

Supply current (max) (µA)

400

Interface type

Analog output

Sensor gain (mV/°C)

10

Package

TO-CAN (NDV)-3-34.8704 mm² 6.41 x 5.44

Features

  • Directly Calibrated to the Kelvin Temperature
    Scale
  • 1°C Initial Accuracy Available
  • Operates from 400 µA to 5 mA
  • Less than 1-Ω Dynamic Impedance
  • Easily Calibrated
  • Wide Operating Temperature Range
  • 200°C Overrange
  • Low Cost
  • Directly Calibrated to the Kelvin Temperature
    Scale
  • 1°C Initial Accuracy Available
  • Operates from 400 µA to 5 mA
  • Less than 1-Ω Dynamic Impedance
  • Easily Calibrated
  • Wide Operating Temperature Range
  • 200°C Overrange
  • Low Cost

Description

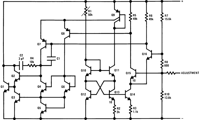
The LM135 series are precision, easily-calibrated, integrated circuit temperature sensors. Operating as a 2-terminal zener, the LM135 has a breakdown voltage directly proportional to absolute temperature at 10 mV/°K. With less than 1-Ω dynamic impedance, the device operates over a current range of 400 µA to 5 mA with virtually no change in performance. When calibrated at 25°C, the LM135 has typically less than 1°C error over a 100°C temperature range. Unlike other sensors, the LM135 has a linear output.

Applications for the LM135 include almost any type of temperature sensing over a –55°C to 150°C temperature range. The low impedance and linear output make interfacing to readout or control circuitry are especially easy.

The LM135 operates over a –55°C to 150°C temperature range while the LM235 operates over a –40°C to 125°C temperature range. The LM335 operates from –40°C to 100°C. The LMx35 devices are available packaged in hermetic TO transistor packages while the LM335 is also available in plastic

The LM135 series are precision, easily-calibrated, integrated circuit temperature sensors. Operating as a 2-terminal zener, the LM135 has a breakdown voltage directly proportional to absolute temperature at 10 mV/°K. With less than 1-Ω dynamic impedance, the device operates over a current range of 400 µA to 5 mA with virtually no change in performance. When calibrated at 25°C, the LM135 has typically less than 1°C error over a 100°C temperature range. Unlike other sensors, the LM135 has a linear output.

Applications for the LM135 include almost any type of temperature sensing over a –55°C to 150°C temperature range. The low impedance and linear output make interfacing to readout or control circuitry are especially easy.

The LM135 operates over a –55°C to 150°C temperature range while the LM235 operates over a –40°C to 125°C temperature range. The LM335 operates from –40°C to 100°C. The LMx35 devices are available packaged in hermetic TO transistor packages while the LM335 is also available in plastic

Subscribe to Welllinkchips !
Your Name
* Email
Submit a request