0
LM2742
  • LM2742
  • LM2742
  • LM2742
  • LM2742

LM2742

ACTIVE

2.2-V to 16-V, voltage mode synchronous buck controller with adjustable soft start

Texas Instruments LM2742 Product Info

1 April 2026 0

Parameters

Rating

Catalog

Topology

Buck

Iout (max) (A)

20

Vin (max) (V)

16

Vin (min) (V)

2.2

Vout (max) (V)

13.5

Vout (min) (V)

0.6

Control mode

Voltage mode

Features

Enable, Power good, Synchronous rectification

Duty cycle (max) (%)

90

Iq (typ) (A)

0.0015

Number of phases

1

Operating temperature range (°C)

-40 to 125

Package

TSSOP (PW)-14-32 mm² 5 x 6.4

Features

  • Input Power from 1V to 16V
  • Output Voltage Adjustable down to 0.6V
  • Power Good Flag, Adjustable Soft-start and Output Enable for Easy Power Sequencing
  • Reference Accuracy: 1.5% (0°C–125°C)
  • Current Limit Without Sense Resistor
  • Soft Start
  • Switching Frequency from 50 kHz to 2 MHz
  • 40ns Typical Minimum On-time
  • TSSOP-14 Package

All trademarks are the property of their respective owners.

  • Input Power from 1V to 16V
  • Output Voltage Adjustable down to 0.6V
  • Power Good Flag, Adjustable Soft-start and Output Enable for Easy Power Sequencing
  • Reference Accuracy: 1.5% (0°C–125°C)
  • Current Limit Without Sense Resistor
  • Soft Start
  • Switching Frequency from 50 kHz to 2 MHz
  • 40ns Typical Minimum On-time
  • TSSOP-14 Package

All trademarks are the property of their respective owners.

Description

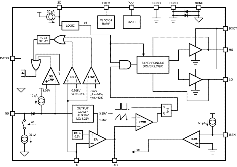
The LM2742 is a high-speed, synchronous, switching regulator controller. It is intended to control currents of 0.7A to 20A with up to 95% conversion efficiencies. Power up and down sequencing is achieved with the power-good flag, adjustable soft-start and output enable features. The LM2742 operates from a low-current 5V bias and can convert from a 1V to 16V power rail. The part utilizes a fixed-frequency, voltage-mode, PWM control architecture and the switching frequency is adjustable from 50kHz to 2MHz by setting the value of an external resistor. Current limit is achieved by monitoring the voltage drop across the on-resistance of the low-side MOSFET, which enables on-times on the order of 40ns, one of the best in the industry. The wide range of operating frequencies gives the power supply designer the flexibility to fine-tune component size, cost, noise and efficiency. The adaptive, non-overlapping MOSFET gate-drivers and high-side bootstrap structure helps to further maximize efficiency. The high-side power FET drain voltage can be from 1V to 16V and the output voltage is adjustable down to 0.6V.

The LM2742 is a high-speed, synchronous, switching regulator controller. It is intended to control currents of 0.7A to 20A with up to 95% conversion efficiencies. Power up and down sequencing is achieved with the power-good flag, adjustable soft-start and output enable features. The LM2742 operates from a low-current 5V bias and can convert from a 1V to 16V power rail. The part utilizes a fixed-frequency, voltage-mode, PWM control architecture and the switching frequency is adjustable from 50kHz to 2MHz by setting the value of an external resistor. Current limit is achieved by monitoring the voltage drop across the on-resistance of the low-side MOSFET, which enables on-times on the order of 40ns, one of the best in the industry. The wide range of operating frequencies gives the power supply designer the flexibility to fine-tune component size, cost, noise and efficiency. The adaptive, non-overlapping MOSFET gate-drivers and high-side bootstrap structure helps to further maximize efficiency. The high-side power FET drain voltage can be from 1V to 16V and the output voltage is adjustable down to 0.6V.

Subscribe to Welllinkchips !
Your Name
* Email
Submit a request