0
LM2662
  • LM2662
  • LM2662
  • LM2662
  • LM2662
  • LM2662
  • LM2662

LM2662

ACTIVE

200mA switched capacitor voltage converter

Texas Instruments LM2662 Product Info

1 April 2026 1

Parameters

Rating

Catalog

Iout (max) (A)

0.2

Vin (max) (V)

5.5

Vin (min) (V)

1.5

Vout (max) (V)

11

Vout (min) (V)

-5.5

Features

Unregulated

Operating temperature range (°C)

-40 to 85

Iq (typ) (A)

0.0013

Package

SOIC (D)-8-29.4 mm² 4.9 x 6

Features

  • Inverts or Doubles Input Supply Voltage
  • 3.5-Ω Typical Output Resistance
  • 86% Typical Conversion Efficiency at 200 mA
  • (LM2662) Selectable Oscillator Frequency:
    20 kHz/150 kHz
  • (LM2663) Low Current Shutdown Mode
  • Inverts or Doubles Input Supply Voltage
  • 3.5-Ω Typical Output Resistance
  • 86% Typical Conversion Efficiency at 200 mA
  • (LM2662) Selectable Oscillator Frequency:
    20 kHz/150 kHz
  • (LM2663) Low Current Shutdown Mode

Description

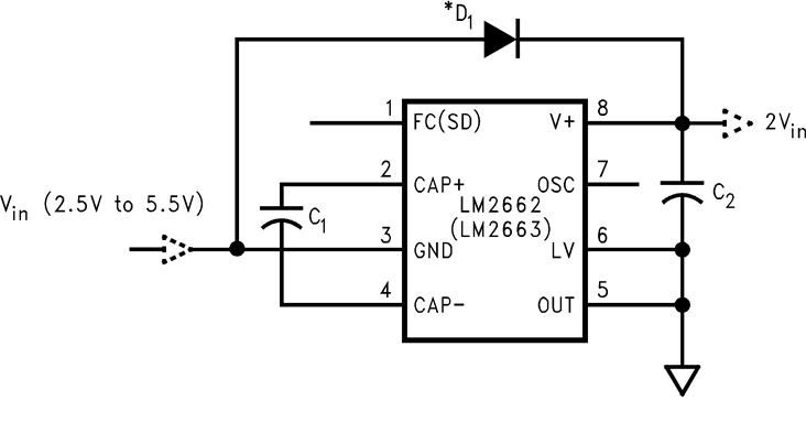
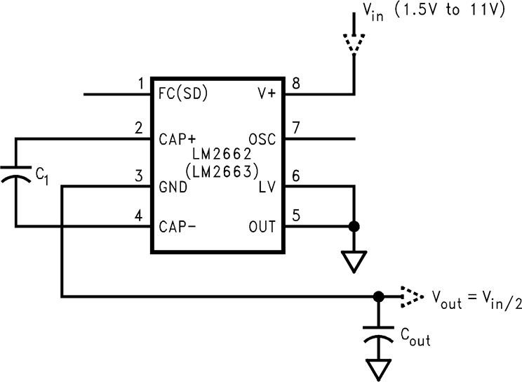
The LM2662/LM2663 CMOS charge-pump voltage converter inverts a positive voltage in the range of 1.5 V to 5.5 V to the corresponding negative voltage. The LM2662/LM2663 uses two low cost capacitors to provide 200 mA of output current without the cost, size, and EMI related to inductor based converters. With an operating current of only 300 µA and operating efficiency greater than 90% at most loads, the LM2662/LM2663 provides ideal performance for battery powered systems. The LM2662/LM2663 may also be used as a positive voltage doubler.

The oscillator frequency can be lowered by adding an external capacitor to the OSC pin. Also, the OSC pin may be used to drive the LM2662/LM2663 with an external clock. For LM2662, a frequency control (FC) pin selects the oscillator frequency of 20 kHz or 150 kHz. For LM2663, an external shutdown (SD) pin replaces the FC pin. The SD pin can be used to disable the device and reduce the quiescent current to 10 µA. The oscillator frequency for LM2663 is 150 kHz.

The LM2662/LM2663 CMOS charge-pump voltage converter inverts a positive voltage in the range of 1.5 V to 5.5 V to the corresponding negative voltage. The LM2662/LM2663 uses two low cost capacitors to provide 200 mA of output current without the cost, size, and EMI related to inductor based converters. With an operating current of only 300 µA and operating efficiency greater than 90% at most loads, the LM2662/LM2663 provides ideal performance for battery powered systems. The LM2662/LM2663 may also be used as a positive voltage doubler.

The oscillator frequency can be lowered by adding an external capacitor to the OSC pin. Also, the OSC pin may be used to drive the LM2662/LM2663 with an external clock. For LM2662, a frequency control (FC) pin selects the oscillator frequency of 20 kHz or 150 kHz. For LM2663, an external shutdown (SD) pin replaces the FC pin. The SD pin can be used to disable the device and reduce the quiescent current to 10 µA. The oscillator frequency for LM2663 is 150 kHz.

Subscribe to Welllinkchips !
Your Name
* Email
Submit a request