0
TPS66121
  • TPS66121
  • TPS66121

TPS66121

ACTIVE

USB-C® Power Delivery high voltage power switch for sink with 5V dead battery LDO

Texas Instruments TPS66121 Product Info

1 April 2026 0

Parameters

Function

Type-C

Type

Power switch

Power role

Sink

Rating

Catalog

Internal power path

20 V 5 A

Data role

DFP, DRP, Dataless, UFP

External power-path control

No

Dead battery support

Yes

Operating temperature range (°C)

-10 to 85

Package

DSBGA (YBG)-28-4.506436 mm² 2.806 x 1.606

Features

  • Integrated 22 mΩ (typical), 32-V tolerant NFET 4-V to 22-V sink path, up to 5 A
  • Built-in soft-start to limit in-rush currents
  • Integrated high voltage VBUS LDO regulator (3.3-V or 5.0-V per device type)
  • Optional VBUS overvoltage protection via pin configuration.
  • System supply and VBUS undervoltage protection
  • Overtemperature protection
  • Reverse-current protection
  • Fault pin with de-glitched fault reporting
  • Small footprint WCSP packaging, no HDI required.
  • Integrated 22 mΩ (typical), 32-V tolerant NFET 4-V to 22-V sink path, up to 5 A
  • Built-in soft-start to limit in-rush currents
  • Integrated high voltage VBUS LDO regulator (3.3-V or 5.0-V per device type)
  • Optional VBUS overvoltage protection via pin configuration.
  • System supply and VBUS undervoltage protection
  • Overtemperature protection
  • Reverse-current protection
  • Fault pin with de-glitched fault reporting
  • Small footprint WCSP packaging, no HDI required.

Description

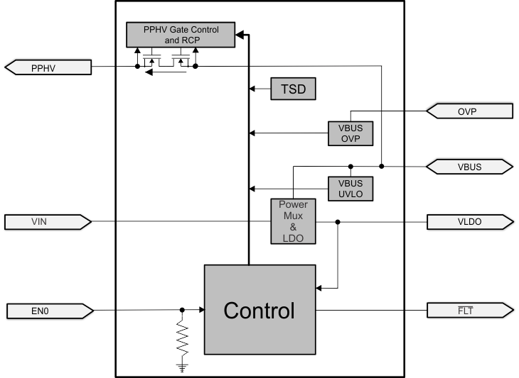
The TPS6612x contains an integrated 4-V to 22-V Sink power path. The power path supports overtemperature and reverse current protection. VBUS has overvoltage protection with its level being set by an optional external resistor divider. If no overvoltage protection is desired, it may be disabled by grounding the OVP terminal. The TPS6612x supports a fault pin that indicates overtemperature events.

The TPS6612x series also supports a high voltage VBUS LDO regulator (3.3-V or 5-V per device type) useful for supplying power to the device and other system components when operating in dead battery conditions. The TPS66120 regulates to 3.3 V and the TPS66121 regulates to 5 V.

The TPS6612x contains an integrated 4-V to 22-V Sink power path. The power path supports overtemperature and reverse current protection. VBUS has overvoltage protection with its level being set by an optional external resistor divider. If no overvoltage protection is desired, it may be disabled by grounding the OVP terminal. The TPS6612x supports a fault pin that indicates overtemperature events.

The TPS6612x series also supports a high voltage VBUS LDO regulator (3.3-V or 5-V per device type) useful for supplying power to the device and other system components when operating in dead battery conditions. The TPS66120 regulates to 3.3 V and the TPS66121 regulates to 5 V.

Subscribe to Welllinkchips !
Your Name
* Email
Submit a request