0
LM26484
  • LM26484
  • LM26484
  • LM26484

LM26484

ACTIVE

Two DCDC and One LDO Configurable PMIC

Texas Instruments LM26484 Product Info

1 April 2026 0

Parameters

Processor supplier

Generic

Processor name

Generic

Product type

Processor and FPGA

Regulated outputs (#)

3

Step-down DC/DC converter

2

Step-up DC/DC converter

0

LDO

1

Vin (min) (V)

3

Vin (max) (V)

5.5

Vout (min) (V)

0.8

Vout (max) (V)

3.5

Iout (max) (A)

2

Configurability

Hardware configurable

Features

Enable, Overcurrent protection, Power good, Power sequencing, Synchronous rectification, Thermal shutdown, UVLO fixed

Rating

Catalog

Operating temperature range (°C)

-40 to 125

Step-down DC/DC controller

0

Step-up DC/DC controller

0

Switching frequency (max) (kHz)

2000

Shutdown current (ISD) (typ) (µA)

0.03

Switching frequency (typ) (kHz)

2000

Package

WQFN (NHZ)-24-20 mm² 5 x 4

Features

  • Step-Down DC/DC Converter (Buck)
    • 3.0–5.5V Input Range
    • Externally Adjustable VOUT:
    • Bucks 1 & 2: 0.8V–3.5V @ 2A
    • 180° Phase Shift Between Bucks Clocks
    • 2 MHz PWM Switching Frequency
    • ±1% feedback Voltage Accuracy
    • Automatic Soft Start
    • Current Overload Protection
    • PWM/PFM efficiency Modes Available
  • Linear Regulator (LDO) Controller
    • 3.0V–5.5V Input Range
    • Externally Adjustable VOUT
    • ±1.5% Feedback Voltage Accuracy
    • Regulated to Low VIN - Low VOUT LI-LO (Low Input Low Output) NFET Operation
    • Input to the LI-LO Configuration, Can Be Post Regulated When Supply is Regulated by Buck2
    • Up to 1000 mA Output Current by Selection of External FET

All trademarks are the property of their respective owners.

  • Step-Down DC/DC Converter (Buck)
    • 3.0–5.5V Input Range
    • Externally Adjustable VOUT:
    • Bucks 1 & 2: 0.8V–3.5V @ 2A
    • 180° Phase Shift Between Bucks Clocks
    • 2 MHz PWM Switching Frequency
    • ±1% feedback Voltage Accuracy
    • Automatic Soft Start
    • Current Overload Protection
    • PWM/PFM efficiency Modes Available
  • Linear Regulator (LDO) Controller
    • 3.0V–5.5V Input Range
    • Externally Adjustable VOUT
    • ±1.5% Feedback Voltage Accuracy
    • Regulated to Low VIN - Low VOUT LI-LO (Low Input Low Output) NFET Operation
    • Input to the LI-LO Configuration, Can Be Post Regulated When Supply is Regulated by Buck2
    • Up to 1000 mA Output Current by Selection of External FET

All trademarks are the property of their respective owners.

Description

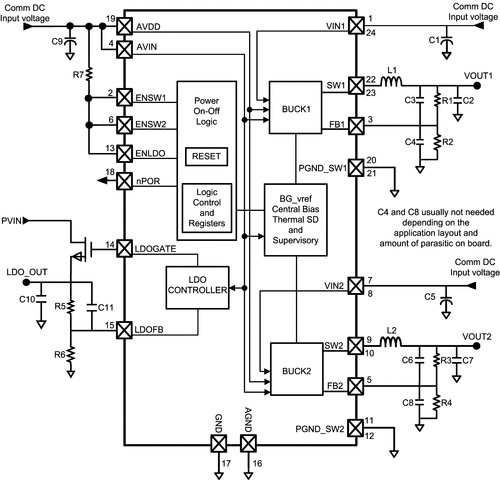
The LM26484 is a multi-function, configurable Power Management Unit. This device integrates two highly efficient 2.0A Step-Down DC/DC converters, one LDO Controller, a POR (Power On Reset) circuit, and thermal overload protection circuitry. All regulator output voltages are externally adjustable. The LDO controller is a low-voltage NMOS voltage regulator. The LM26484 is offered in a 5 x 4 x 0.8 mm WQFN-24 pin package.

The LM26484 is a multi-function, configurable Power Management Unit. This device integrates two highly efficient 2.0A Step-Down DC/DC converters, one LDO Controller, a POR (Power On Reset) circuit, and thermal overload protection circuitry. All regulator output voltages are externally adjustable. The LDO controller is a low-voltage NMOS voltage regulator. The LM26484 is offered in a 5 x 4 x 0.8 mm WQFN-24 pin package.

Subscribe to Welllinkchips !
Your Name
* Email
Submit a request