0
LM2577
  • LM2577
  • LM2577
  • LM2577
  • LM2577
  • LM2577
  • LM2577
  • LM2577

LM2577

ACTIVE

3.5-V to 40-V, 3-A low component count step-up regulator

Texas Instruments LM2577 Product Info

1 April 2026 1

Parameters

Rating

Catalog

Topology

Boost, Flyback, Forward, SEPIC

Vin (max) (V)

40

Vin (min) (V)

3.5

Vout (max) (V)

60

Vout (min) (V)

1.23

Switch current limit (typ) (A)

3

Features

Nonsynchronous rectification, UVLO fixed

Operating temperature range (°C)

-40 to 125

Iq (typ) (A)

0.01

Duty cycle (max) (%)

95

Package

TO-220 (KC)-5-45.212 mm² 10.16 x 4.45

Features

  • Requires Few External Components
  • NPN Output Switches 3.0A, can Stand off 65V
  • Wide Input Voltage Range: 3.5V to 40V
  • Current-mode Operation for Improved Transient Response, Line Regulation, and Current Limit
  • 52 kHz Internal Oscillator
  • Soft-start Function Reduces In-rush Current During Start-up
  • Output Switch Protected by Current Limit, Under-voltage Lockout, and Thermal Shutdown

All trademarks are the property of their respective owners.

  • Requires Few External Components
  • NPN Output Switches 3.0A, can Stand off 65V
  • Wide Input Voltage Range: 3.5V to 40V
  • Current-mode Operation for Improved Transient Response, Line Regulation, and Current Limit
  • 52 kHz Internal Oscillator
  • Soft-start Function Reduces In-rush Current During Start-up
  • Output Switch Protected by Current Limit, Under-voltage Lockout, and Thermal Shutdown

All trademarks are the property of their respective owners.

Description

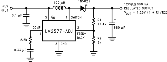
The LM1577/LM2577 are monolithic integrated circuits that provide all of the power and control functions for step-up (boost), flyback, and forward converter switching regulators. The device is available in three different output voltage versions: 12V, 15V, and adjustable.

Requiring a minimum number of external components, these regulators are cost effective, and simple to use. Listed in this data sheet are a family of standard inductors and flyback transformers designed to work with these switching regulators.

Included on the chip is a 3.0A NPN switch and its associated protection circuitry, consisting of current and thermal limiting, and undervoltage lockout. Other features include a 52 kHz fixed-frequency oscillator that requires no external components, a soft start mode to reduce in-rush current during start-up, and current mode control for improved rejection of input voltage and output load transients.

The LM1577/LM2577 are monolithic integrated circuits that provide all of the power and control functions for step-up (boost), flyback, and forward converter switching regulators. The device is available in three different output voltage versions: 12V, 15V, and adjustable.

Requiring a minimum number of external components, these regulators are cost effective, and simple to use. Listed in this data sheet are a family of standard inductors and flyback transformers designed to work with these switching regulators.

Included on the chip is a 3.0A NPN switch and its associated protection circuitry, consisting of current and thermal limiting, and undervoltage lockout. Other features include a 52 kHz fixed-frequency oscillator that requires no external components, a soft start mode to reduce in-rush current during start-up, and current mode control for improved rejection of input voltage and output load transients.

Subscribe to Welllinkchips !
Your Name
* Email
Submit a request