0
BQ24259
  • BQ24259
  • BQ24259

BQ24259

ACTIVE

I2C controlled 2A single cell USB NVDC-1 charger with adjustable voltageUSB OTG

Texas Instruments BQ24259 Product Info

1 April 2026 0

Parameters

Rating

Catalog

Number of series cells

1

Cell chemistry

Li-Ion/Li-Polymer

Charge current (max) (A)

2

Features

BAT temp thermistor monitoring (hot/cold profile), IC thermal regulation, IINDPM (Input current limit), Input OVP, Power Path, USB OTG integrated

Vin (min) (V)

3.9

Vin (max) (V)

6.2

Absolute max Vin (max) (V)

15

Control topology

Switch-Mode Buck

Battery charge voltage (min) (V)

3.5

Battery charge voltage (max) (V)

4.44

Control interface

I2C

Operating temperature range (°C)

-40 to 85

Package

VQFN (RGE)-24-16 mm² 4 x 4

Features

  • 90% High Efficiency Switch Mode 2-A Charger
  • 3.9-V to 6.2-V Single Input USB-Compliant Charger with 6.4-V Over-Voltage Protection
    • Input voltage and current limit supports USB 2.0 and USB 3.0
    • Input Current Limit: 100 mA, 150 mA, 500 mA, 900 mA, 1 A, 1.5 A, 2 A
  • USB OTG with Adjustable output 4.55 V to 5.5 V at 1 A or 1.5 A
    • Fast OTG Startup (22 ms Typical)
    • 90% 5-V Boost Mode Efficiency
    • Accurate ±15% Hiccup Mode Overcurrent Protection
  • Narrow VDC (NVDC) Power Path Management
    • Instant System On with No Battery or Deeply Discharged Battery
    • Ideal Diode Operation in Battery Supplement Mode
  • 1.5-MHz Switching Frequency for Low Profile 1.2-mm Inductor
  • I2C port for optimal system performance and status reporting
  • Autonomous Battery Charging with or without Host Management
    • Battery Charge Enable
    • Battery Charge Preconditioning
    • Charge Termination and Recharge
  • High Accuracy
    • ±0.5% Charge Voltage Regulation
    • ±7% Charge Current Regulation
    • ±7.5% Input Current Regulation
    • ±3% Output Voltage Regulation in USB OTG Boost Mode
  • High Integration
    • Power Path Management
    • Synchronous Switching MOSFETs
    • Integrated Current Sensing
    • Bootstrap Diode
    • Internal Loop Compensation
  • Safety
    • Battery Temperature Sensing for Charging and Discharging in OTG Mode
    • Battery Charging Safety Timer
    • Thermal Regulation and Thermal Shutdown
    • Input and System Over-Voltage Protection
    • MOSFET Over-Current Protection
  • Charge Status Outputs for LED or Host Processor
  • Maximum power tracking capability by input voltage regulation
  • 20-µA Low Battery Leakage Current and Support Shipping Mode
  • 4-mm × 4-mm VQFN-24 Package
  • 90% High Efficiency Switch Mode 2-A Charger
  • 3.9-V to 6.2-V Single Input USB-Compliant Charger with 6.4-V Over-Voltage Protection
    • Input voltage and current limit supports USB 2.0 and USB 3.0
    • Input Current Limit: 100 mA, 150 mA, 500 mA, 900 mA, 1 A, 1.5 A, 2 A
  • USB OTG with Adjustable output 4.55 V to 5.5 V at 1 A or 1.5 A
    • Fast OTG Startup (22 ms Typical)
    • 90% 5-V Boost Mode Efficiency
    • Accurate ±15% Hiccup Mode Overcurrent Protection
  • Narrow VDC (NVDC) Power Path Management
    • Instant System On with No Battery or Deeply Discharged Battery
    • Ideal Diode Operation in Battery Supplement Mode
  • 1.5-MHz Switching Frequency for Low Profile 1.2-mm Inductor
  • I2C port for optimal system performance and status reporting
  • Autonomous Battery Charging with or without Host Management
    • Battery Charge Enable
    • Battery Charge Preconditioning
    • Charge Termination and Recharge
  • High Accuracy
    • ±0.5% Charge Voltage Regulation
    • ±7% Charge Current Regulation
    • ±7.5% Input Current Regulation
    • ±3% Output Voltage Regulation in USB OTG Boost Mode
  • High Integration
    • Power Path Management
    • Synchronous Switching MOSFETs
    • Integrated Current Sensing
    • Bootstrap Diode
    • Internal Loop Compensation
  • Safety
    • Battery Temperature Sensing for Charging and Discharging in OTG Mode
    • Battery Charging Safety Timer
    • Thermal Regulation and Thermal Shutdown
    • Input and System Over-Voltage Protection
    • MOSFET Over-Current Protection
  • Charge Status Outputs for LED or Host Processor
  • Maximum power tracking capability by input voltage regulation
  • 20-µA Low Battery Leakage Current and Support Shipping Mode
  • 4-mm × 4-mm VQFN-24 Package

Description

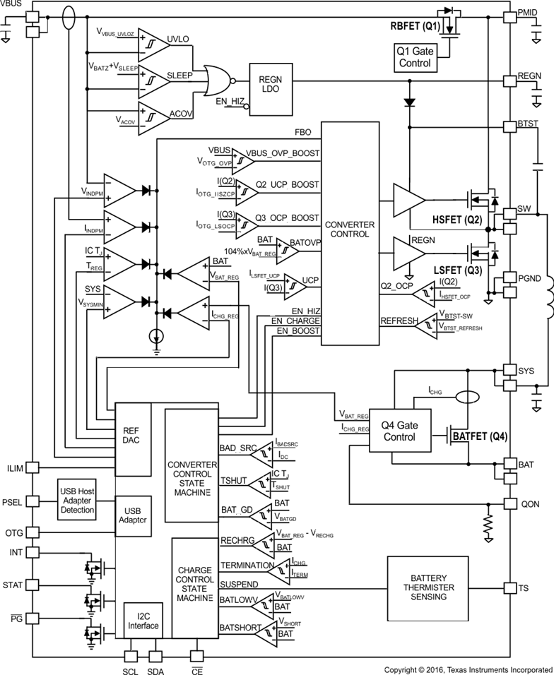
The bq24259 is a highly-integrated switch-mode battery charge management and system power path management device for 1 cell Li-Ion and Li-polymer battery in a wide range of smart phone and tablet applications. Its low impedance power path optimizes switch-mode operation efficiency, reduces battery charging time and extends battery life during discharging phase. The I2C serial interface with charging and system settings makes the device a truly flexible solution.

The device supports 3.9 V – 6.2 V USB input sources, including standard USB host port and USB charging port with 6.4 V overvoltage protection. The device supports USB 2.0 and USB 3.0 power specifications with input current and voltage regulation. To set the default input current limit, the bq24259 takes the result from the detection circuit in the system, such as USB PHY device. The device also supports USB On-the-Go operation by providing fast startup and supplying adjustable voltage 4.55 V – 5.5 V (default 5 V) on the VBUS with an accurate current limit up to 1.5 A.

The power path management regulates the system slightly above battery voltage but does not drop below 3.5 V minimum system voltage (programmable). With this feature, the system keeps operating even when the battery is completely depleted or removed. When the input source current or voltage limit is reached, the power path management automatically reduces the charge current to zero and then starts discharges the battery until the system power requirement is met. This supplement mode operation keeps the input source from getting overloaded.

The device initiates and completes a charging cycle when host control is not available. It automatically charges the battery in three phases: pre-conditioning, constant current and constant voltage. In the end, the charger automatically terminates when the charge current is below a preset limit in the constant voltage phase. Later on, when the battery voltage falls below the recharge threshold, the charger will automatically start another charging cycle.

The charge device provides various safety features for battery charging and system operation, including negative thermistor monitoring, charging safety timer and over-voltage/over-current protections. The thermal regulation reduces charge current when the junction temperature exceeds 120°C (programmable).

The STAT output reports the charging status and any fault conditions. The INT immediately notifies host when fault occurs.

The bq24259 is available in a 24-pin, 4 × 4 mm2 thin VQFN package.

The bq24259 is a highly-integrated switch-mode battery charge management and system power path management device for 1 cell Li-Ion and Li-polymer battery in a wide range of smart phone and tablet applications. Its low impedance power path optimizes switch-mode operation efficiency, reduces battery charging time and extends battery life during discharging phase. The I2C serial interface with charging and system settings makes the device a truly flexible solution.

The device supports 3.9 V – 6.2 V USB input sources, including standard USB host port and USB charging port with 6.4 V overvoltage protection. The device supports USB 2.0 and USB 3.0 power specifications with input current and voltage regulation. To set the default input current limit, the bq24259 takes the result from the detection circuit in the system, such as USB PHY device. The device also supports USB On-the-Go operation by providing fast startup and supplying adjustable voltage 4.55 V – 5.5 V (default 5 V) on the VBUS with an accurate current limit up to 1.5 A.

The power path management regulates the system slightly above battery voltage but does not drop below 3.5 V minimum system voltage (programmable). With this feature, the system keeps operating even when the battery is completely depleted or removed. When the input source current or voltage limit is reached, the power path management automatically reduces the charge current to zero and then starts discharges the battery until the system power requirement is met. This supplement mode operation keeps the input source from getting overloaded.

The device initiates and completes a charging cycle when host control is not available. It automatically charges the battery in three phases: pre-conditioning, constant current and constant voltage. In the end, the charger automatically terminates when the charge current is below a preset limit in the constant voltage phase. Later on, when the battery voltage falls below the recharge threshold, the charger will automatically start another charging cycle.

The charge device provides various safety features for battery charging and system operation, including negative thermistor monitoring, charging safety timer and over-voltage/over-current protections. The thermal regulation reduces charge current when the junction temperature exceeds 120°C (programmable).

The STAT output reports the charging status and any fault conditions. The INT immediately notifies host when fault occurs.

The bq24259 is available in a 24-pin, 4 × 4 mm2 thin VQFN package.

Subscribe to Welllinkchips !
Your Name
* Email
Submit a request