0
ISO1042
  • ISO1042
  • ISO1042
  • ISO1042

ISO1042

ACTIVE

Isolated CAN transceiver with 70-V bus fault protection & flexible data rate

Texas Instruments ISO1042 Product Info

1 April 2026 1

Parameters

Rating

Catalog

Isolation rating

Basic, Reinforced

Data rate (max) (Mbps)

5

Working isolation voltage (VIOWM) (Vrms)

1060

Surge isolation voltage (VIOSM) (VPK)

6000, 10000

Transient isolation voltage (VIOTM) (VPK)

7071

Withstand isolation voltage (VISO) (Vrms)

5000

CMTI (min) (kV/µs)

85

Supply voltage (V)

1.71 to 5.5, 4.5 to 5.5

Bus fault voltage (V)

-70 to 70

Common-mode voltage (V)

-30 to 30

ESD HBM (kV)

16

Creepage (min) (mm)

8, 8.5

Clearance (min) (mm)

8, 8.5

Operating temperature range (°C)

-40 to 125

Package

SOIC (DW)-16-106.09 mm² 10.3 x 10.3

Features

  • Meets the ISO 11898-2:2016 physical layer standard
  • Supports classic CAN up to 1 Mbps and FD (Flexible Data Rate) up to 5 Mbps
  • Low loop delay: 152 ns
  • Protection features
    • DC bus fault protection voltage: ±70 V
    • HBM ESD tolerance on bus pins: ±16 kV
    • Driver Dominant Time Out (TXD DTO)
    • Undervoltage protection on VCC1 and VCC2
  • Common-Mode Voltage Range: ±30 V
  • Ideal passive, high impedance bus terminals when unpowered
  • High CMTI: 100 kV/µs
  • VCC1 voltage range: 1.71 V to 5.5 V
    • Supports 1.8-V, 2.5-V, 3.3-V and 5.0-V logic interface to the CAN controller
  • VCC2 Voltage Range: 4.5 V to 5.5 V
  • Robust Electromagnetic Compatibility (EMC)
    • System-level ESD, EFT, and surge immunity
    • Low emissions
  • Ambient Temperature Range: –40°C to +125°C
  • 16-SOIC and 8-SOIC package options
  • Automotive version available: ISO1042-Q1
  • Safety-related certifications:
    • 7071-VPK VIOTM and 1500-VPK VIORM (Reinforced and Basic Options) per DIN VDE V 0884-11:2017-01
    • 5000-VRMS Isolation for 1 Minute per UL 1577
    • IEC 60950-1, IEC 60601-1 and EN 61010-1 certifications
    • CQC, TUV and CSA certifications
  • Meets the ISO 11898-2:2016 physical layer standard
  • Supports classic CAN up to 1 Mbps and FD (Flexible Data Rate) up to 5 Mbps
  • Low loop delay: 152 ns
  • Protection features
    • DC bus fault protection voltage: ±70 V
    • HBM ESD tolerance on bus pins: ±16 kV
    • Driver Dominant Time Out (TXD DTO)
    • Undervoltage protection on VCC1 and VCC2
  • Common-Mode Voltage Range: ±30 V
  • Ideal passive, high impedance bus terminals when unpowered
  • High CMTI: 100 kV/µs
  • VCC1 voltage range: 1.71 V to 5.5 V
    • Supports 1.8-V, 2.5-V, 3.3-V and 5.0-V logic interface to the CAN controller
  • VCC2 Voltage Range: 4.5 V to 5.5 V
  • Robust Electromagnetic Compatibility (EMC)
    • System-level ESD, EFT, and surge immunity
    • Low emissions
  • Ambient Temperature Range: –40°C to +125°C
  • 16-SOIC and 8-SOIC package options
  • Automotive version available: ISO1042-Q1
  • Safety-related certifications:
    • 7071-VPK VIOTM and 1500-VPK VIORM (Reinforced and Basic Options) per DIN VDE V 0884-11:2017-01
    • 5000-VRMS Isolation for 1 Minute per UL 1577
    • IEC 60950-1, IEC 60601-1 and EN 61010-1 certifications
    • CQC, TUV and CSA certifications

Description

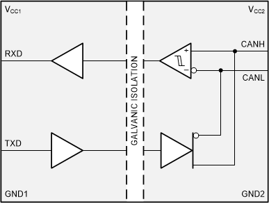
The ISO1042 device is a galvanically-isolated controller area network (CAN) transceiver that meets the specifications of the ISO11898-2 (2016) standard. The ISO1042 device offers ±70-V DC bus fault protection and ±30-V common-mode voltage range. The device supports up to 5-Mbps data rate in CAN FD mode allowing much faster transfer of payload compared to classic CAN. This device uses a silicon dioxide (SiO2) insulation barrier with a withstand voltage of 5000 VRMS and a working voltage of 1060 VRMS. Electromagnetic compatibility has been significantly enhanced to enable system-level ESD, EFT, surge, and emissions compliance. Used in conjunction with isolated power supplies, the device protects against high voltage, and prevents noise currents from the bus from entering the local ground. The ISO1042 device is available for both basic and reinforced isolation (see Reinforced and Basic Isolation Options). The ISO1042 device supports a wide ambient temperature range of –40°C to +125°C. The device is available in the SOIC-16 (DW) package and a smaller SOIC-8 (DWV) package.

The ISO1042 device is a galvanically-isolated controller area network (CAN) transceiver that meets the specifications of the ISO11898-2 (2016) standard. The ISO1042 device offers ±70-V DC bus fault protection and ±30-V common-mode voltage range. The device supports up to 5-Mbps data rate in CAN FD mode allowing much faster transfer of payload compared to classic CAN. This device uses a silicon dioxide (SiO2) insulation barrier with a withstand voltage of 5000 VRMS and a working voltage of 1060 VRMS. Electromagnetic compatibility has been significantly enhanced to enable system-level ESD, EFT, surge, and emissions compliance. Used in conjunction with isolated power supplies, the device protects against high voltage, and prevents noise currents from the bus from entering the local ground. The ISO1042 device is available for both basic and reinforced isolation (see Reinforced and Basic Isolation Options). The ISO1042 device supports a wide ambient temperature range of –40°C to +125°C. The device is available in the SOIC-16 (DW) package and a smaller SOIC-8 (DWV) package.

Subscribe to Welllinkchips !
Your Name
* Email
Submit a request