0
INA186
  • INA186
  • INA186
  • INA186
  • INA186
  • INA186

INA186

ACTIVE

40-V, bidirectional, high-precision current sense amplifier with picoamp input bias & ENABLE

Texas Instruments INA186 Product Info

1 April 2026 0

Parameters

Product type

Analog output

Common-mode voltage (max) (V)

40

Common-mode voltage (min) (V)

-0.2

Input offset (±) (max) (µV)

50

Input offset drift (±) (typ) (µV/°C)

0.05

Features

Bidirectional, High precision, Low-side Capable

Rating

Catalog

Voltage gain (V/V)

25, 50, 100, 200, 500

CMRR (min) (dB)

120

Bandwidth (kHz)

27, 33, 35, 37, 45

Supply voltage (max) (V)

5.5

Supply voltage (min) (V)

1.7

Iq (max) (mA)

0.09

Number of channels

1

Comparators (#)

0

Gain error (%)

1

Gain error drift (±) (max) (ppm/°C)

10

Slew rate (V/µs)

0.3

Operating temperature range (°C)

-40 to 125

Package

DSBGA (YFD)-6-1.4000000000000001 mm² 1.4000000000000001 x 1

Features

  • Wide common-mode voltage range, VCM: –0.2 V to +40 V
  • Low input bias currents, IIB: 500 pA (typical) (enables microamp current measurement)
  • Low power:
    • Low supply voltage, VS: 1.7 V to 5.5 V
    • Low quiescent current, IQ: 48 µA (typical)
  • Accuracy:
    • Common-mode rejection ratio: 120 dB (minimum)
    • Gain error, EG: ±1% (maximum)
    • Gain drift: 10 ppm/°C (maximum)
    • Offset voltage, VOS: ±50 µV (maximum)
    • Offset drift: 0.5 µV/°C (maximum)
  • Bidirectional current sensing capability
  • Gain options:
    • INA186A1: 25 V/V
    • INA186A2: 50 V/V
    • INA186A3: 100 V/V
    • INA186A4: 200 V/V
    • INA186A5: 500 V/V
  • Wide common-mode voltage range, VCM: –0.2 V to +40 V
  • Low input bias currents, IIB: 500 pA (typical) (enables microamp current measurement)
  • Low power:
    • Low supply voltage, VS: 1.7 V to 5.5 V
    • Low quiescent current, IQ: 48 µA (typical)
  • Accuracy:
    • Common-mode rejection ratio: 120 dB (minimum)
    • Gain error, EG: ±1% (maximum)
    • Gain drift: 10 ppm/°C (maximum)
    • Offset voltage, VOS: ±50 µV (maximum)
    • Offset drift: 0.5 µV/°C (maximum)
  • Bidirectional current sensing capability
  • Gain options:
    • INA186A1: 25 V/V
    • INA186A2: 50 V/V
    • INA186A3: 100 V/V
    • INA186A4: 200 V/V
    • INA186A5: 500 V/V

Description

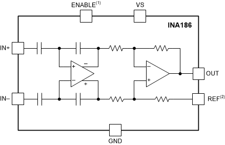
The INA186 is a low-power, voltage-output, current-sense amplifier (also called a current-shunt monitor). This device is commonly used for overcurrent protection, precision current measurement for system optimization, or in closed-loop feedback circuits. The INA186 can sense drops across shunts at common-mode voltages from –0.2 V to +40 V, independent of the supply voltage.

The low input bias current of the INA186 permits the use of larger current-sense resistors, thus providing accurate current measurements in the microamp range. The low offset voltage of the zero-drift architecture extends the dynamic range of the current measurement. This feature allows for smaller sense resistors with lower power loss, while still providing accurate current measurements.

The INA186 operates from a single 1.7-V to 5.5-V power supply, and draws a maximum of 90 µA of supply current . Five fixed gain options are available: 25 V/V, 50 V/V, 100 V/V, 200 V/V, or 500 V/V. The device is specified over the operating temperature range of –40°C to +125°C, and offered in SC70, SOT-23-THIN, and DSBGA packages. The SC70 and SOT-23 (DDF) packages support bidirectional current measurement, whereas the DSBGA package only supports current measurement in one direction.

The INA186 is a low-power, voltage-output, current-sense amplifier (also called a current-shunt monitor). This device is commonly used for overcurrent protection, precision current measurement for system optimization, or in closed-loop feedback circuits. The INA186 can sense drops across shunts at common-mode voltages from –0.2 V to +40 V, independent of the supply voltage.

The low input bias current of the INA186 permits the use of larger current-sense resistors, thus providing accurate current measurements in the microamp range. The low offset voltage of the zero-drift architecture extends the dynamic range of the current measurement. This feature allows for smaller sense resistors with lower power loss, while still providing accurate current measurements.

The INA186 operates from a single 1.7-V to 5.5-V power supply, and draws a maximum of 90 µA of supply current . Five fixed gain options are available: 25 V/V, 50 V/V, 100 V/V, 200 V/V, or 500 V/V. The device is specified over the operating temperature range of –40°C to +125°C, and offered in SC70, SOT-23-THIN, and DSBGA packages. The SC70 and SOT-23 (DDF) packages support bidirectional current measurement, whereas the DSBGA package only supports current measurement in one direction.

Subscribe to Welllinkchips !
Your Name
* Email
Submit a request