0
ESDS312
  • ESDS312
  • ESDS312

ESDS312

ACTIVE

Dual 4.5-pF, 3.6-V, ±30-kV ESD protection diode with 25-A 8/20-uS surge rating for USB and Ethernet

Texas Instruments ESDS312 Product Info

1 April 2026 0

Parameters

Number of channels

2

Vrwm (V)

3.6

Bi-/uni-directional

Uni-Directional

Package name

SOT-23-6

Peak pulse power (8/20 μs) (max) (W)

170

IO capacitance (typ) (pF)

4.5

IEC 61000-4-2 contact (±V)

30000

IEC 61000-4-5 (A)

25

Features

Surge protection

Clamping voltage (V)

6.5

Interface type

Ethernet, General purpose, USB 2.0

Breakdown voltage (min) (V)

4.5

IO leakage current (max) (nA)

50

Rating

Catalog

Operating temperature range (°C)

-40 to 125

Package

SOT-23 (DBV)-5-8.12 mm² 2.9 x 2.8

Features

  • IEC 61000-4-2 ESD protection:
    • ±30kV Contact Discharge
    • ±30kV Air Gap Discharge
  • IEC 61000-4-4 EFT protection:
    • 80A (5/50ns)
  • IEC 61000-4-5 surge protection:
    • 25A (8/20µs)
  • IO capacitance:
    • 4.5pF (typical)
  • DC breakdown voltage: 5.5V (minimum)
  • Ultra low leakage current: 5nA (typical)
  • Supports high speed interfaces up to 5Gbps
  • Industrial temperature range: –40°C to +125°C
  • Easy flow-through routing package (ESDS312)
  • IEC 61000-4-2 ESD protection:
    • ±30kV Contact Discharge
    • ±30kV Air Gap Discharge
  • IEC 61000-4-4 EFT protection:
    • 80A (5/50ns)
  • IEC 61000-4-5 surge protection:
    • 25A (8/20µs)
  • IO capacitance:
    • 4.5pF (typical)
  • DC breakdown voltage: 5.5V (minimum)
  • Ultra low leakage current: 5nA (typical)
  • Supports high speed interfaces up to 5Gbps
  • Industrial temperature range: –40°C to +125°C
  • Easy flow-through routing package (ESDS312)

Description

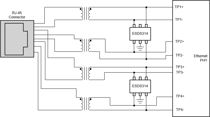
The ESDS31x devices are unidirectional TVS ESD protection diode array for Ethernet, USB and general purpose data line surge protection up to 25A (8/20µs). The ESDS31x devices are rated to dissipate ESD strikes above the maximum level specified in the IEC 61000-4-2 international standard (Level 4).

The devices feature a 4.5pF IO capacitance per channel making the device an excellent choice for protecting high-speed interfaces such as Ethernet 10/100/1000, USB 2.0 and GPIO. The low dynamic resistance and low clamping voltage provides system level protection against transient events.

The ESDS31x devices are unidirectional TVS ESD protection diode array for Ethernet, USB and general purpose data line surge protection up to 25A (8/20µs). The ESDS31x devices are rated to dissipate ESD strikes above the maximum level specified in the IEC 61000-4-2 international standard (Level 4).

The devices feature a 4.5pF IO capacitance per channel making the device an excellent choice for protecting high-speed interfaces such as Ethernet 10/100/1000, USB 2.0 and GPIO. The low dynamic resistance and low clamping voltage provides system level protection against transient events.

Subscribe to Welllinkchips !
Your Name
* Email
Submit a request