0
DS92LV010A
  • DS92LV010A
  • DS92LV010A
  • DS92LV010A

DS92LV010A

ACTIVE

Bus LVDS 3.3/5.0-V single transceiver

Texas Instruments DS92LV010A Product Info

1 April 2026 0

Parameters

Function

Transceiver

Protocols

BLVDS

Number of transmitters

1

Number of receivers

1

Supply voltage (V)

3.3, 5

Signaling rate (Mbps)

100

Input signal

LVDS, LVTTL

Output signal

LVDS, LVTTL

Rating

Catalog

Operating temperature range (°C)

-40 to 85

Package

SOIC (D)-8-29.4 mm² 4.9 x 6

Features

  • Bus LVDS Signaling (BLVDS)
  • Designed for Double Termination Applications
  • Balanced Output Impedance
  • Lite Bus Loading 5pF Typical
  • Glitch Free Power Up/Down (Driver Disabled)
  • 3.3V or 5.0V Operation
  • ±1V Common Mode Range
  • ±100mV Receiver Sensitivity
  • High Signaling Rate Capability (Above 100 Mbps)
  • Low Power CMOS Design
  • Product Offered in 8 Lead SOIC Package
  • Industrial Temperature Range Operation

All trademarks are the property of their respective owners.

  • Bus LVDS Signaling (BLVDS)
  • Designed for Double Termination Applications
  • Balanced Output Impedance
  • Lite Bus Loading 5pF Typical
  • Glitch Free Power Up/Down (Driver Disabled)
  • 3.3V or 5.0V Operation
  • ±1V Common Mode Range
  • ±100mV Receiver Sensitivity
  • High Signaling Rate Capability (Above 100 Mbps)
  • Low Power CMOS Design
  • Product Offered in 8 Lead SOIC Package
  • Industrial Temperature Range Operation

All trademarks are the property of their respective owners.

Description

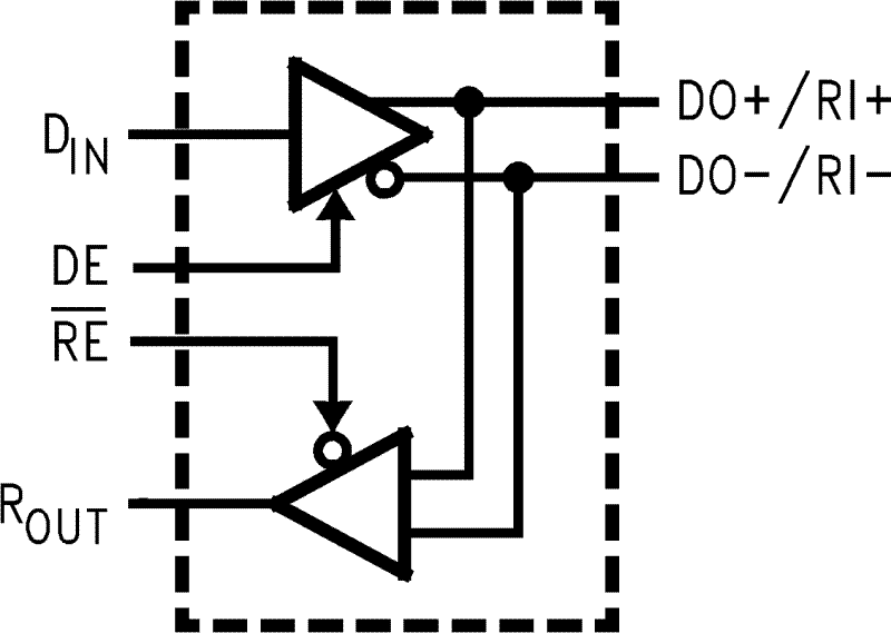
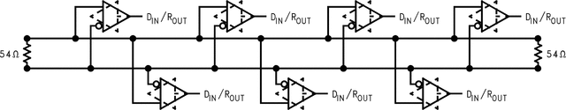
The DS92LV010A is one in a series of transceivers designed specifically for the high speed, low power proprietary bus backplane interfaces. The device operates from a single 3.3V or 5.0V power supply and includes one differential line driver and one receiver. To minimize bus loading the driver outputs and receiver inputs are internally connected. The logic interface provides maximum flexibility as 4 separate lines are provided (DIN, DE, RE, and ROUT). The device also features flow through which allows easy PCB routing for short stubs between the bus pins and the connector. The driver has 10 mA drive capability, allowing it to drive heavily loaded backplanes, with impedance as low as 27 Ohms.

The driver translates between TTL levels (single-ended) to Low Voltage Differential Signaling levels. This allows for high speed operation, while consuming minimal power with reduced EMI. In addition the differential signaling provides common mode noise rejection of ±1V.

The receiver threshold is ±100mV over a ±1V common mode range and translates the low voltage differential levels to standard (CMOS/TTL) levels.

The DS92LV010A is one in a series of transceivers designed specifically for the high speed, low power proprietary bus backplane interfaces. The device operates from a single 3.3V or 5.0V power supply and includes one differential line driver and one receiver. To minimize bus loading the driver outputs and receiver inputs are internally connected. The logic interface provides maximum flexibility as 4 separate lines are provided (DIN, DE, RE, and ROUT). The device also features flow through which allows easy PCB routing for short stubs between the bus pins and the connector. The driver has 10 mA drive capability, allowing it to drive heavily loaded backplanes, with impedance as low as 27 Ohms.

The driver translates between TTL levels (single-ended) to Low Voltage Differential Signaling levels. This allows for high speed operation, while consuming minimal power with reduced EMI. In addition the differential signaling provides common mode noise rejection of ±1V.

The receiver threshold is ±100mV over a ±1V common mode range and translates the low voltage differential levels to standard (CMOS/TTL) levels.

Subscribe to Welllinkchips !
Your Name
* Email
Submit a request