0
CD4051B-Q1
  • CD4051B-Q1
  • CD4051B-Q1
  • CD4051B-Q1

CD4051B-Q1

ACTIVE

Automotive 20-V, 8:1, 1-channel analog multiplexer with logic-level conversion

Texas Instruments CD4051B-Q1 Product Info

1 April 2026 1

Parameters

Configuration

8:1

Number of channels

1

Power supply voltage - single (V)

3.3, 5, 12, 16, 20

Power supply voltage - dual (V)

+/-10, +/-2.5, +/-5

Protocols

Analog

Ron (typ) (Ω)

125

CON (typ) (pF)

30

ON-state leakage current (max) (µA)

1

Supply current (typ) (µA)

0.04

Bandwidth (MHz)

20

Operating temperature range (°C)

-40 to 125

Features

Break-before-make

Input/output continuous current (max) (A)

0.01

Rating

Automotive

Drain supply voltage (max) (V)

20

Supply voltage (max) (V)

20

Negative rail supply voltage (max) (V)

0

Package

TSSOP (PW)-16-32 mm² 5 x 6.4

Features

  • AEC-Q100 qualified for automotive applications:
    • Temperature grade 1: –45°C to +125°C, TA
  • Wide range of digital and analog signal levels:
    • Digital: 3V to 20V
    • Analog: ≤ 20VP-P
  • Single supply range : 3V to 20V (performance degrades for VDD < 3V)
  • Dual Supply range: ± 3V to ± 10V
  • Low ON resistance, 125Ω (typical) over input range for VDD = 15V
  • Low channel leakage of ±10pA (typical) at VDD = 15V
  • Low quiescent power dissipation : 0.2µW (typical)
  • Bidirectional signal path
  • ESD protection HBM: 3000V, CDM: 2000V
  • Pin compatible with industry standard 4051
  • AEC-Q100 qualified for automotive applications:
    • Temperature grade 1: –45°C to +125°C, TA
  • Wide range of digital and analog signal levels:
    • Digital: 3V to 20V
    • Analog: ≤ 20VP-P
  • Single supply range : 3V to 20V (performance degrades for VDD < 3V)
  • Dual Supply range: ± 3V to ± 10V
  • Low ON resistance, 125Ω (typical) over input range for VDD = 15V
  • Low channel leakage of ±10pA (typical) at VDD = 15V
  • Low quiescent power dissipation : 0.2µW (typical)
  • Bidirectional signal path
  • ESD protection HBM: 3000V, CDM: 2000V
  • Pin compatible with industry standard 4051

Description

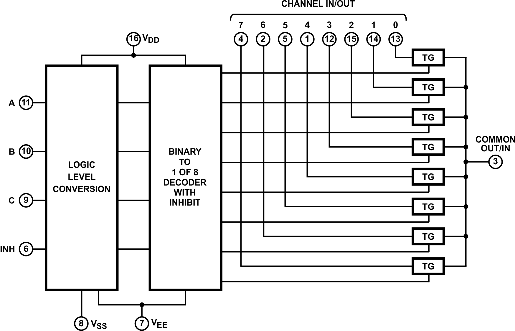
The CD4051B-Q1 analog multiplexers and demultiplexers are digitally-controlled analog switches having low ON impedance and very low OFF leakage current. These multiplexer circuits dissipate extremely low quiescent power over the full VDD – VSS and VDD – VEE supply-voltage ranges, independent of the logic state of the control signals.

The CD4051B-Q1 analog multiplexers and demultiplexers are digitally-controlled analog switches having low ON impedance and very low OFF leakage current. These multiplexer circuits dissipate extremely low quiescent power over the full VDD – VSS and VDD – VEE supply-voltage ranges, independent of the logic state of the control signals.

Subscribe to Welllinkchips !
Your Name
* Email
Submit a request