0
DS90LV049
  • DS90LV049
  • DS90LV049
  • DS90LV049

DS90LV049

ACTIVE

400-Mbps LVDS dual high-speed differential transceiver

Texas Instruments DS90LV049 Product Info

1 April 2026 0

Parameters

Function

Transceiver

Protocols

LVDS

Number of transmitters

2

Number of receivers

2

Supply voltage (V)

3.3

Signaling rate (Mbps)

400

Input signal

LVCMOS, LVDS, LVTTL

Output signal

LVCMOS, LVDS

Rating

Catalog

Operating temperature range (°C)

-40 to 85

Package

TSSOP (PW)-16-32 mm² 5 x 6.4

Features

  • Up to 400 Mbps Switching Rates
  • Flow-Through Pinout Simplifies PCB Layout
  • 50 ps Typical Driver Channel-to-Channel Skew
  • 50 ps Typical Receiver Channel-to-Channel Skew
  • 3.3 V Single Power Supply Design
  • TRI-STATE Output Control
  • Internal Fail-Safe Biasing of Receiver Inputs
  • Low Power Dissipation (70 mW at 3.3 V Static)
  • High Impedance on LVDS Outputs on Power Down
  • Conforms to TIA/EIA-644-A LVDS Standard
  • Industrial Operating Temperature Range (−40°C to +85°C)
  • Available in Low Profile 16 Pin TSSOP Package

All trademarks are the property of their respective owners.

  • Up to 400 Mbps Switching Rates
  • Flow-Through Pinout Simplifies PCB Layout
  • 50 ps Typical Driver Channel-to-Channel Skew
  • 50 ps Typical Receiver Channel-to-Channel Skew
  • 3.3 V Single Power Supply Design
  • TRI-STATE Output Control
  • Internal Fail-Safe Biasing of Receiver Inputs
  • Low Power Dissipation (70 mW at 3.3 V Static)
  • High Impedance on LVDS Outputs on Power Down
  • Conforms to TIA/EIA-644-A LVDS Standard
  • Industrial Operating Temperature Range (−40°C to +85°C)
  • Available in Low Profile 16 Pin TSSOP Package

All trademarks are the property of their respective owners.

Description

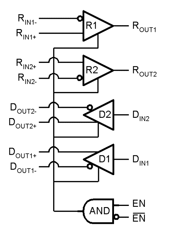
The DS90LV049 is a dual CMOS flow-through differential line driver-receiver pair designed for applications requiring ultra low power dissipation, exceptional noise immunity, and high data throughput. The device is designed to support data rates in excess of 400 Mbps utilizing Low Voltage Differential Signaling (LVDS) technology.

The DS90LV049 drivers accept LVTTL/LVCMOS signals and translate them to LVDS signals. On the other hand, the receivers accept LVDS signals and translate them to 3 V CMOS signals. The LVDS input buffers have internal failsafe biasing that places the outputs to a known H (high) state for floating receiver inputs. In addition, the DS90LV049 supports a TRI-STATE function for a low idle power state when the device is not in use.

The EN and EN inputs are ANDed together and control the TRI-STATE outputs. The enables are common to all four gates.

The DS90LV049 is a dual CMOS flow-through differential line driver-receiver pair designed for applications requiring ultra low power dissipation, exceptional noise immunity, and high data throughput. The device is designed to support data rates in excess of 400 Mbps utilizing Low Voltage Differential Signaling (LVDS) technology.

The DS90LV049 drivers accept LVTTL/LVCMOS signals and translate them to LVDS signals. On the other hand, the receivers accept LVDS signals and translate them to 3 V CMOS signals. The LVDS input buffers have internal failsafe biasing that places the outputs to a known H (high) state for floating receiver inputs. In addition, the DS90LV049 supports a TRI-STATE function for a low idle power state when the device is not in use.

The EN and EN inputs are ANDed together and control the TRI-STATE outputs. The enables are common to all four gates.

Subscribe to Welllinkchips !
Your Name
* Email
Submit a request