0
DS64BR111
  • DS64BR111
  • DS64BR111
  • DS64BR111

DS64BR111

ACTIVE

6.4-Gbps ultra low power 2-channel redriver with input equalization and output de-emphasis

Texas Instruments DS64BR111 Product Info

1 April 2026 1

Parameters

Type

Redriver

Number of channels

2

Speed (max) (Gbpp)

6.4

Input compatibility

AC-coupling, CML

Protocols

CPRI, Fibre Channel, General purpose, Infiniband, SAS/SATA, sRIO

Operating temperature range (°C)

-40 to 85

Package

WQFN (RTW)-24-16 mm² 4 x 4

Features

  • Two Channel Repeater for up to 6.4 Gbps
    • DS64BR111 : 1x Bidirectional Lane
  • Low 65mW/Channel (Typical) Power Consumption, with Option to Power Down Unused Channels
  • Advanced Signal Conditioning Features
    • Receive Equalization up to +25 dB
    • Transmit De-Emphasis up to -12 dB
    • Transmit VOD Control: 700 to 1200 mVp-p
    • < 0.2 UI of Residual DJ at 6.4 Gbps
  • Programmable via Pin Selection, EEPROM or SMBus Interface
  • Single Supply Operation Selectable: 2.5V or 3.3v
  • Flow-Thru Pinout in 4mmx4mm 24-Pin Leadless WQFN Package
  • >5kV HBM ESD Rating
  • Industrial -40 to 85°C Operating Temperature Range

All trademarks are the property of their respective owners.

  • Two Channel Repeater for up to 6.4 Gbps
    • DS64BR111 : 1x Bidirectional Lane
  • Low 65mW/Channel (Typical) Power Consumption, with Option to Power Down Unused Channels
  • Advanced Signal Conditioning Features
    • Receive Equalization up to +25 dB
    • Transmit De-Emphasis up to -12 dB
    • Transmit VOD Control: 700 to 1200 mVp-p
    • < 0.2 UI of Residual DJ at 6.4 Gbps
  • Programmable via Pin Selection, EEPROM or SMBus Interface
  • Single Supply Operation Selectable: 2.5V or 3.3v
  • Flow-Thru Pinout in 4mmx4mm 24-Pin Leadless WQFN Package
  • >5kV HBM ESD Rating
  • Industrial -40 to 85°C Operating Temperature Range

All trademarks are the property of their respective owners.

Description

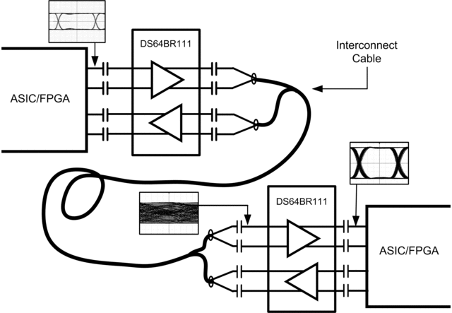
The DS64BR111 is an extremely low power, high performance dual-channel repeater for serial links with data rates up to 6.4 Gbps. The DS64BR111 pinout is configured as one bidirectional lane (one transmit, one receive channel).

The DS64BR111 features a powerful 4-stage continuous time linear equalizer (CTLE) to provide a boost of up to +25 dB at 3.2 GHz and open an input eye that is completely closed due to inter-symbol interference (ISI) induced by the interconnect mediums such as an FR-4 backplane or AWG-30 cables. The transmitter features a programmable output de-emphasis driver with up to -12 dB and allows amplitude voltage levels to be selected from 700 mVp-p to 1200 mVp-p to suit multiple application scenarios.

The programmable settings can be applied via pin settings, SMBus (I2C) protocol or an external EEPROM. When operating in the EEPROM mode, the configuration information is automatically loaded on power up – This eliminates the need for an external microprocessor or software driver.

Part of TI's PowerWise family of energy efficient devices, the DS64BR111 consumes just 65 mW/channel (typical), and allow the option to turn-off unused channels. This ultra low power consumption eliminates the need for external heat sinks and simplifies thermal management in active cable applications.

The DS64BR111 is an extremely low power, high performance dual-channel repeater for serial links with data rates up to 6.4 Gbps. The DS64BR111 pinout is configured as one bidirectional lane (one transmit, one receive channel).

The DS64BR111 features a powerful 4-stage continuous time linear equalizer (CTLE) to provide a boost of up to +25 dB at 3.2 GHz and open an input eye that is completely closed due to inter-symbol interference (ISI) induced by the interconnect mediums such as an FR-4 backplane or AWG-30 cables. The transmitter features a programmable output de-emphasis driver with up to -12 dB and allows amplitude voltage levels to be selected from 700 mVp-p to 1200 mVp-p to suit multiple application scenarios.

The programmable settings can be applied via pin settings, SMBus (I2C) protocol or an external EEPROM. When operating in the EEPROM mode, the configuration information is automatically loaded on power up – This eliminates the need for an external microprocessor or software driver.

Part of TI's PowerWise family of energy efficient devices, the DS64BR111 consumes just 65 mW/channel (typical), and allow the option to turn-off unused channels. This ultra low power consumption eliminates the need for external heat sinks and simplifies thermal management in active cable applications.

Subscribe to Welllinkchips !
Your Name
* Email
Submit a request