0
DS26C31MQML
  • DS26C31MQML
  • DS26C31MQML
  • DS26C31MQML
  • DS26C31MQML
  • DS26C31MQML

DS26C31MQML

ACTIVE

CMOS Quad TRI STATE Differential Line Drivers

Texas Instruments DS26C31MQML Product Info

1 April 2026 0

Parameters

Number of receivers

0

Number of transmitters

4

Duplex

Half

Supply voltage (nom) (V)

5

Signaling rate (max) (Mbps)

30

Fault protection (V)

-0.5 to 7

Common-mode range (V)

-14 to 14

Number of nodes

32

Isolated

No

Supply current (max) (µA)

2000

Rating

Military

Operating temperature range (°C)

-55 to 125

Package

CDIP (NFE)-16-134.209409 mm² 6.731 x 19.939

Features

  • TTL Input Compatible
  • Outputs Will Not Load Line When VCC = 0V
  • Meets the Requirements of EIA Standard RS-422
  • Operation from Single 5V Supply
  • TRI-STATE Outputs for Connection to System Buses
  • Low Quiescent Current

All trademarks are the property of their respective owners.

  • TTL Input Compatible
  • Outputs Will Not Load Line When VCC = 0V
  • Meets the Requirements of EIA Standard RS-422
  • Operation from Single 5V Supply
  • TRI-STATE Outputs for Connection to System Buses
  • Low Quiescent Current

All trademarks are the property of their respective owners.

Description

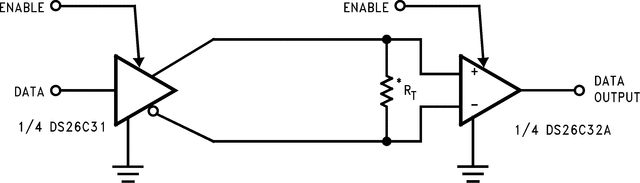
The DS26C31 is a quad differential line driver designed for digital data transmission over balanced lines. The DS26C31 meets all the requirements of EIA standard RS-422 while retaining the low power characteristics of CMOS. The DS26C31 is compatible with EIA standard RS-422; however, one exception in test methodology is taken. This enables the construction of serial and terminal interfaces while maintaining minimal power consumption.

The DS26C31 accepts TTL or CMOS input levels and translates these to RS-422 output levels. This part uses special output circuitry that enables the drivers to power down without loading down the bus. This device has enable and disable circuitry common to all four drivers. The DS26C31 is pin compatible to the AM26LS31 and the DS26LS31.

All inputs are protected against damage due to electrostatic discharge by diodes to VCC and ground.

The DS26C31 is a quad differential line driver designed for digital data transmission over balanced lines. The DS26C31 meets all the requirements of EIA standard RS-422 while retaining the low power characteristics of CMOS. The DS26C31 is compatible with EIA standard RS-422; however, one exception in test methodology is taken. This enables the construction of serial and terminal interfaces while maintaining minimal power consumption.

The DS26C31 accepts TTL or CMOS input levels and translates these to RS-422 output levels. This part uses special output circuitry that enables the drivers to power down without loading down the bus. This device has enable and disable circuitry common to all four drivers. The DS26C31 is pin compatible to the AM26LS31 and the DS26LS31.

All inputs are protected against damage due to electrostatic discharge by diodes to VCC and ground.

Subscribe to Welllinkchips !
Your Name
* Email
Submit a request