0
DS110DF1610
  • DS110DF1610
  • DS110DF1610

DS110DF1610

ACTIVE

8.5 to 11.3-Gbps 16 channel retimer

Texas Instruments DS110DF1610 Product Info

1 April 2026 1

Parameters

Type

Retimer Mux

Number of channels

16

Speed (max) (Gbpp)

11.3

Input compatibility

AC-coupling, CML

Protocols

10G-SR/LR, 40G-SR4/LR4, General purpose, Infiniband

Operating temperature range (°C)

-10 to 85

Package

FCBGA (ABB)-196-225 mm² 15 x 15

Features

  • Pin-Compatible Family
    • DS150DF1610: 12.5 - 15G
    • DS125DF1610: 9.8 to 12.5G
    • DS110DF1610: 8.5 – 11.3G
  • 4x4 Analog Cross Point Switch for Each Quad
  • Fully-Adaptive CTLE
  • Self-Tuning DFE, With Optional Continuous Adaption
  • On-Chip, AC-coupling on Receive Inputs
  • Adjustable Transmit VOD
  • Adjustable 3-Tap Transmit FIR Filter
  • Locks to Half/Quarter/Eighth Data Rates For Legacy Support
  • On-Chip Eye Monitor (EOM), PRBS Checker, PRBS Pattern Generator
  • Supports IEEE 1149.1 and 1149.6
  • Programmable Output Polarity Inversion
  • Input Signal Detection, CDR Lock Detection
  • Single 2.5-V ±5% Power Supply
  • SMBus-Based Register Configuration
  • Optional EEPROM Configuration
  • 15-mm × 15-mm, 196-Pin FCBGA Package
  • Operating Temp Range : –10°C to +85°C
  • Pin-Compatible Family
    • DS150DF1610: 12.5 - 15G
    • DS125DF1610: 9.8 to 12.5G
    • DS110DF1610: 8.5 – 11.3G
  • 4x4 Analog Cross Point Switch for Each Quad
  • Fully-Adaptive CTLE
  • Self-Tuning DFE, With Optional Continuous Adaption
  • On-Chip, AC-coupling on Receive Inputs
  • Adjustable Transmit VOD
  • Adjustable 3-Tap Transmit FIR Filter
  • Locks to Half/Quarter/Eighth Data Rates For Legacy Support
  • On-Chip Eye Monitor (EOM), PRBS Checker, PRBS Pattern Generator
  • Supports IEEE 1149.1 and 1149.6
  • Programmable Output Polarity Inversion
  • Input Signal Detection, CDR Lock Detection
  • Single 2.5-V ±5% Power Supply
  • SMBus-Based Register Configuration
  • Optional EEPROM Configuration
  • 15-mm × 15-mm, 196-Pin FCBGA Package
  • Operating Temp Range : –10°C to +85°C

Description

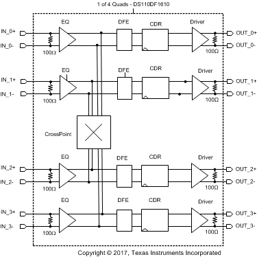
The DS110DF1610 is a sixteen-channel multi-rate retimer with integrated signal conditioning. The device includes a full adaptive Continuous Time Linear Equalizer (CTLE), Decision Feedback Equalizer (DFE), clock and data recovery (CDR), and a transmit FIR filter to enhance the reach and robustness over long, lossy, crosstalk impaired high speed serial links to achieve BER < 1×10-15.

Each channel of the DS110DF1610 independently locks to serial data at 8.5 to 11.3 Gbps and any supported sub-multiple. A simple external oscillator (±100ppm) that is synchronous or asynchronous with the incoming data stream can be used as a reference clock to speed up the lock process. Integrated 4x4 cross point switches allow for full non-blocking routing or broadcasting within each quad of the DS110DF1610.

Programmable transmit FIR filter offers control of the pre-cursor, main tap and post-cursor for transmit equalization. The fully adaptive receive equalization (CTLE and DFE) enables longer distance transmission in lossy copper interconnects and backplanes with multiple connectors.

A non-disruptive mission mode eye-monitor feature allows link monitoring internal to the receiver. The built-in PRBS generator and checker compliment the internal diagnostic features to complete standalone BERT measurements. Built-in JTAG enables manufacturing tests.

The DS110DF1610 is a sixteen-channel multi-rate retimer with integrated signal conditioning. The device includes a full adaptive Continuous Time Linear Equalizer (CTLE), Decision Feedback Equalizer (DFE), clock and data recovery (CDR), and a transmit FIR filter to enhance the reach and robustness over long, lossy, crosstalk impaired high speed serial links to achieve BER < 1×10-15.

Each channel of the DS110DF1610 independently locks to serial data at 8.5 to 11.3 Gbps and any supported sub-multiple. A simple external oscillator (±100ppm) that is synchronous or asynchronous with the incoming data stream can be used as a reference clock to speed up the lock process. Integrated 4x4 cross point switches allow for full non-blocking routing or broadcasting within each quad of the DS110DF1610.

Programmable transmit FIR filter offers control of the pre-cursor, main tap and post-cursor for transmit equalization. The fully adaptive receive equalization (CTLE and DFE) enables longer distance transmission in lossy copper interconnects and backplanes with multiple connectors.

A non-disruptive mission mode eye-monitor feature allows link monitoring internal to the receiver. The built-in PRBS generator and checker compliment the internal diagnostic features to complete standalone BERT measurements. Built-in JTAG enables manufacturing tests.

Subscribe to Welllinkchips !
Your Name
* Email
Submit a request