0
DRV8881
  • DRV8881
  • DRV8881
  • DRV8881
  • DRV8881
  • DRV8881
  • DRV8881
  • DRV8881

DRV8881

ACTIVE

45-V, 2-A bipolar stepper or dual h-bridge motor driver with current regulation & smart tune

Texas Instruments DRV8881 Product Info

1 April 2026 1

Parameters

Vs ABS (max) (V)

50

Vs (min) (V)

6.5

Peak output current (A)

2.5

Control mode

PH/EN, PWM

Control interface

Hardware (GPIO)

Number of full bridges

2

Full-scale current (A)

2

RDS(ON) (HS + LS) (mΩ)

630

Sleep current (µA)

28

Decay mode

Fast, Mixed, Slow, Smart Tune

Features

Current Regulation, Smart Tune

Rating

Catalog

Operating temperature range (°C)

-40 to 125

Package

HTSSOP (PWP)-28-62.08 mm² 9.7 x 6.4

Features

  • Dual H-Bridge Motor Driver
    • Bipolar Stepper Motor Driver
    • Single or Dual Brushed-DC Motor Driver
  • 6.5- to 45-V Operating Supply Voltage Range
  • Two Control Interface Options
    • PHASE/ENABLE (DRV8881E)
    • PWM (DRV8881P)
  • Multiple Decay Modes to Support Any Motor
    • Smart tune (DRV8881E Only)
    • Mixed Decay
    • Slow Decay
    • Fast Decay
  • Adaptive Blanking Time for Smooth Motion
  • Parallel Mode Operation (DRV8881P Only)
  • Configurable Off-Time PWM Chopping
    • 10, 20, or 30 µs Off-Time
  • 3.3-V, 10-mA LDO Regulator
  • Low-Current Sleep Mode (28 µA)
  • Small Package and Footprint
    • 28 HTSSOP (PowerPAD)
    • 28 WQFN (PowerPAD)
  • Protection Features
    • VM Undervoltage Lockout (UVLO)
    • Charge Pump Undervoltage (CPUV)
    • Overcurrent Protection (OCP)
    • Automatic OCP Retry
    • Thermal Shutdown (TSD)
    • Fault Condition Indication Pin (nFAULT)
  • Dual H-Bridge Motor Driver
    • Bipolar Stepper Motor Driver
    • Single or Dual Brushed-DC Motor Driver
  • 6.5- to 45-V Operating Supply Voltage Range
  • Two Control Interface Options
    • PHASE/ENABLE (DRV8881E)
    • PWM (DRV8881P)
  • Multiple Decay Modes to Support Any Motor
    • Smart tune (DRV8881E Only)
    • Mixed Decay
    • Slow Decay
    • Fast Decay
  • Adaptive Blanking Time for Smooth Motion
  • Parallel Mode Operation (DRV8881P Only)
  • Configurable Off-Time PWM Chopping
    • 10, 20, or 30 µs Off-Time
  • 3.3-V, 10-mA LDO Regulator
  • Low-Current Sleep Mode (28 µA)
  • Small Package and Footprint
    • 28 HTSSOP (PowerPAD)
    • 28 WQFN (PowerPAD)
  • Protection Features
    • VM Undervoltage Lockout (UVLO)
    • Charge Pump Undervoltage (CPUV)
    • Overcurrent Protection (OCP)
    • Automatic OCP Retry
    • Thermal Shutdown (TSD)
    • Fault Condition Indication Pin (nFAULT)

Description

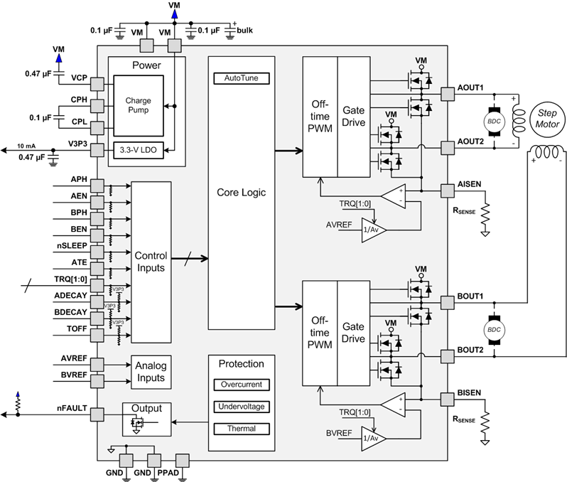
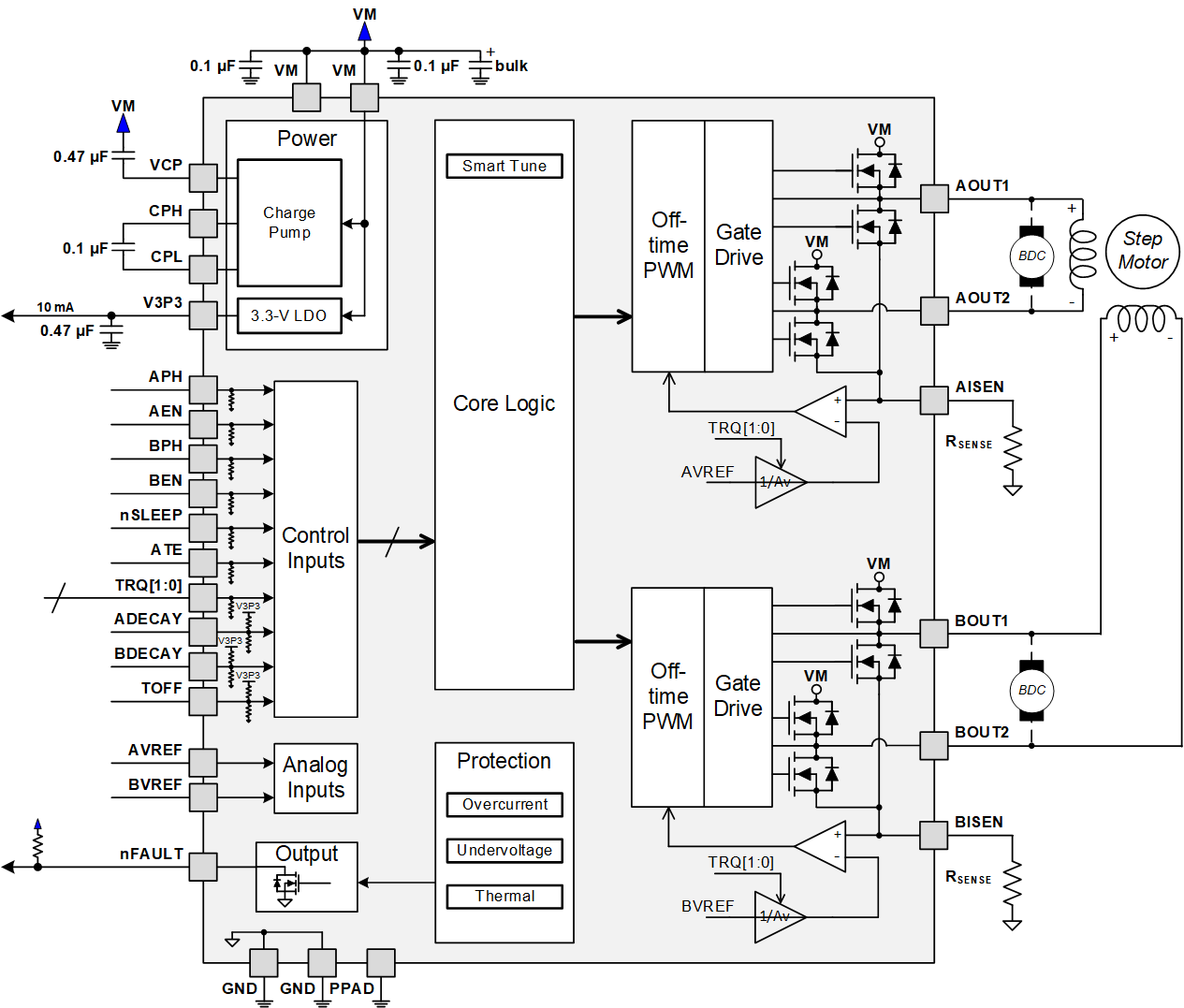
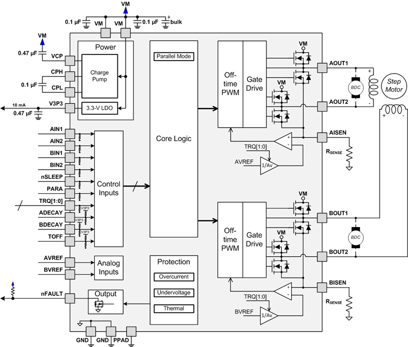
The DRV8881 is a bipolar stepper or brushed-DC motor driver for industrial applications. The device output stage consists of two N-channel power MOSFET H-bridge drivers. The DRV8881 is capable of driving up to 2.5-A peak current or 1.4-A rms current per H-bridge (with proper PCB ground plane for thermal dissipation and at 24 V and TA = 25°C).

Smart tune automatically tunes motors for optimal current regulation performance and compensates for motor variation and aging effects. Smart tune is available on the DRV8881E. Additionally, slow, fast, and mixed decay modes are available.

The PH/EN (DRV8881E) or PWM (DRV8881P) pins provide a simple control interface. An internal sense amplifier allows for adjustable current control. A low-power sleep mode is provided for very-low quiescent current standby using a dedicated nSLEEP pin.

Internal protection functions are provided for undervoltage, charge pump faults, overcurrent, short-circuits, and overtemperature. Fault conditions are indicated by a nFAULT pin.

The DRV8881 is a bipolar stepper or brushed-DC motor driver for industrial applications. The device output stage consists of two N-channel power MOSFET H-bridge drivers. The DRV8881 is capable of driving up to 2.5-A peak current or 1.4-A rms current per H-bridge (with proper PCB ground plane for thermal dissipation and at 24 V and TA = 25°C).

Smart tune automatically tunes motors for optimal current regulation performance and compensates for motor variation and aging effects. Smart tune is available on the DRV8881E. Additionally, slow, fast, and mixed decay modes are available.

The PH/EN (DRV8881E) or PWM (DRV8881P) pins provide a simple control interface. An internal sense amplifier allows for adjustable current control. A low-power sleep mode is provided for very-low quiescent current standby using a dedicated nSLEEP pin.

Internal protection functions are provided for undervoltage, charge pump faults, overcurrent, short-circuits, and overtemperature. Fault conditions are indicated by a nFAULT pin.

Subscribe to Welllinkchips !
Your Name
* Email
Submit a request