0
DRV8323
  • DRV8323
  • DRV8323
  • DRV8323

DRV8323

ACTIVE

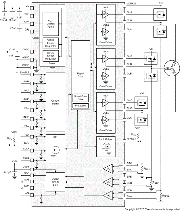
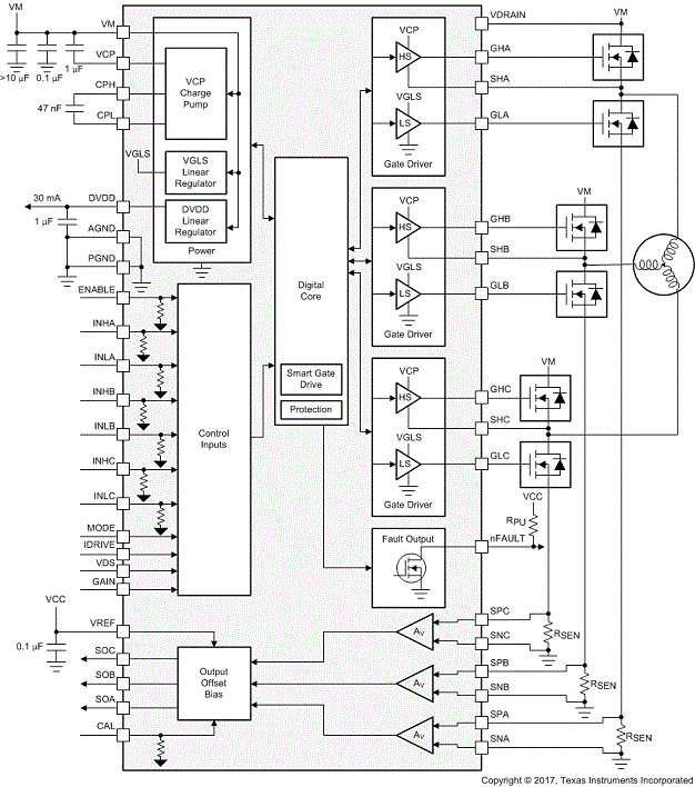
65-V max 3-phase smart gate driver with current shunt amplifiers

Texas Instruments DRV8323 Product Info

1 April 2026 3

Parameters

Rating

Catalog

Architecture

Gate driver

Control interface

1xPWM, 3xPWM, 6xPWM

Gate drive (A)

1

Vs (min) (V)

6

Vs ABS (max) (V)

65

Features

Current sense Amplifier, Hardware Management I/F, SPI/I2C, Smart Gate Drive

Operating temperature range (°C)

-40 to 125

Package

WQFN (RTA)-40-36 mm² 6 x 6

Features

DRV8323

Description

DRV8323:65-V max 3-phase smart gate driver with current shunt amplifiers.Package:WQFN (RTA)-40-36 mm² 6 x 6

Subscribe to Welllinkchips !
Your Name
* Email
Submit a request