0
VSP5610
  • VSP5610
  • VSP5610

VSP5610

ACTIVE

16 bit, 35MSPS Four Channel Imaging Analog Front End

Texas Instruments VSP5610 Product Info

1 April 2026 0

Parameters

Resolution (Bits)

16

Number of channels

4

Sample rate (Msps)

35

Gain (min) (dB)

-6

Gain (max) (dB)

17

Pd (typ) (mW)

339

Supply voltage (max) (V)

3.3

Operating temperature range (°C)

0 to 85

Output data format

CMOS Parallel, LVDS

Rating

Catalog

Package

VQFN (RSH)-56-49 mm² 7 x 7

Features

  • Four-Channel CCD/CMOS Signal: 2-Channel, 3-Channel, and 4-Channel Selectable
  • Power Supply: 3.3 V Only, Typ
    (Built-in LDO, 3.3 V to 1.8 V)
  • Maximum Conversion Rate:
    • VSP5610: 35 MSPS
    • VSP5611: 50 MSPS
    • VSP5612: 70 MSPS
  • 16-Bit Resolution
  • CDS/SH Selectable
  • Maximum Input Signal Range: 2.0 V
  • Analog and Digital Hybrid Gain:
    • Analog Gain: 0.5 V/V to 3.5 V/V in
      3/64-V/V Steps
    • Digital Gain: 1 V/V to 2 V/V in
      1/256-V/V Steps
  • Offset Correction DAC: ±250 mV, 8-Bit
  • Standard LVDS/CMOS Selectable Output:
    • LVDS:Data Channel: 2-Channel, 3-ChannelClock Channel: 1-Channel8-Bit/7-Bit Serializer Selectable
    • CMOS: 4 Bits × 4, 8 Bits × 2
  • Timing Generator:
    • Fast Transfer Clock: Eight Signals
    • Slow Transfer Clock: Six Signals
  • Timing Adjustment Resolution: tMCLK/48
  • Input Clamp/Input Reference Level Internal/External Selectable
  • Reference DAC: 0.5 V, 1.1 V, 1.5 V, 2 V
  • SPI™: Three-Wire Serial
  • GPIO: Four-Port
  • APPLICATIONS
    • Copiers
    • Facsimile Machines
    • Scanners
  • SPI is a trademark of Motorola.
    All other trademarks are the property of their respective owners.

    • Four-Channel CCD/CMOS Signal: 2-Channel, 3-Channel, and 4-Channel Selectable
    • Power Supply: 3.3 V Only, Typ
      (Built-in LDO, 3.3 V to 1.8 V)
    • Maximum Conversion Rate:
      • VSP5610: 35 MSPS
      • VSP5611: 50 MSPS
      • VSP5612: 70 MSPS
    • 16-Bit Resolution
    • CDS/SH Selectable
    • Maximum Input Signal Range: 2.0 V
    • Analog and Digital Hybrid Gain:
      • Analog Gain: 0.5 V/V to 3.5 V/V in
        3/64-V/V Steps
      • Digital Gain: 1 V/V to 2 V/V in
        1/256-V/V Steps
    • Offset Correction DAC: ±250 mV, 8-Bit
    • Standard LVDS/CMOS Selectable Output:
      • LVDS:Data Channel: 2-Channel, 3-ChannelClock Channel: 1-Channel8-Bit/7-Bit Serializer Selectable
      • CMOS: 4 Bits × 4, 8 Bits × 2
    • Timing Generator:
      • Fast Transfer Clock: Eight Signals
      • Slow Transfer Clock: Six Signals
    • Timing Adjustment Resolution: tMCLK/48
    • Input Clamp/Input Reference Level Internal/External Selectable
    • Reference DAC: 0.5 V, 1.1 V, 1.5 V, 2 V
    • SPI™: Three-Wire Serial
    • GPIO: Four-Port
  • APPLICATIONS
    • Copiers
    • Facsimile Machines
    • Scanners
  • SPI is a trademark of Motorola.
    All other trademarks are the property of their respective owners.

    Description

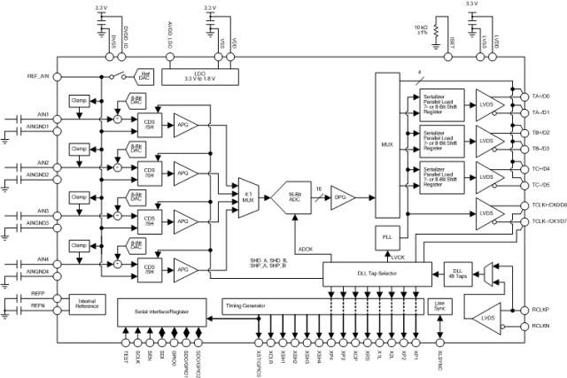
    The VSP5610/11/12 are high-speed, high-performance, 16-bit analog-to-digital-converters (ADCs) that have four independent sampling circuit channels for multi-output charge-coupled device (CCD) and complementary metal oxide semiconductor (CMOS) line sensors. Pixel data from the sensor are sampled by the sample/hold (SH) or correlated double sampler (CDS) circuit, and are then converted to digital data by an ADC. Data output is selectable in low-voltage differential signaling (LVDS) or CMOS modes.

    The VSP5610/11/12 include a programmable gain to support the pixel level inflection caused by luminance. The integrated digital-to-analog-converter (DAC) can be used to adjust the offset level for the analog input signal. Furthermore, the timing generator (TG) is integrated in these devices for the control of sensor operation.

    The VSP5610/11/12 use 1.65 V to 1.95 V for the core voltage and 3.0 V to 3.6 V for I/Os. The core voltage is supplied by a built-in low-dropout regulator (LDO).

    The VSP5610/11/12 are high-speed, high-performance, 16-bit analog-to-digital-converters (ADCs) that have four independent sampling circuit channels for multi-output charge-coupled device (CCD) and complementary metal oxide semiconductor (CMOS) line sensors. Pixel data from the sensor are sampled by the sample/hold (SH) or correlated double sampler (CDS) circuit, and are then converted to digital data by an ADC. Data output is selectable in low-voltage differential signaling (LVDS) or CMOS modes.

    The VSP5610/11/12 include a programmable gain to support the pixel level inflection caused by luminance. The integrated digital-to-analog-converter (DAC) can be used to adjust the offset level for the analog input signal. Furthermore, the timing generator (TG) is integrated in these devices for the control of sensor operation.

    The VSP5610/11/12 use 1.65 V to 1.95 V for the core voltage and 3.0 V to 3.6 V for I/Os. The core voltage is supplied by a built-in low-dropout regulator (LDO).

    Subscribe to Welllinkchips !
    Your Name
    * Email
    Submit a request