0
DRV3201-Q1
  • DRV3201-Q1
  • DRV3201-Q1
  • DRV3201-Q1

DRV3201-Q1

ACTIVE

Automotive 12-V battery 3-phase gate driver with current shunt amplifiers & enhanced protection

Texas Instruments DRV3201-Q1 Product Info

1 April 2026 0

Parameters

Rating

Automotive

Architecture

Gate driver

Control interface

3xPWM, 6xPWM

Gate drive (A)

1

Vs (min) (V)

4.75

Vs ABS (max) (V)

38

Features

Current sense Amplifier, SPI/I2C

Operating temperature range (°C)

-40 to 125

TI functional safety category

Functional Safety-Compliant

Package

HTQFP (PAP)-64-144 mm² 12 x 12

Features

  • Qualified for Automotive Applications
  • AEC-Q100 Test Guidance With the Following Results:
    • Device Temperature Grade 1: –40°C to 125°C Ambient Operating Temperature
    • Device HBM ESD Classification Level 2
    • Device CDM ESD Classification Level C3
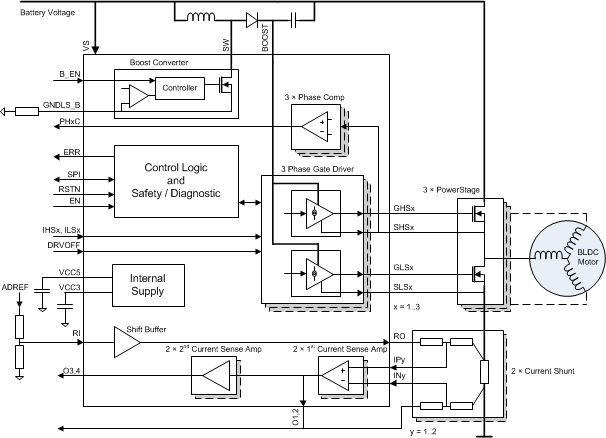
  • 3 Phase Bridge Driver for Motor Control
  • Drives 6 Separate N-Channel Power MOSFETs up to 250-nC Gate Charge
  • Programmable 140-mA to 1-A Gate Current Drive (Source/Sink) for Easy Output Slope Adjustment
  • –7-V to 40-V Compliance on All FET Driver Pins to Handle Inductive Undershooting and Overshooting
  • Separate Control Input for Each Power MOSFET
  • PWM Frequency up to 30 kHz
  • Supports 100% Duty Cycle Operation
  • Operating Voltage: 4.75 to 30 V
  • Proper Low Supply Voltage Operation Due to Integrated Boost Converter for Gate-Driver Voltage Generation
  • Logic Functional Down to 3 V
  • Short Circuit Protection With VDS-Monitoring and Adjustable Detection Level
  • Two Integrated High Accuracy Current Sense Amplifiers With Two Gain-Programmable Second Stage for Higher Resolution at Low Load Current Operation
  • Overvoltage and Undervoltage Protection
  • Shoot-Through Protection With Programmable Dead Time
  • Three Real Time Phase Comparators
  • Overtemperature Warning and Shut Down
  • Sophisticated Failure Detection and Handling Through SPI Interface
  • Sleep Mode Function
  • Reset and Enable Function
  • Package: 64-pin HTQFP PowerPAD™
  • Qualified for Automotive Applications
  • AEC-Q100 Test Guidance With the Following Results:
    • Device Temperature Grade 1: –40°C to 125°C Ambient Operating Temperature
    • Device HBM ESD Classification Level 2
    • Device CDM ESD Classification Level C3
  • 3 Phase Bridge Driver for Motor Control
  • Drives 6 Separate N-Channel Power MOSFETs up to 250-nC Gate Charge
  • Programmable 140-mA to 1-A Gate Current Drive (Source/Sink) for Easy Output Slope Adjustment
  • –7-V to 40-V Compliance on All FET Driver Pins to Handle Inductive Undershooting and Overshooting
  • Separate Control Input for Each Power MOSFET
  • PWM Frequency up to 30 kHz
  • Supports 100% Duty Cycle Operation
  • Operating Voltage: 4.75 to 30 V
  • Proper Low Supply Voltage Operation Due to Integrated Boost Converter for Gate-Driver Voltage Generation
  • Logic Functional Down to 3 V
  • Short Circuit Protection With VDS-Monitoring and Adjustable Detection Level
  • Two Integrated High Accuracy Current Sense Amplifiers With Two Gain-Programmable Second Stage for Higher Resolution at Low Load Current Operation
  • Overvoltage and Undervoltage Protection
  • Shoot-Through Protection With Programmable Dead Time
  • Three Real Time Phase Comparators
  • Overtemperature Warning and Shut Down
  • Sophisticated Failure Detection and Handling Through SPI Interface
  • Sleep Mode Function
  • Reset and Enable Function
  • Package: 64-pin HTQFP PowerPAD™

Description

The bridge driver is dedicated to automotive 3 phase brushless DC motor control including safety relevant applications. It provides six dedicated drivers for normal level N-Channel MOSFET transistors. The driver capability is designed to handle gate charges of 250 nC, and the driver source/sink currents are programmable for easy output slope adjustment. The device also incorporates sophisticated diagnosis, protection and monitoring features through an SPI interface. A boost converter with integrated FET provides the overdrive voltage, allowing full control on the power-stages even for low battery voltage down to 4.75 V.

The bridge driver is dedicated to automotive 3 phase brushless DC motor control including safety relevant applications. It provides six dedicated drivers for normal level N-Channel MOSFET transistors. The driver capability is designed to handle gate charges of 250 nC, and the driver source/sink currents are programmable for easy output slope adjustment. The device also incorporates sophisticated diagnosis, protection and monitoring features through an SPI interface. A boost converter with integrated FET provides the overdrive voltage, allowing full control on the power-stages even for low battery voltage down to 4.75 V.

Subscribe to Welllinkchips !
Your Name
* Email
Submit a request