0
DRV2510-Q1
  • DRV2510-Q1
  • DRV2510-Q1
  • DRV2510-Q1

DRV2510-Q1

ACTIVE

Automotive 3A haptic driver for solenoids with integrated diagnostics and load-dump protection

Texas Instruments DRV2510-Q1 Product Info

1 April 2026 1

Parameters

Features

Enable, Integrated load-dump protection (40 V)

Haptic actuator type

Solenoid

Input signal

Analog

Output voltage (max) (V)

20

Shutdown current (ISD) (µA)

16

Startup time (ms)

229

Vs (max) (V)

18

Vs (min) (V)

4.5

Operating temperature range (°C)

-40 to 125

Rating

Automotive

Package

HTSSOP (PWP)-16-32 mm² 5 x 6.4

Features

  • AEC-Q100 Qualified for automotive applications:
    • Temperature grade 1: –40°C to 125°C, T A
  • Wide operating voltage ( 4.5 V - 18 V)
  • Integrated load-dump protection (40 V)
  • High current drive ( 3 A Peak)
  • Low R DS(on), full H-bridge output
  • Integrated diagnostics
  • Integrated fault protection
    • 40-V Load dump protection per ISO-7637-2
    • Short-circuit protection
    • Over-temperature protection
    • Over-voltage and under-voltage protection
    • Fault reporting
  • Analog input
  • I 2C communication
  • Dedicated interrupt pin
  • ISO9000: 2002 TS16949 certified
  • AEC-Q100 Qualified for automotive applications:
    • Temperature grade 1: –40°C to 125°C, T A
  • Wide operating voltage ( 4.5 V - 18 V)
  • Integrated load-dump protection (40 V)
  • High current drive ( 3 A Peak)
  • Low R DS(on), full H-bridge output
  • Integrated diagnostics
  • Integrated fault protection
    • 40-V Load dump protection per ISO-7637-2
    • Short-circuit protection
    • Over-temperature protection
    • Over-voltage and under-voltage protection
    • Fault reporting
  • Analog input
  • I 2C communication
  • Dedicated interrupt pin
  • ISO9000: 2002 TS16949 certified

Description

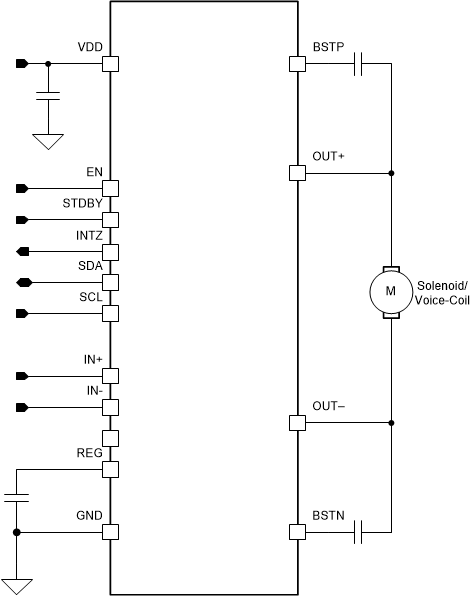
The DRV2510-Q1 device is a high current haptic driver specifically designed for inductive loads, such as solenoids and voice coils.

The output stage consists of a full H-bridge capable of delivering 3 A of peak current.

The DRV2510-Q1 device provides protection functions such as undervoltage lockout, over-current protection and over-temperature protection.

The DRV2510-Q1 device is automotive qualified. The integrated load-dump protection reduces external voltage clamp cost and size, and the onboard load diagnostics report the status of the actuator through the digital interface.

The DRV2510-Q1 device is a high current haptic driver specifically designed for inductive loads, such as solenoids and voice coils.

The output stage consists of a full H-bridge capable of delivering 3 A of peak current.

The DRV2510-Q1 device provides protection functions such as undervoltage lockout, over-current protection and over-temperature protection.

The DRV2510-Q1 device is automotive qualified. The integrated load-dump protection reduces external voltage clamp cost and size, and the onboard load diagnostics report the status of the actuator through the digital interface.

Subscribe to Welllinkchips !
Your Name
* Email
Submit a request