0
CSD97370AQ5M
  • CSD97370AQ5M
  • CSD97370AQ5M

CSD97370AQ5M

ACTIVE

30 V 25 A SON 5 x 6 mm synchronous buck NexFET™ power stage with 4 V PWM logic level high

Texas Instruments CSD97370AQ5M Product Info

1 April 2026 1

Parameters

Rating

Catalog

VDS (V)

30

Ploss current (A)

25

Features

Ultra-low inductance package

Operating temperature range (°C)

-55 to 150

Package

LSON-CLIP (DQP)-22-30 mm² 6 x 5

Features

  • 90% System Efficiency at 25A
  • Input Voltages up to 22V
  • High Frequency Operation (Up To 2MHz)
  • Incorporates Power Block Technology
  • High Density – SON 5-mm × 6-mm Footprint
  • Low Power Loss 2.8W at 25A
  • Ultra Low Inductance Package
  • System Optimized PCB Footprint
  • Universal 5V PWM Signal Compatibility
  • 3-State PWM Input
  • Integrated Bootstrap Diode
  • Pre-Bias Start-Up Protection
  • Shoot Through Protection
  • RoHS Compliant – Lead Free Terminal Plating Halogen Free
  • 90% System Efficiency at 25A
  • Input Voltages up to 22V
  • High Frequency Operation (Up To 2MHz)
  • Incorporates Power Block Technology
  • High Density – SON 5-mm × 6-mm Footprint
  • Low Power Loss 2.8W at 25A
  • Ultra Low Inductance Package
  • System Optimized PCB Footprint
  • Universal 5V PWM Signal Compatibility
  • 3-State PWM Input
  • Integrated Bootstrap Diode
  • Pre-Bias Start-Up Protection
  • Shoot Through Protection
  • RoHS Compliant – Lead Free Terminal Plating Halogen Free

Description

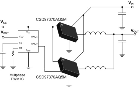
The CSD97370AQ5M NexFET Power Stage is an optimized design for use in a high power, high density Synchronous Buck converter. This product integrates an enhanced gate driver IC and Power Block Technology to complete the power stage switching function. This combination produces a high current, high efficiency, high speed switching device and delivers an excellent thermal solution in a small 5-mm × 6-mm outline package due to its large ground based thermal pad. In addition, the PCB footprint has been optimized to help reduce design time and simplify the completion of the overall system design.

The CSD97370AQ5M NexFET Power Stage is an optimized design for use in a high power, high density Synchronous Buck converter. This product integrates an enhanced gate driver IC and Power Block Technology to complete the power stage switching function. This combination produces a high current, high efficiency, high speed switching device and delivers an excellent thermal solution in a small 5-mm × 6-mm outline package due to its large ground based thermal pad. In addition, the PCB footprint has been optimized to help reduce design time and simplify the completion of the overall system design.

Subscribe to Welllinkchips !
Your Name
* Email
Submit a request