0
TLC5946
  • TLC5946
  • TLC5946
  • TLC5946
  • TLC5946
  • TLC5946

TLC5946

ACTIVE

16-channel, 12-bit PWM LED driver with 6-bit dot correction

Texas Instruments TLC5946 Product Info

1 April 2026 2

Parameters

Features

Dot Correction, Error Flag, Fault Detection, LED Open Detection, LED Short to Ground Detection, LED Short to VLED Detection, PWM LED Driver, Power good

Analog dimming steps

64

Data transfer rate (typ) (MHz)

30

Ch to ch accuracy (typ) (±%)

1

Rating

Catalog

Operating temperature range (°C)

-40 to 85

Package

HTSSOP (PWP)-28-62.08 mm² 9.7 x 6.4

Features

  • 16 Channels, Constant Current Sink Output
  • 40-mA Capability (Constant Current Sink)
  • 12-Bit (4096 Steps) Grayscale PWM Control
  • 6-Bit (64 Steps) Dot Correction
  • LED Power-Supply Voltage up to 17 V
  • VCC = 3.0 V to 5.5 V
  • Constant Current Accuracy:
    • Channel-to-Channel = ±1% (typ)
    • Device-to-Device = ±2% (typ)
  • 30-MHz Data Transfer Rate
  • 33-MHz Grayscale PWM Clock
  • Extended Serial Interface
  • CMOS Level I/O
  • Schmitt Buffer Input
  • Readable Error Information:
    • Continuous Base LED Open Detection (LOD)
    • Thermal Error Flag (TEF)
  • Noise Reduction:
    • 4-Channel Grouped Delay
  • Operating Temperature: -40°C to +85°C
  • APPLICATIONS
    • Monochrome, Multicolor, Full-Color LED Displays
    • LED Signboards
    • Display Backlighting

PowerPAD is a trademark of Texas Instruments, Inc.

  • 16 Channels, Constant Current Sink Output
  • 40-mA Capability (Constant Current Sink)
  • 12-Bit (4096 Steps) Grayscale PWM Control
  • 6-Bit (64 Steps) Dot Correction
  • LED Power-Supply Voltage up to 17 V
  • VCC = 3.0 V to 5.5 V
  • Constant Current Accuracy:
    • Channel-to-Channel = ±1% (typ)
    • Device-to-Device = ±2% (typ)
  • 30-MHz Data Transfer Rate
  • 33-MHz Grayscale PWM Clock
  • Extended Serial Interface
  • CMOS Level I/O
  • Schmitt Buffer Input
  • Readable Error Information:
    • Continuous Base LED Open Detection (LOD)
    • Thermal Error Flag (TEF)
  • Noise Reduction:
    • 4-Channel Grouped Delay
  • Operating Temperature: -40°C to +85°C
  • APPLICATIONS
    • Monochrome, Multicolor, Full-Color LED Displays
    • LED Signboards
    • Display Backlighting

PowerPAD is a trademark of Texas Instruments, Inc.

Description

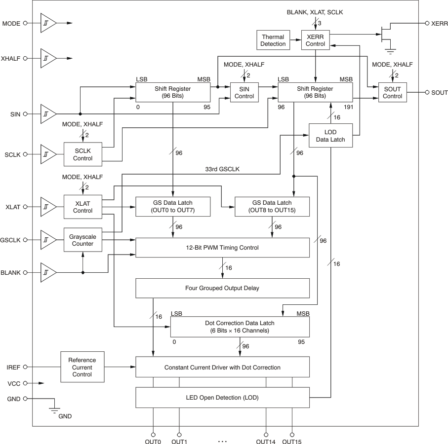
The TLC5946 is a 16-channel, constant current sink LED driver. Each channel is individually adjustable with 4096 pulse-width modulated (PWM) steps and 64 constant current sink steps for dot correction. The dot correction adjusts the brightness variations between LEDs. Both grayscale control and dot correction are accessible via a serial interface. The maximum current value of all 16 channels can be set by a single external resistor.

The TLC5946 has two error information circuits: one for LED open detection (LOD), and a thermal error flag (TEF). LOD detects a broken or disconnected LED during display period. TEF indicates an over-temperature condition.

The TLC5946 is a 16-channel, constant current sink LED driver. Each channel is individually adjustable with 4096 pulse-width modulated (PWM) steps and 64 constant current sink steps for dot correction. The dot correction adjusts the brightness variations between LEDs. Both grayscale control and dot correction are accessible via a serial interface. The maximum current value of all 16 channels can be set by a single external resistor.

The TLC5946 has two error information circuits: one for LED open detection (LOD), and a thermal error flag (TEF). LOD detects a broken or disconnected LED during display period. TEF indicates an over-temperature condition.

Subscribe to Welllinkchips !
Your Name
* Email
Submit a request