0
CSD19533Q5A
  • CSD19533Q5A
  • CSD19533Q5A

CSD19533Q5A

ACTIVE

100-V, N channel NexFET™ power MOSFET, single SON 5 mm x 6 mm, 9.5 mOhm

Texas Instruments CSD19533Q5A Product Info

1 April 2026 0

Parameters

VDS (V)

100

VGS (V)

20

Type

N-channel

Configuration

Single

Rds(on) at VGS=10 V (max) (mΩ)

9.5

VGSTH typ (typ) (V)

2.8

QG (typ) (nC)

27

QGD (typ) (nC)

4.9

QGS (typ) (nC)

7.9

ID - silicon limited at TC=25°C (A)

75

ID - package limited (A)

100

Logic level

No

Rating

Catalog

Operating temperature range (°C)

-55 to 150

Package

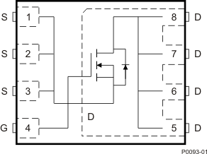
VSONP (DQJ)-8-29.4 mm² 4.9 x 6

Features

  • Ultra-Low Qg and Qgd
  • Low Thermal Resistance
  • Avalanche Rated
  • Pb-Free Terminal Plating
  • RoHS Compliant
  • Halogen Free
  • SON 5-mm × 6-mm Plastic Package
  • Ultra-Low Qg and Qgd
  • Low Thermal Resistance
  • Avalanche Rated
  • Pb-Free Terminal Plating
  • RoHS Compliant
  • Halogen Free
  • SON 5-mm × 6-mm Plastic Package

Description

This 100 V, 7.8 mΩ, SON 5 mm × 6 mm NexFET power MOSFET is designed to minimize losses in power conversion applications.

This 100 V, 7.8 mΩ, SON 5 mm × 6 mm NexFET power MOSFET is designed to minimize losses in power conversion applications.

Subscribe to Welllinkchips !
Your Name
* Email
Submit a request