0
CSD18533Q5A
  • CSD18533Q5A
  • CSD18533Q5A

CSD18533Q5A

ACTIVE

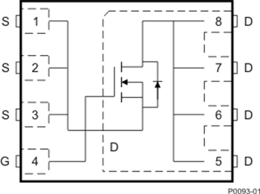
60-V, N channel NexFET™ power MOSFET, single SON 5 mm x 6 mm, 5.9 mOhm

Texas Instruments CSD18533Q5A Product Info

1 April 2026 0

Parameters

VDS (V)

60

VGS (V)

20

Type

N-channel

Configuration

Single

Rds(on) at VGS=10 V (max) (mΩ)

5.9

Rds(on) at VGS=4.5 V (max) (mΩ)

8.5

VGSTH typ (typ) (V)

1.9

QG (typ) (nC)

29

QGD (typ) (nC)

5.4

QGS (typ) (nC)

6.6

ID - silicon limited at TC=25°C (A)

103

ID - package limited (A)

100

Logic level

Yes

Rating

Catalog

Operating temperature range (°C)

-55 to 150

Package

VSONP (DQJ)-8-29.4 mm² 4.9 x 6

Features

  • Ultra Low Qg and Qgd
  • Low Thermal Resistance
  • Avalanche Rated
  • Logic Level
  • Pb Free Terminal Plating
  • RoHS Compliant
  • Halogen Free
  • SON 5 mm × 6 mm Plastic Package
  • Ultra Low Qg and Qgd
  • Low Thermal Resistance
  • Avalanche Rated
  • Logic Level
  • Pb Free Terminal Plating
  • RoHS Compliant
  • Halogen Free
  • SON 5 mm × 6 mm Plastic Package

Description

This 4.7 mΩ, 60 V, SON 5 × 6 mm NexFET™ power MOSFET is designed to minimize losses in power conversion applications.

This 4.7 mΩ, 60 V, SON 5 × 6 mm NexFET™ power MOSFET is designed to minimize losses in power conversion applications.

Subscribe to Welllinkchips !
Your Name
* Email
Submit a request