0
CDC3S04
  • CDC3S04
  • CDC3S04

CDC3S04

ACTIVE

Quad sine-wave clock buffer with LDO

Texas Instruments CDC3S04 Product Info

1 April 2026 1

Parameters

Number of outputs

4

Additive RMS jitter (typ) (fs)

300

Core supply voltage (V)

1.8

Output supply voltage (V)

1.8

Output skew (ps)

50

Operating temperature range (°C)

-40 to 85

Rating

Catalog

Output type

SINE

Input type

SINE

Package

DSBGA (YFF)-20-3.96 mm² 1.8 x 2.2

Features

  • 1:4 Low-Jitter Clock Buffer
  • Single-Ended Sine-Wave Clock Input and Outputs
  • Ultralow Phase Noise and Standby Current
  • Individual Clock Request Inputs for Each Output
  • On-Chip Low-Dropout Output (LDO) for Low-Noise TCXO Supply
  • Serial I2C Interface (Compatible With High-Speed Mode,
    3.4 Mbit/s)
  • 1.8-V Device Power Supply
  • Wide Temperature Range, –40°C to 85°C
  • ESD Protection: 2 KV HBM, 750 V CDM, and 100 V MM
  • Small 20-Pin Chip-Scale Package: 0.4-mm Pitch WCSP (1.6 mm × 2 mm)
  • 1:4 Low-Jitter Clock Buffer
  • Single-Ended Sine-Wave Clock Input and Outputs
  • Ultralow Phase Noise and Standby Current
  • Individual Clock Request Inputs for Each Output
  • On-Chip Low-Dropout Output (LDO) for Low-Noise TCXO Supply
  • Serial I2C Interface (Compatible With High-Speed Mode,
    3.4 Mbit/s)
  • 1.8-V Device Power Supply
  • Wide Temperature Range, –40°C to 85°C
  • ESD Protection: 2 KV HBM, 750 V CDM, and 100 V MM
  • Small 20-Pin Chip-Scale Package: 0.4-mm Pitch WCSP (1.6 mm × 2 mm)

Description

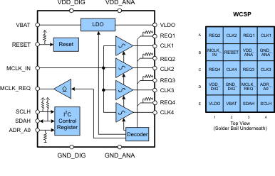
The CDC3S04 is a four-channel low-power low-jitter sine-wave clock buffer. It can be used to buffer a single master clock to multiple peripherals. The four sine-wave outputs (CLK1–CLK4) are designed for minimal channel-to-channel skew and ultralow additive output jitter.

Each output has its own clock request inputs which enables the dedicated clock output. These clock requests are active-high (can also be changed to be active-low via I2C), and an output signal is generated that can be sent back to the master clock to request the clock (MCLK_REQ). MCKL_REQ is an open-source output and supports the wired-OR function (default mode). It needs an external pulldown resistor. MCKL_REQ can be changed to wired-AND or push-pull functionality via I2C.

The CDC3S04 also provides an I2C interface (Hs-mode) that can be used to enable or disable the outputs, select the polarity of the REQ inputs, and allow control of internal decoding.

The CDC3S04 features an on-chip high-performance LDO that accepts voltages from 2.3 V to 5.5 V and outputs a 1.8-V supply. This 1.8-V supply can be used to power an external 1.8-V TCXO. It can be enabled or disabled for power saving at the TCXO.

A low signal at the RESET input switches the outputs CLK1 and CLK4 into the default state. In this configuration, CLK1 and CLK4 are ON (see ); the remaining device function is not affected. Also, the RESET input provides a glitch filter which rejects spikes of typical 300 ns on the RESET line to preserve false reset. A complete device reset to the default condition can be initiated by a power-up cycle of VDD_DIG.

The CDC3S04 operates from two 1.8-V supplies. There is a core supply (VDD_DIG/GND_DIG) for the core logic and a low-noise analog supply (VDD_ANA/GND_ANA) for the sine-wave outputs. The CDC3S04 is designed for sequence-less power up. Both supply voltages may be applied in any order.

The CDC3S04 is offered in a 0.4-mm pitch WCSP package (1.6 mm × 2 mm) and is optimized for low standby current (0.5 µA). It is characterized for operation from –40°C to 85°C.

The CDC3S04 is a four-channel low-power low-jitter sine-wave clock buffer. It can be used to buffer a single master clock to multiple peripherals. The four sine-wave outputs (CLK1–CLK4) are designed for minimal channel-to-channel skew and ultralow additive output jitter.

Each output has its own clock request inputs which enables the dedicated clock output. These clock requests are active-high (can also be changed to be active-low via I2C), and an output signal is generated that can be sent back to the master clock to request the clock (MCLK_REQ). MCKL_REQ is an open-source output and supports the wired-OR function (default mode). It needs an external pulldown resistor. MCKL_REQ can be changed to wired-AND or push-pull functionality via I2C.

The CDC3S04 also provides an I2C interface (Hs-mode) that can be used to enable or disable the outputs, select the polarity of the REQ inputs, and allow control of internal decoding.

The CDC3S04 features an on-chip high-performance LDO that accepts voltages from 2.3 V to 5.5 V and outputs a 1.8-V supply. This 1.8-V supply can be used to power an external 1.8-V TCXO. It can be enabled or disabled for power saving at the TCXO.

A low signal at the RESET input switches the outputs CLK1 and CLK4 into the default state. In this configuration, CLK1 and CLK4 are ON (see ); the remaining device function is not affected. Also, the RESET input provides a glitch filter which rejects spikes of typical 300 ns on the RESET line to preserve false reset. A complete device reset to the default condition can be initiated by a power-up cycle of VDD_DIG.

The CDC3S04 operates from two 1.8-V supplies. There is a core supply (VDD_DIG/GND_DIG) for the core logic and a low-noise analog supply (VDD_ANA/GND_ANA) for the sine-wave outputs. The CDC3S04 is designed for sequence-less power up. Both supply voltages may be applied in any order.

The CDC3S04 is offered in a 0.4-mm pitch WCSP package (1.6 mm × 2 mm) and is optimized for low standby current (0.5 µA). It is characterized for operation from –40°C to 85°C.

Subscribe to Welllinkchips !
Your Name
* Email
Submit a request