0
BQ25611D
  • BQ25611D
  • BQ25611D
  • BQ25611D

BQ25611D

ACTIVE

I2C controlled 1-cell 3-A buck battery charger with USB detection and 1.2-A boost operation Linux mainline status

Texas Instruments BQ25611D Product Info

1 April 2026 1

Parameters

Rating

Catalog

Number of series cells

1

Cell chemistry

Li-Ion/Li-Polymer, Lithium Phosphate/LiFePO4

Charge current (max) (A)

3

Features

BAT temp thermistor monitoring (hot/cold profile), Input OVP, Power Path, USB OTG integrated, VINDPM (Input voltage threshold to maximize adaptor power)

Vin (min) (V)

3.9

Vin (max) (V)

13.5

Absolute max Vin (max) (V)

22

Control topology

Switch-Mode Buck

Battery charge voltage (min) (V)

3.5

Battery charge voltage (max) (V)

4.52

Control interface

I2C

Operating temperature range (°C)

-40 to 85

Package

WQFN (RTW)-24-16 mm² 4 x 4

Features

  • High-efficiency, 1.5-MHz, synchronous switch-mode buck charger
    • 92% charge efficiency at 2-A from 5-V input
    • ±0.4% charge voltage regulation with 10-mV step
    • Programmable JEITA thresholds
    • Remote battery sensing to charge faster
  • Support USB On-The-Go (OTG) with adjustable output from 4.6 V to 5.15 V
    • Boost converter with up to 1.2-A output
    • 92% boost efficiency at 1-A output
    • Accurate constant current (CC) limit
    • Soft-start up to 500-µF capacitive load
  • Single input supporting USB input, high-voltage adapter, or wireless power
    • Support 4-V to 13.5-V input voltage range with 22-V absolute max input rating
    • 130-ns fast turn-off input over voltage protection
    • Programmable input current limit (IINDPM) with I2C (100-mA to 3.2-A, 100-mA/step)
    • VINDPM threshold up to 5.4-V automatically tracks battery voltage for maximum power
    • Auto detect USB SDP, CDP, DCP and non-standard adaptors
  • Narrow VDC (NVDC) power path management
    • System instant-on with no battery or deeply discharged battery
  • Low RDSON 19.5-mΩ BATFET to minimize charging loss and extend battery run time
    • BATFET control for ship mode, and full system reset with and without adapter
  • 7-µA low battery leakage current in ship mode
  • 9.5-µA low battery leakage current with system standby
  • High accuracy battery charging profile
    • ±6% charge current regulation
    • ±7.5% input current regulation
    • ±3% VINDPM voltage regulation
    • Programmable top-off timer for full battery charging
  • High integration includes all MOSFETs, current sensing and loop compensation
  • Safety-Related Certifications:
    • IEC 62368-1 CB Certification
  • High-efficiency, 1.5-MHz, synchronous switch-mode buck charger
    • 92% charge efficiency at 2-A from 5-V input
    • ±0.4% charge voltage regulation with 10-mV step
    • Programmable JEITA thresholds
    • Remote battery sensing to charge faster
  • Support USB On-The-Go (OTG) with adjustable output from 4.6 V to 5.15 V
    • Boost converter with up to 1.2-A output
    • 92% boost efficiency at 1-A output
    • Accurate constant current (CC) limit
    • Soft-start up to 500-µF capacitive load
  • Single input supporting USB input, high-voltage adapter, or wireless power
    • Support 4-V to 13.5-V input voltage range with 22-V absolute max input rating
    • 130-ns fast turn-off input over voltage protection
    • Programmable input current limit (IINDPM) with I2C (100-mA to 3.2-A, 100-mA/step)
    • VINDPM threshold up to 5.4-V automatically tracks battery voltage for maximum power
    • Auto detect USB SDP, CDP, DCP and non-standard adaptors
  • Narrow VDC (NVDC) power path management
    • System instant-on with no battery or deeply discharged battery
  • Low RDSON 19.5-mΩ BATFET to minimize charging loss and extend battery run time
    • BATFET control for ship mode, and full system reset with and without adapter
  • 7-µA low battery leakage current in ship mode
  • 9.5-µA low battery leakage current with system standby
  • High accuracy battery charging profile
    • ±6% charge current regulation
    • ±7.5% input current regulation
    • ±3% VINDPM voltage regulation
    • Programmable top-off timer for full battery charging
  • High integration includes all MOSFETs, current sensing and loop compensation
  • Safety-Related Certifications:
    • IEC 62368-1 CB Certification

Description

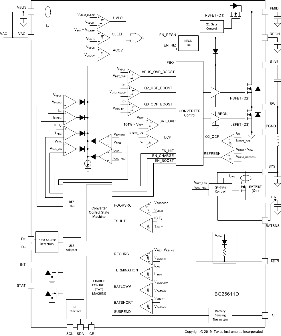
The BQ25611D is a highly integrated 3-A switch-mode battery charge management and system power path management device for single cell Li-Ion and Li-polymer batteries. The solution is highly integrated with input reverse-blocking FET (RBFET, Q1), high-side switching FET (HSFET, Q2), low-side switching FET (LSFET, Q3), and battery FET (BATFET, Q4) between system and battery. The low impedance power path optimizes switch-mode operation efficiency, reduces battery charging time and extends battery run time during discharging phase.

The BQ25611D is a highly integrated 3-A switch-mode battery charge management and system Power Path management device for Li-ion and Li-polymer batteries. It features fast charging with high input voltage support for a wide range of applications including smart phones and tablets . Its low impedance power path optimizes switch-mode operation efficiency, reduces battery charging time, and extends battery run time during discharging phase. Its input voltage and current regulation and battery remote sensing deliver maximum charging power to the battery.

The solution is highly integrated with input reverse-blocking FET (RBFET, Q1), high-side switching FET (HSFET, Q2), low-side switching FET (LSFET, Q3), and battery FET (BATFET, Q4) between system and battery. It also integrates the bootstrap diode for the high-side gate drive for simplified system design. The I2C serial interface with charging and system settings makes the device a truly flexible solution.

The device supports a wide range of input sources, including standard USB host port, USB charging port, USB compliant high voltage adapter and wireless power. It is compliant with USB 2.0 and USB 3.0 power spec with input current and voltage regulation. The device takes the result from the detection circuit in the system, such as USB PHY device.

The device integrates the buck charger and boost regulator into one solution with single inductor. It meets USB On-The-Go (OTG) operation power rating specification by supplying 5 V (adjustable 4.6V / 4.75 V / 5 V / 5.15 V) with constant current limit up to 1.2 A.

The Power Path management regulates the system slightly above battery voltage but does not drop below 3.5-V minimum system voltage (programmable ) with adapter applied. With this feature, the system maintains operation even when the battery is completely depleted or removed. When the input current limit or voltage limit is reached, the Power Path management automatically reduces the charge current. As the system load continues to increase, the battery starts to discharge the battery until the system power requirement is met. This supplement mode prevents overloading the input source.

The device initiates and completes a charging cycle without software control. It senses the battery voltage and charges the battery in three phases: pre-conditioning, constant current and constant voltage. At the end of the charging cycle, the charger automatically terminates when the charge current is below a preset limit and the battery voltage is higher than the recharge threshold. If the fully charged battery falls below the recharge threshold, the charger automatically starts another charging cycle.

The charger provides various safety features for battery charging and system operations, including battery negative temperature coefficient thermistor monitoring, charging safety timer and overvoltage and over-current protections. Thermal regulation reduces charge current when the junction temperature exceeds 110°C. The status register reports the charging status and any fault conditions. With I2C, the VBUS_GD bit indicates if a good power source is present, and the INT output immediately notifies host when a fault occurs.

The device also provides the QON pin for BATFET enable and reset control to exit low power ship mode or full system reset function.

The BQ25611D device is available in 24-pin, 4 mm × 4 mm x 0.75 mm thin WQFN package.

The BQ25611D is a highly integrated 3-A switch-mode battery charge management and system power path management device for single cell Li-Ion and Li-polymer batteries. The solution is highly integrated with input reverse-blocking FET (RBFET, Q1), high-side switching FET (HSFET, Q2), low-side switching FET (LSFET, Q3), and battery FET (BATFET, Q4) between system and battery. The low impedance power path optimizes switch-mode operation efficiency, reduces battery charging time and extends battery run time during discharging phase.

The BQ25611D is a highly integrated 3-A switch-mode battery charge management and system Power Path management device for Li-ion and Li-polymer batteries. It features fast charging with high input voltage support for a wide range of applications including smart phones and tablets . Its low impedance power path optimizes switch-mode operation efficiency, reduces battery charging time, and extends battery run time during discharging phase. Its input voltage and current regulation and battery remote sensing deliver maximum charging power to the battery.

The solution is highly integrated with input reverse-blocking FET (RBFET, Q1), high-side switching FET (HSFET, Q2), low-side switching FET (LSFET, Q3), and battery FET (BATFET, Q4) between system and battery. It also integrates the bootstrap diode for the high-side gate drive for simplified system design. The I2C serial interface with charging and system settings makes the device a truly flexible solution.

The device supports a wide range of input sources, including standard USB host port, USB charging port, USB compliant high voltage adapter and wireless power. It is compliant with USB 2.0 and USB 3.0 power spec with input current and voltage regulation. The device takes the result from the detection circuit in the system, such as USB PHY device.

The device integrates the buck charger and boost regulator into one solution with single inductor. It meets USB On-The-Go (OTG) operation power rating specification by supplying 5 V (adjustable 4.6V / 4.75 V / 5 V / 5.15 V) with constant current limit up to 1.2 A.

The Power Path management regulates the system slightly above battery voltage but does not drop below 3.5-V minimum system voltage (programmable ) with adapter applied. With this feature, the system maintains operation even when the battery is completely depleted or removed. When the input current limit or voltage limit is reached, the Power Path management automatically reduces the charge current. As the system load continues to increase, the battery starts to discharge the battery until the system power requirement is met. This supplement mode prevents overloading the input source.

The device initiates and completes a charging cycle without software control. It senses the battery voltage and charges the battery in three phases: pre-conditioning, constant current and constant voltage. At the end of the charging cycle, the charger automatically terminates when the charge current is below a preset limit and the battery voltage is higher than the recharge threshold. If the fully charged battery falls below the recharge threshold, the charger automatically starts another charging cycle.

The charger provides various safety features for battery charging and system operations, including battery negative temperature coefficient thermistor monitoring, charging safety timer and overvoltage and over-current protections. Thermal regulation reduces charge current when the junction temperature exceeds 110°C. The status register reports the charging status and any fault conditions. With I2C, the VBUS_GD bit indicates if a good power source is present, and the INT output immediately notifies host when a fault occurs.

The device also provides the QON pin for BATFET enable and reset control to exit low power ship mode or full system reset function.

The BQ25611D device is available in 24-pin, 4 mm × 4 mm x 0.75 mm thin WQFN package.

Subscribe to Welllinkchips !
Your Name
* Email
Submit a request