0
BQ25600C
  • BQ25600C
  • BQ25600C

BQ25600C

ACTIVE

I2C 1cell 3A Buck battery charger for Parallel Charging Applications

Texas Instruments BQ25600C Product Info

1 April 2026 0

Parameters

Rating

Catalog

Number of series cells

1

Cell chemistry

Li-Ion/Li-Polymer

Charge current (max) (A)

3

Features

IC thermal regulation, IINDPM (Input current limit), Input OVP, Power Path, VINDPM (Input voltage threshold to maximize adaptor power)

Vin (min) (V)

3.9

Vin (max) (V)

13.5

Absolute max Vin (max) (V)

22

Control topology

Switch-Mode Buck

Battery charge voltage (min) (V)

3.856

Battery charge voltage (max) (V)

4.624

Control interface

I2C

Operating temperature range (°C)

-40 to 85

Package

DSBGA (YFF)-30-5.71999999999999912 mm² 2.2 x 2.5999999999999996

Features

  • Operation as Parallel Charger to Provide Fast Charging in Dual Charger Operation
  • High-Efficiency, 1.5-MHz, Synchronous Switch-Mode Buck Charger
    • 92% Charge Efficiency at 2 A from 5-V Input
    • Optimized for USB Voltage Input (5 V)
    • Low Power Pulse Frequency Modulation (PFM) Mode for Light Load Operations
  • Single Input to Support USB Input and High Voltage Adapters
    • Support 3.9-V to 13.5-V Input Voltage Range With 22-V Absolute Maximum Input Voltage Rating
    • Programmable Input Current Limit (100 mA to 3.2 A With 100-mA Resolution) to Support USB 2.0, USB 3.0 Standards and High Voltage Adaptors (IINDPM)
    • Maximum Power Tracking by Input Voltage Limit Up to 5.4 V (VINDPM)
    • VINDPM Threshold Automatically Tracks Battery Voltage
  • High Charge Efficiency With 19.5-mΩ Charging Current Sensing MOSFET
  • Narrow VDC (NVDC) Power Path Management
    • Instant-On Works with No Battery or Deeply Discharged Battery
    • Ideal Diode Operation in Battery Supplement Mode
  • Flexible Autonomous and I2C Mode for Optimal System Performance
  • High Integration Includes All MOSFETs, Current Sensing and Loop Compensation
  • 17-µA Low Battery Leakage Current
  • High Accuracy
    • ±0.5% Charge Voltage Regulation
    • ±5% at 1.5-A Charge Current Regulation
    • ±6% at 1.38-A Charge Current Regulation
    • ±10% at 0.9-A Input Current Regulation
    • Remote Battery Sensing for Fast Charge
  • Operation as Parallel Charger to Provide Fast Charging in Dual Charger Operation
  • High-Efficiency, 1.5-MHz, Synchronous Switch-Mode Buck Charger
    • 92% Charge Efficiency at 2 A from 5-V Input
    • Optimized for USB Voltage Input (5 V)
    • Low Power Pulse Frequency Modulation (PFM) Mode for Light Load Operations
  • Single Input to Support USB Input and High Voltage Adapters
    • Support 3.9-V to 13.5-V Input Voltage Range With 22-V Absolute Maximum Input Voltage Rating
    • Programmable Input Current Limit (100 mA to 3.2 A With 100-mA Resolution) to Support USB 2.0, USB 3.0 Standards and High Voltage Adaptors (IINDPM)
    • Maximum Power Tracking by Input Voltage Limit Up to 5.4 V (VINDPM)
    • VINDPM Threshold Automatically Tracks Battery Voltage
  • High Charge Efficiency With 19.5-mΩ Charging Current Sensing MOSFET
  • Narrow VDC (NVDC) Power Path Management
    • Instant-On Works with No Battery or Deeply Discharged Battery
    • Ideal Diode Operation in Battery Supplement Mode
  • Flexible Autonomous and I2C Mode for Optimal System Performance
  • High Integration Includes All MOSFETs, Current Sensing and Loop Compensation
  • 17-µA Low Battery Leakage Current
  • High Accuracy
    • ±0.5% Charge Voltage Regulation
    • ±5% at 1.5-A Charge Current Regulation
    • ±6% at 1.38-A Charge Current Regulation
    • ±10% at 0.9-A Input Current Regulation
    • Remote Battery Sensing for Fast Charge

Description

The bq25600C devices are highly-integrated 3.0-A switch-mode battery charge management and system power path management device for single cell Li-Ion and Li-polymer battery. The low impedance power path optimizes switch-mode operation efficiency and reduces battery charging time. The I2C serial interface with charging and system settings makes the device a truly flexible solution.

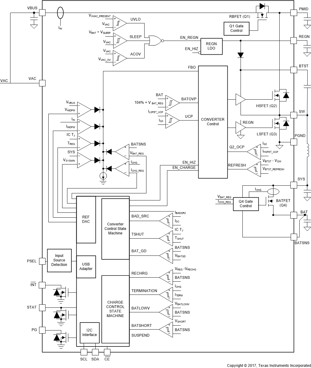
The bq25600C is highly-integrated 3.0-A switch-mode battery charge management and system power path management device for single cell Li-Ion and Li-polymer battery. It features fast charging with high input voltage and high efficiency, which supports parallel charge applications for a wide range of smart phones, tablets and portable devices. The bq25600C has different I2C address from bq25600 and thus only single I2C bus is needed when bq25600 is selected as a main charger and bq25600C is selected as a parallel charger. Its low impedance power path optimizes switch-mode operation efficiency, reduces battery charging time. Its input voltage and current regulation and battery remote sensing deliver maximum charging power to battery. The solution is highly integrated with input reverse-blocking FET (RBFET, Q1), high-side switching FET (HSFET, Q2), low-side switching FET (LSFET, Q3), and battery FET (BATFET, Q4) between system and battery. It also integrates the bootstrap diode for the high-side gate drive for simplified system design. The I2C serial interface with charging and system settings makes the device a truly flexible solution.

The device supports a wide range of input sources, including standard USB host port, USB charging port, and USB compliant high voltage adapter. The device sets default input current limit based on the built-in USB interface. To set the default input current limit, the device uses the built-in USB interface, or takes the result from detection circuit in the system, such as USB PHY device. The device is compliant with USB 2.0 and USB 3.0 power spec with input current and voltage regulation.

The device initiates and completes a charging cycle without software control. It senses the battery voltage and charges the battery in three phases: pre-conditioning, constant current and constant voltage. At the end of the charging cycle, the charger automatically terminates when the charge current is below a preset limit and the battery voltage is higher than recharge threshold. If the fully charged battery falls below the recharge threshold, the charger automatically starts another charging cycle.

The charger provides various safety features for battery charging and system operations, including charging safety timer and overvoltage and overcurrent protections. The thermal regulation reduces charge current when the junction temperature exceeds 110°C (programmable). The STAT output reports the charging status and any fault conditions. Other safety features include thermal regulation and thermal shutdown and input UVLO and overvoltage protection. The VBUS_GD bit indicates if a good power source is present. The INT output Immediately notifies host when fault occurs.

The devices are available in 30-ball, 2.0 mm × 2.4 mm WCSP package.

The bq25600C devices are highly-integrated 3.0-A switch-mode battery charge management and system power path management device for single cell Li-Ion and Li-polymer battery. The low impedance power path optimizes switch-mode operation efficiency and reduces battery charging time. The I2C serial interface with charging and system settings makes the device a truly flexible solution.

The bq25600C is highly-integrated 3.0-A switch-mode battery charge management and system power path management device for single cell Li-Ion and Li-polymer battery. It features fast charging with high input voltage and high efficiency, which supports parallel charge applications for a wide range of smart phones, tablets and portable devices. The bq25600C has different I2C address from bq25600 and thus only single I2C bus is needed when bq25600 is selected as a main charger and bq25600C is selected as a parallel charger. Its low impedance power path optimizes switch-mode operation efficiency, reduces battery charging time. Its input voltage and current regulation and battery remote sensing deliver maximum charging power to battery. The solution is highly integrated with input reverse-blocking FET (RBFET, Q1), high-side switching FET (HSFET, Q2), low-side switching FET (LSFET, Q3), and battery FET (BATFET, Q4) between system and battery. It also integrates the bootstrap diode for the high-side gate drive for simplified system design. The I2C serial interface with charging and system settings makes the device a truly flexible solution.

The device supports a wide range of input sources, including standard USB host port, USB charging port, and USB compliant high voltage adapter. The device sets default input current limit based on the built-in USB interface. To set the default input current limit, the device uses the built-in USB interface, or takes the result from detection circuit in the system, such as USB PHY device. The device is compliant with USB 2.0 and USB 3.0 power spec with input current and voltage regulation.

The device initiates and completes a charging cycle without software control. It senses the battery voltage and charges the battery in three phases: pre-conditioning, constant current and constant voltage. At the end of the charging cycle, the charger automatically terminates when the charge current is below a preset limit and the battery voltage is higher than recharge threshold. If the fully charged battery falls below the recharge threshold, the charger automatically starts another charging cycle.

The charger provides various safety features for battery charging and system operations, including charging safety timer and overvoltage and overcurrent protections. The thermal regulation reduces charge current when the junction temperature exceeds 110°C (programmable). The STAT output reports the charging status and any fault conditions. Other safety features include thermal regulation and thermal shutdown and input UVLO and overvoltage protection. The VBUS_GD bit indicates if a good power source is present. The INT output Immediately notifies host when fault occurs.

The devices are available in 30-ball, 2.0 mm × 2.4 mm WCSP package.

Subscribe to Welllinkchips !
Your Name
* Email
Submit a request