0
TLC59582
  • TLC59582
  • TLC59582
  • TLC59582

TLC59582

ACTIVE

48-channel, 16-bit ESPWM LED driver with pre-charge FET, LOD Caterpillar and 16-multiplexing support

Texas Instruments TLC59582 Product Info

1 April 2026 0

Parameters

Features

48CH LED Driver, Error Flag, Fault Detection, LED Open Detection, PWM LED Driver, Pre-Charge FET, SRAM, Thermal shutdown

Analog dimming steps

512

Data transfer rate (typ) (MHz)

25

Ch to ch accuracy (typ) (±%)

1

Rating

Catalog

Operating temperature range (°C)

-40 to 85

Package

VQFN (RTQ)-56-64 mm² 8 x 8

Features

  • 48 Constant-Current Sink Output Channels
  • Sink Current Capability with Max BC/CC data:
    • 25 mA at 5 VCC
    • 20 mA at 3.3 VCC
  • Global Brightness Control (BC): 3-Bit (8-Step)
  • Color Brightness Control (CC) for Each Color
    Group: 9-Bit (512-Step), Three Groups
  • LED Power Supply Voltage Up To 10 V
  • VCC = 3.0 V to 5.5 V
  • Constant Current Accuracy
    • Channel-to-Channel = ±1%(Typ), ±3%(Max)
    • Device-to-Device = ±1%(Typ), ±2%(Max)
  • Data Transfer Rate: 25 MHz
  • Gray Scale Clock: 33 MHz
  • Pre-Charge FET to Avoid Ghosting Phenomenon
  • Enhanced Circuit for Caterpillar Cancelling
  • Low-Grayscale Enhancement
  • LED Open Detection (LOD)
  • Thermal Shut Down (TSD)
  • Operating Temperature: –40°C to 85°C
  • 48 Constant-Current Sink Output Channels
  • Sink Current Capability with Max BC/CC data:
    • 25 mA at 5 VCC
    • 20 mA at 3.3 VCC
  • Global Brightness Control (BC): 3-Bit (8-Step)
  • Color Brightness Control (CC) for Each Color
    Group: 9-Bit (512-Step), Three Groups
  • LED Power Supply Voltage Up To 10 V
  • VCC = 3.0 V to 5.5 V
  • Constant Current Accuracy
    • Channel-to-Channel = ±1%(Typ), ±3%(Max)
    • Device-to-Device = ±1%(Typ), ±2%(Max)
  • Data Transfer Rate: 25 MHz
  • Gray Scale Clock: 33 MHz
  • Pre-Charge FET to Avoid Ghosting Phenomenon
  • Enhanced Circuit for Caterpillar Cancelling
  • Low-Grayscale Enhancement
  • LED Open Detection (LOD)
  • Thermal Shut Down (TSD)
  • Operating Temperature: –40°C to 85°C

Description

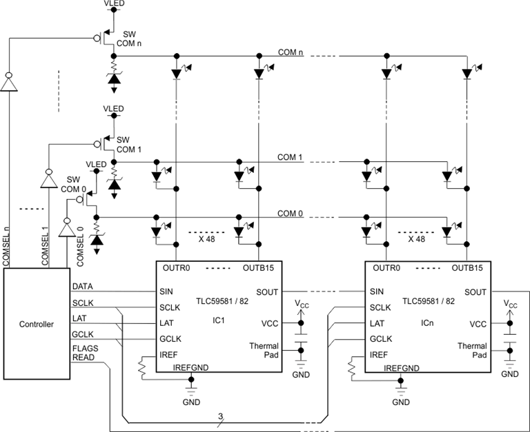
The TLC59581/82are 48-channel constant-current sink drivers. Each channel has an individually-adjustable, 65536-step, pulse width modulation (PWM) grayscale (GS) brightness control.

The TLC59581 can support 32-multiplexing while TLC59582 can support 16-multiplexing.

The output channels are divided into three groups. Each group has a 512-step color brightness control (CC). CC adjusts brightness control between colors. The maximum current value of all 48 channels can be set by 8-step global brightness control (BC). BC adjusts brightness deviation between LED drivers. GS, CC and BC data are accessible through a serial interface port.

See application note Build High Density, High Refresh Rate, Multiplexing LED Panel with TLC59581, SLVA744.

The TLC59581/82 device has one error flag: the LED open detection (LOD), which can be read through a serial interface port. To resolve this caterpillar issue caused by an open LED, the TLC59581/82 device has an enhanced circuit for caterpillar canceling, thermal shut down (TSD) and IREF resistor short protection (ISP), which ensures a higher system reliability. The TLC59581/82 device also has a power-save mode that sets the total current consumption to 0.8 mA (typical) when all outputs are off. The TLC59581/82 device is a good solution to improve display performance of a multiplexing panel for low-grayscale patterns.

The TLC59581/82are 48-channel constant-current sink drivers. Each channel has an individually-adjustable, 65536-step, pulse width modulation (PWM) grayscale (GS) brightness control.

The TLC59581 can support 32-multiplexing while TLC59582 can support 16-multiplexing.

The output channels are divided into three groups. Each group has a 512-step color brightness control (CC). CC adjusts brightness control between colors. The maximum current value of all 48 channels can be set by 8-step global brightness control (BC). BC adjusts brightness deviation between LED drivers. GS, CC and BC data are accessible through a serial interface port.

See application note Build High Density, High Refresh Rate, Multiplexing LED Panel with TLC59581, SLVA744.

The TLC59581/82 device has one error flag: the LED open detection (LOD), which can be read through a serial interface port. To resolve this caterpillar issue caused by an open LED, the TLC59581/82 device has an enhanced circuit for caterpillar canceling, thermal shut down (TSD) and IREF resistor short protection (ISP), which ensures a higher system reliability. The TLC59581/82 device also has a power-save mode that sets the total current consumption to 0.8 mA (typical) when all outputs are off. The TLC59581/82 device is a good solution to improve display performance of a multiplexing panel for low-grayscale patterns.

Subscribe to Welllinkchips !
Your Name
* Email
Submit a request