0
BQ24153
  • BQ24153
  • BQ24153

BQ24153

ACTIVE

I2C 1cell 1.25A Buck battery charger with OTG and Vovp=6.5V

Texas Instruments BQ24153 Product Info

1 April 2026 0

Parameters

Rating

Catalog

Number of series cells

1

Cell chemistry

Li-Ion/Li-Polymer

Charge current (max) (A)

1.25

Features

USB OTG integrated

Vin (min) (V)

4

Vin (max) (V)

6

Absolute max Vin (max) (V)

20

Control topology

Switch-Mode Buck

Battery charge voltage (min) (V)

3.5

Battery charge voltage (max) (V)

4.44

Control interface

I2C

Operating temperature range (°C)

-40 to 85

Package

DSBGA (YFF)-20-3.96 mm² 1.8 x 2.2

Features

  • Charge Faster than Linear Chargers
  • High-Accuracy Voltage and Current Regulation
    • Input Current Regulation Accuracy: ±5% (100 mA and 500 mA)
    • Charge Voltage Regulation Accuracy: ±0.5% (25°C), ±1% (0°C to 125°C)
    • Charge Current Regulation Accuracy: ±5%
  • Input Voltage Based Dynamic Power Management (VIN DPM)
  • Bad adaptor detection and rejection
  • Safety limit register for maximum charge voltage and current limiting
  • High-Efficiency Mini-USB/AC Battery Charger for Single-Cell Li-Ion and Li-Polymer Battery Packs
  • 20-V Absolute Maximum Input Voltage Rating
  • 9.0-V Maximum Operating Input Voltage-bq24156
  • 6-V Maximum Operating Input Voltage-bq24153/8
  • Built-In Input Current Sensing and Limiting
  • Integrated Power FETs for Up To 1.5-A Charge Rate-bq24156, 1.25A-bq24153/8
  • Programmable Charge Parameters through I2C Compatible Interface (up to 3.4 Mbps):
    • Input Current Limit
    • VIN DPM Threshold
    • Fast-Charge/Termination Current
    • Charge Regulation Voltage (3.5 V to 4.44 V)
    • Low Charge Current Mode Enable/Disable
    • Safety Timer with Reset Control
    • Termination Enable/Disable
  • Synchronous Fixed-Frequency PWM Controller Operating at 3 MHz With 0% to 99.5% Duty Cycle
  • Automatic High Impedance Mode for Low Power Consumption
  • Robust Protection
    • Reverse Leakage Protection Prevents Battery Drainage
    • Thermal Regulation and Protection
    • Input/Output Overvoltage Protection
  • Status Output for Charging and Faults
  • USB Friendly Boot-Up Sequence
  • Automatic Charging
  • Power Up System without Battery bq24158
  • Boost Mode Operation for USB OTG: (bq24153/8 only)
    • Input Voltage Range (from Battery): 2.5 V to 4.5 V
    • Output for VBUS: 5.05 V/ 200 mA
  • 2.1 mm x 2 mm 20-Pin WCSP Package
  • APPLICATIONS
    • Mobile and Smart Phones
    • MP3 Players
    • Handheld Devices

  • Charge Faster than Linear Chargers
  • High-Accuracy Voltage and Current Regulation
    • Input Current Regulation Accuracy: ±5% (100 mA and 500 mA)
    • Charge Voltage Regulation Accuracy: ±0.5% (25°C), ±1% (0°C to 125°C)
    • Charge Current Regulation Accuracy: ±5%
  • Input Voltage Based Dynamic Power Management (VIN DPM)
  • Bad adaptor detection and rejection
  • Safety limit register for maximum charge voltage and current limiting
  • High-Efficiency Mini-USB/AC Battery Charger for Single-Cell Li-Ion and Li-Polymer Battery Packs
  • 20-V Absolute Maximum Input Voltage Rating
  • 9.0-V Maximum Operating Input Voltage-bq24156
  • 6-V Maximum Operating Input Voltage-bq24153/8
  • Built-In Input Current Sensing and Limiting
  • Integrated Power FETs for Up To 1.5-A Charge Rate-bq24156, 1.25A-bq24153/8
  • Programmable Charge Parameters through I2C Compatible Interface (up to 3.4 Mbps):
    • Input Current Limit
    • VIN DPM Threshold
    • Fast-Charge/Termination Current
    • Charge Regulation Voltage (3.5 V to 4.44 V)
    • Low Charge Current Mode Enable/Disable
    • Safety Timer with Reset Control
    • Termination Enable/Disable
  • Synchronous Fixed-Frequency PWM Controller Operating at 3 MHz With 0% to 99.5% Duty Cycle
  • Automatic High Impedance Mode for Low Power Consumption
  • Robust Protection
    • Reverse Leakage Protection Prevents Battery Drainage
    • Thermal Regulation and Protection
    • Input/Output Overvoltage Protection
  • Status Output for Charging and Faults
  • USB Friendly Boot-Up Sequence
  • Automatic Charging
  • Power Up System without Battery bq24158
  • Boost Mode Operation for USB OTG: (bq24153/8 only)
    • Input Voltage Range (from Battery): 2.5 V to 4.5 V
    • Output for VBUS: 5.05 V/ 200 mA
  • 2.1 mm x 2 mm 20-Pin WCSP Package
  • APPLICATIONS
    • Mobile and Smart Phones
    • MP3 Players
    • Handheld Devices

Description

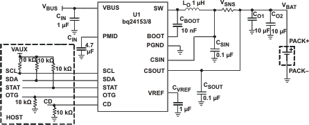
The bq24153/6/8 is a compact, flexible, high-efficiency, USB-friendly switch-mode charge management device for single-cell Li-ion and Li-polymer batteries used in a wide range of portable applications. The charge parameters can be programmed through an I2C interface. The IC integrates a synchronous PWM controller, power MOSFETs, input current sensing, high-accuracy current and voltage regulation, and charge termination, into a small WCSP package.

The IC charges the battery in three phases: conditioning, constant current and constant voltage. The input current is automatically limited to the value set by the host. Charge is terminated based on battery voltage and user-selectable minimum current level. A safety timer with reset control provides a safety backup for I2C interface. During normal operation, The IC automatically restarts the charge cycle if the battery voltage falls below an internal threshold and automatically enters sleep mode or high impedance mode when the input supply is removed. The charge status can be reported to the host using the I2C interface. During the charging process, the IC monitors its junction temperature (TJ) and reduces the charge current once TJ increases to about 125°C. To support USB OTG device, bq24153/8 can provide VBUS (5.05V) by boosting the battery voltage. The IC is available in 20-pin WCSP package.

The bq24153/6/8 is a compact, flexible, high-efficiency, USB-friendly switch-mode charge management device for single-cell Li-ion and Li-polymer batteries used in a wide range of portable applications. The charge parameters can be programmed through an I2C interface. The IC integrates a synchronous PWM controller, power MOSFETs, input current sensing, high-accuracy current and voltage regulation, and charge termination, into a small WCSP package.

The IC charges the battery in three phases: conditioning, constant current and constant voltage. The input current is automatically limited to the value set by the host. Charge is terminated based on battery voltage and user-selectable minimum current level. A safety timer with reset control provides a safety backup for I2C interface. During normal operation, The IC automatically restarts the charge cycle if the battery voltage falls below an internal threshold and automatically enters sleep mode or high impedance mode when the input supply is removed. The charge status can be reported to the host using the I2C interface. During the charging process, the IC monitors its junction temperature (TJ) and reduces the charge current once TJ increases to about 125°C. To support USB OTG device, bq24153/8 can provide VBUS (5.05V) by boosting the battery voltage. The IC is available in 20-pin WCSP package.