0
BQ24125
  • BQ24125
  • BQ24125

BQ24125

ACTIVE

Standalone 1-3 cell 2A synchronous Buck battery charger with enhanced EMI performance

Texas Instruments BQ24125 Product Info

1 April 2026 0

Parameters

Rating

Catalog

Number of series cells

1, 2, 3

Cell chemistry

Li-Ion/Li-Polymer

Charge current (max) (A)

2

Features

BAT temp thermistor monitoring (hot/cold profile), Input OVP

Vin (min) (V)

4.35

Vin (max) (V)

16

Absolute max Vin (max) (V)

20

Control topology

Switch-Mode Buck

Battery charge voltage (min) (V)

2.1

Battery charge voltage (max) (V)

15.5

Control interface

Standalone (RC-Settable)

Operating temperature range (°C)

-40 to 125

Package

VQFN (RHL)-20-15.75 mm² 4.5 x 3.5

Features

  • Enhanced EMI Performance
  • Integrated Power FETs For Up To 2-A Charge
    Rate
  • Suitable For 1-, 2-, or 3-Cell Li-Ion and Li-Polymer
    Battery Packs
  • Synchronous Fixed-Frequency PWM Controller
    Operating at 1.1 MHz With 0% to 100% Duty
    Cycle
  • High-Accuracy Voltage and Current Regulation
  • Status Outputs For LED or Host Processor
    Interface Indicates Charge-In-Progress, Charge
    Completion, Fault, and AC-Adapter Present
    Conditions
  • 20-V Absolute Maximum Voltage Rating on IN and
    OUT Pins
  • Accurate High-Side Battery Current Sensing
  • Battery Temperature Monitoring
  • Automatic Sleep Mode for Low Power
    Consumption
  • Reverse Leakage Protection Prevents Battery
    Drainage
  • Thermal Shutdown and Protection
  • Built-In Battery Detection
  • Available in 20-pin 3.5-mm × 4.5-mm VQFN
    Package
  • Enhanced EMI Performance
  • Integrated Power FETs For Up To 2-A Charge
    Rate
  • Suitable For 1-, 2-, or 3-Cell Li-Ion and Li-Polymer
    Battery Packs
  • Synchronous Fixed-Frequency PWM Controller
    Operating at 1.1 MHz With 0% to 100% Duty
    Cycle
  • High-Accuracy Voltage and Current Regulation
  • Status Outputs For LED or Host Processor
    Interface Indicates Charge-In-Progress, Charge
    Completion, Fault, and AC-Adapter Present
    Conditions
  • 20-V Absolute Maximum Voltage Rating on IN and
    OUT Pins
  • Accurate High-Side Battery Current Sensing
  • Battery Temperature Monitoring
  • Automatic Sleep Mode for Low Power
    Consumption
  • Reverse Leakage Protection Prevents Battery
    Drainage
  • Thermal Shutdown and Protection
  • Built-In Battery Detection
  • Available in 20-pin 3.5-mm × 4.5-mm VQFN
    Package

Description

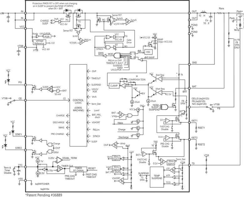
The bqSWITCHER™ series are highly integrated Li-ion and Li-polymer switched-mode charge management devices targeted at a wide range of portable applications. The bqSWITCHER™ series offers integrated synchronous PWM controller and power FETs, high-accuracy current and voltage regulation, charge preconditioning, charge status, and charge termination, in a small, thermally enhanced QFN package.

The bqSWITCHER charges the battery in three phases: conditioning, constant current, and constant voltage. Charge is terminated based on user-selectable minimum current level. A programmable charge timer provides a safety backup for charge termination. The bqSWITCHER automatically restarts the charge cycle if the battery voltage falls below an internal threshold. The bqSWITCHER automatically enters sleep mode when VCC supply is removed.

The bqSWITCHER™ series are highly integrated Li-ion and Li-polymer switched-mode charge management devices targeted at a wide range of portable applications. The bqSWITCHER™ series offers integrated synchronous PWM controller and power FETs, high-accuracy current and voltage regulation, charge preconditioning, charge status, and charge termination, in a small, thermally enhanced QFN package.

The bqSWITCHER charges the battery in three phases: conditioning, constant current, and constant voltage. Charge is terminated based on user-selectable minimum current level. A programmable charge timer provides a safety backup for charge termination. The bqSWITCHER automatically restarts the charge cycle if the battery voltage falls below an internal threshold. The bqSWITCHER automatically enters sleep mode when VCC supply is removed.

Subscribe to Welllinkchips !
Your Name
* Email
Submit a request