0
BQ24032A
  • BQ24032A
  • BQ24032A

BQ24032A

ACTIVE

Standalone 1-cell, 2-A battery charger - dynamic Power Path, output regulated to 4.4V, Vbat 4.2V

Texas Instruments BQ24032A Product Info

1 April 2026 0

Parameters

Rating

Catalog

Number of series cells

1

Cell chemistry

Li-Ion/Li-Polymer

Charge current (max) (A)

1.5

Features

BAT temp thermistor monitoring (hot/cold profile), Integrated LDO, Power Path

Vin (min) (V)

4.35

Vin (max) (V)

16

Absolute max Vin (max) (V)

18

Control topology

Linear

Battery charge voltage (min) (V)

4.2

Battery charge voltage (max) (V)

4.2

Control interface

Standalone (RC-Settable)

Operating temperature range (°C)

-40 to 85

Package

VQFN (RHL)-20-15.75 mm² 4.5 x 3.5

Features

  • Small 3.5-mm × 4.5-mm QFN Package
  • Designed for Single-Cell Li-Ion- or Li-Polymer-
    Based Portable Applications
  • Integrated Dynamic Power-Path Management (DPPM)
    Feature Allowing the AC Adapter or the USB Port
    to Simultaneously Power the System and Charge
    the Battery
  • Power Supplement Mode Allows Battery to Supplement
    the USB or AC Input Current
  • Autonomous Power Source Selection (AC Adapter
    or USB)
  • Integrated USB Charge Control With Selectable
    100-mA and 500-mA Maximum Input Current Regulation
    Limits
  • Dynamic Total Current Management for USB
  • Supports Up to 2-A Total Current
  • 3.3-V Integrated LDO Output
  • Thermal Regulation for Charge Control
  • Charge Status Outputs for LED or System Interface
    Indicates Charge and Fault Conditions
  • Reverse Current, Short-Circuit, and Thermal
    Protection
  • Power Good (AC Adapter and USB Port Present)
    Status Outputs
  • Charge Voltage Options: 4.1 V, 4.2 V, or 4.36 V
  • APPLICATIONS
    • Smart Phones and PDAs
    • MP3 Players
    • Digital Cameras Handheld Devices
    • Internet Appliances

All other trademarks are the property of their respective owners

  • Small 3.5-mm × 4.5-mm QFN Package
  • Designed for Single-Cell Li-Ion- or Li-Polymer-
    Based Portable Applications
  • Integrated Dynamic Power-Path Management (DPPM)
    Feature Allowing the AC Adapter or the USB Port
    to Simultaneously Power the System and Charge
    the Battery
  • Power Supplement Mode Allows Battery to Supplement
    the USB or AC Input Current
  • Autonomous Power Source Selection (AC Adapter
    or USB)
  • Integrated USB Charge Control With Selectable
    100-mA and 500-mA Maximum Input Current Regulation
    Limits
  • Dynamic Total Current Management for USB
  • Supports Up to 2-A Total Current
  • 3.3-V Integrated LDO Output
  • Thermal Regulation for Charge Control
  • Charge Status Outputs for LED or System Interface
    Indicates Charge and Fault Conditions
  • Reverse Current, Short-Circuit, and Thermal
    Protection
  • Power Good (AC Adapter and USB Port Present)
    Status Outputs
  • Charge Voltage Options: 4.1 V, 4.2 V, or 4.36 V
  • APPLICATIONS
    • Smart Phones and PDAs
    • MP3 Players
    • Digital Cameras Handheld Devices
    • Internet Appliances

All other trademarks are the property of their respective owners

Description

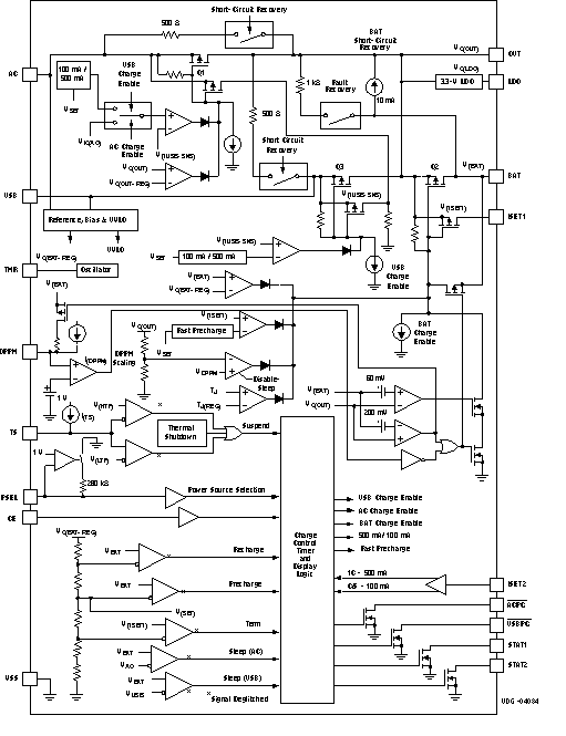
The bqTINY™ III-series of devices are highly integrated Li-ion linear chargers and system power-path management devices targeted at space-limited portable applications. The bqTINY III-series offer integrated USB-port and DC supply (AC adapter), power-path management with autonomous power-source selection, power FETs and current sensors, high accuracy current and voltage regulation, charge status, and charge termination, in a single monolithic device.

The bqTINY III-series powers the system while independently charging the battery. This feature reduces the charge and discharge cycles on the battery, allows for proper charge termination and allows the system to run with an absent or defective battery pack. This feature also allows for the system to instantaneously turn on from an external power source in the case of a deeply discharged battery pack. The IC design is focused on supplying continuous power to the system when available from the AC, USB, or battery sources.

The power select pin, PSEL, defines which input source is to be used first (primary source – AC or USB). If the primary source is not available, then the IC automatically switches over to the other secondary source if available or the battery as the last option. If the PSEL is set low, the USB input is selected first and if not available, the AC line is selected (if available) but programmed to a USB input limiting rate (100 mA/500 mA max). This feature allows the use of one input connector, where the host programs the PSEL pin according to what source is connected (AC adaptor or USB port).

The bq24038 replaces USBPG with pin VBSEL, to enable user selection of the charge voltage. In addition, pin ACPG was modified to PG. PG is active low when either ac power or USB power is detected.

The ISET1 pin programs the battery&3146;s fast charge constant current level with a resistor. During normal AC operation, the input supply provides power to both the OUT (System) and BAT pins. For peak or excessive loads (typically when operating from the USB power, PSEL = Low) that would cause the input source to enter current limit (or Q3 - USB FET limiting current) and its source and system voltage (OUT pin) to drop, the dynamic power-path management (DPPM) feature reduces the charging current attempting to prevent any further drop in system voltage. This feature allows the selection of a lower current rated adaptor based on the average load (ISYS-AVG + IBAT-PGM ) rather than a high peak transient load.

The bqTINY™ III-series of devices are highly integrated Li-ion linear chargers and system power-path management devices targeted at space-limited portable applications. The bqTINY III-series offer integrated USB-port and DC supply (AC adapter), power-path management with autonomous power-source selection, power FETs and current sensors, high accuracy current and voltage regulation, charge status, and charge termination, in a single monolithic device.

The bqTINY III-series powers the system while independently charging the battery. This feature reduces the charge and discharge cycles on the battery, allows for proper charge termination and allows the system to run with an absent or defective battery pack. This feature also allows for the system to instantaneously turn on from an external power source in the case of a deeply discharged battery pack. The IC design is focused on supplying continuous power to the system when available from the AC, USB, or battery sources.

The power select pin, PSEL, defines which input source is to be used first (primary source – AC or USB). If the primary source is not available, then the IC automatically switches over to the other secondary source if available or the battery as the last option. If the PSEL is set low, the USB input is selected first and if not available, the AC line is selected (if available) but programmed to a USB input limiting rate (100 mA/500 mA max). This feature allows the use of one input connector, where the host programs the PSEL pin according to what source is connected (AC adaptor or USB port).

The bq24038 replaces USBPG with pin VBSEL, to enable user selection of the charge voltage. In addition, pin ACPG was modified to PG. PG is active low when either ac power or USB power is detected.

The ISET1 pin programs the battery&3146;s fast charge constant current level with a resistor. During normal AC operation, the input supply provides power to both the OUT (System) and BAT pins. For peak or excessive loads (typically when operating from the USB power, PSEL = Low) that would cause the input source to enter current limit (or Q3 - USB FET limiting current) and its source and system voltage (OUT pin) to drop, the dynamic power-path management (DPPM) feature reduces the charging current attempting to prevent any further drop in system voltage. This feature allows the selection of a lower current rated adaptor based on the average load (ISYS-AVG + IBAT-PGM ) rather than a high peak transient load.

Subscribe to Welllinkchips !
Your Name
* Email
Submit a request