0
AMC23C14
  • AMC23C14
  • AMC23C14
  • AMC23C14
  • AMC23C14

AMC23C14

ACTIVE

Dual, fast-response, reinforced, isolated window comparator with adjustable threshold

Texas Instruments AMC23C14 Product Info

1 April 2026 1

Parameters

Number of channels

2

Output type

Open-drain

Propagation delay time (µs)

0.36

CMTI (min) (kV/µs)

55

Rating

Catalog

Operating temperature range (°C)

-40 to 125

Isolation rating

Reinforced

Withstand isolation voltage (VISO) (Vrms)

5000

Transient isolation voltage (VIOTM) (VPK)

7070

Working isolation voltage (VIOWM) (Vrms)

750

Creepage (min) (mm)

8.5

Clearance (min) (mm)

8.5

Package

SOIC (DWV)-8-67.275 mm² 5.85 x 11.5

Features

  • Wide high-side supply range: 3V to 27V
  • Low-side supply range: 2.7V to 5.5V
  • Dual window comparator:
    • Window comparator 1: ±20mV to ±300mV adjustable threshold
    • Window comparator 2: ±300mV fixed threshold
  • Supports positive-comparator mode:
    • Cmp0: 600mV to 2.7V adjustable threshold
    • Cmp2: 300mV fixed threshold
    • Cmp1 and Cmp3: Disabled
  • Reference for threshold adjustment: 100µA, ±1%
  • Trip threshold error: ±1% (max) at 250mV
  • Open-drain outputs
  • Propagation delay: 280ns (typ)
  • High CMTI: 15V/ns (min)
  • Safety-related certifications:
    • 7000VPK reinforced isolation per DIN EN IEC 60747-17 (VDE 0884-17)
    • 5000VRMS isolation for 1 minute per UL1577
  • Fully specified over the extended industrial temperature range: –40°C to +125°C
  • Wide high-side supply range: 3V to 27V
  • Low-side supply range: 2.7V to 5.5V
  • Dual window comparator:
    • Window comparator 1: ±20mV to ±300mV adjustable threshold
    • Window comparator 2: ±300mV fixed threshold
  • Supports positive-comparator mode:
    • Cmp0: 600mV to 2.7V adjustable threshold
    • Cmp2: 300mV fixed threshold
    • Cmp1 and Cmp3: Disabled
  • Reference for threshold adjustment: 100µA, ±1%
  • Trip threshold error: ±1% (max) at 250mV
  • Open-drain outputs
  • Propagation delay: 280ns (typ)
  • High CMTI: 15V/ns (min)
  • Safety-related certifications:
    • 7000VPK reinforced isolation per DIN EN IEC 60747-17 (VDE 0884-17)
    • 5000VRMS isolation for 1 minute per UL1577
  • Fully specified over the extended industrial temperature range: –40°C to +125°C

Description

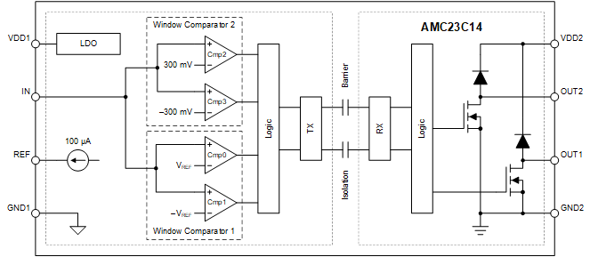
The AMC23C14 is a dual, isolated window comparator with a short response time. The open-drain outputs are separated from the input circuitry by an isolation barrier that is highly resistant to magnetic interference. This barrier is certified to provide reinforced galvanic isolation of up to 5kVRMS according to VDE 0884-17 and UL1577, and supports a working voltage of up to 1kVRMS.

Both comparators have windows centered at 0V, meaning that the comparators trip if the input exceeds the thresholds in a positive or negative direction. One comparator has fixed thresholds of ±300mV. The second comparator has adjustable thresholds from ±20mV to ±300mV through a single external resistor.

The AMC23C14 also supports a positive-comparator only mode. When the voltage on the REF pin is greater than 550mV, the negative comparators are disabled and only the positive comparators are functional. The reference voltage in this mode ranges as high as 2.7V. This mode is particularly useful for monitoring positive voltage supplies.

The AMC23C14 is available in an 8-pin, wide-body SOIC package and is specified over the extended industrial temperature range of –40°C to +125°C.

The AMC23C14 is a dual, isolated window comparator with a short response time. The open-drain outputs are separated from the input circuitry by an isolation barrier that is highly resistant to magnetic interference. This barrier is certified to provide reinforced galvanic isolation of up to 5kVRMS according to VDE 0884-17 and UL1577, and supports a working voltage of up to 1kVRMS.

Both comparators have windows centered at 0V, meaning that the comparators trip if the input exceeds the thresholds in a positive or negative direction. One comparator has fixed thresholds of ±300mV. The second comparator has adjustable thresholds from ±20mV to ±300mV through a single external resistor.

The AMC23C14 also supports a positive-comparator only mode. When the voltage on the REF pin is greater than 550mV, the negative comparators are disabled and only the positive comparators are functional. The reference voltage in this mode ranges as high as 2.7V. This mode is particularly useful for monitoring positive voltage supplies.

The AMC23C14 is available in an 8-pin, wide-body SOIC package and is specified over the extended industrial temperature range of –40°C to +125°C.

Subscribe to Welllinkchips !
Your Name
* Email
Submit a request