0
AM26LV32E
  • AM26LV32E
  • AM26LV32E
  • AM26LV32E
  • AM26LV32E
  • AM26LV32E
  • AM26LV32E

AM26LV32E

ACTIVE

Low-Voltage High-Speed Quadruple Differential Line Receiver With +/-15-kV IEC ESD

Texas Instruments AM26LV32E Product Info

1 April 2026 1

Parameters

Number of receivers

4

Number of transmitters

0

Duplex

Half

Supply voltage (nom) (V)

3.3

Signaling rate (max) (Mbps)

32

IEC 61000-4-2 contact (±V)

8000

Fault protection (V)

-14 to 14

Common-mode range (V)

-7 to 7

Number of nodes

32

Features

IEC ESD protection

Isolated

No

Supply current (max) (µA)

17000

Rating

Catalog

Operating temperature range (°C)

-40 to 85

Package

SOIC (D)-16-59.4 mm² 9.9 x 6

Features

  • Meets or exceeds standard TIA/EIA-422-B and ITU recommendation V.11
  • Operates from a single 3.3-V power supply
  • Switching rates up to 32 MHz
  • ESD Protection for RS422 bus pins (See ESD Ratings)
  • Low power dissipation: 27 mW typical
  • Open circuit fail-safe
  • ±7-V Common-mode input voltage range with ±200-mV sensitivity
  • Accepts 5-V logic inputs with 3.3-V supply (enable inputs)
  • Input hysteresis: 35 mV typical
  • Pin-to-pin compatible with AM26C32, AM26LS32
  • I off Supports partial-power-down mode operation
  • Meets or exceeds standard TIA/EIA-422-B and ITU recommendation V.11
  • Operates from a single 3.3-V power supply
  • Switching rates up to 32 MHz
  • ESD Protection for RS422 bus pins (See ESD Ratings)
  • Low power dissipation: 27 mW typical
  • Open circuit fail-safe
  • ±7-V Common-mode input voltage range with ±200-mV sensitivity
  • Accepts 5-V logic inputs with 3.3-V supply (enable inputs)
  • Input hysteresis: 35 mV typical
  • Pin-to-pin compatible with AM26C32, AM26LS32
  • I off Supports partial-power-down mode operation

Description

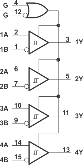
The AM26LV32E device consists of quadruple differential line receivers with 3-state outputs. This device is designed to meet TIA/EIA-422-B and ITU recommendation V.11 drivers with reduced supply voltage. The device is optimized for balanced bus transmission at switching rates up to 32 MHz. The 3-state outputs permit connection directly to a bus-organized system. The AM26LV32E has an internal fail-safe circuitry that prevents the device from putting an unknown voltage signal at the receiver outputs. In the open fail-safe, a high state is produced at the respective output. This device is supported for partial-power-down applications using I off. I off circuitry disables the outputs, preventing damaging current back-flow through the device when it is powered down.

The AM26LV32E device consists of quadruple differential line receivers with 3-state outputs. This device is designed to meet TIA/EIA-422-B and ITU recommendation V.11 drivers with reduced supply voltage. The device is optimized for balanced bus transmission at switching rates up to 32 MHz. The 3-state outputs permit connection directly to a bus-organized system. The AM26LV32E has an internal fail-safe circuitry that prevents the device from putting an unknown voltage signal at the receiver outputs. In the open fail-safe, a high state is produced at the respective output. This device is supported for partial-power-down applications using I off. I off circuitry disables the outputs, preventing damaging current back-flow through the device when it is powered down.

Subscribe to Welllinkchips !
Your Name
* Email
Submit a request