0
ADS4449
  • ADS4449
  • ADS4449

ADS4449

ACTIVE

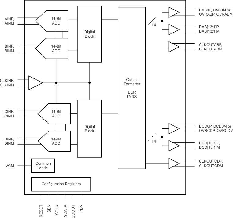
Quad-Channel, 14-Bit, 250-MSPS Analog-to-Digital Converter (ADC)

Texas Instruments ADS4449 Product Info

1 April 2026 1

Parameters

Sample rate (max) (Msps)

250

Resolution (Bits)

14

Number of input channels

4

Interface type

DDR LVDS

Analog input BW (MHz)

500

Features

High Performance

Rating

Catalog

Peak-to-peak input voltage range (V)

2

Power consumption (typ) (mW)

1470

Architecture

Pipeline

SNR (dB)

71.1

ENOB (Bits)

11.5

SFDR (dB)

87

Operating temperature range (°C)

-40 to 85

Input buffer

No

Package

NFBGA (ZCR)-144-100 mm² 10 x 10

Features

  • Quad Channel
  • 14-Bit Resolution
  • Maximum Sampling Data Rate: 250 MSPS
  • Power Dissipation:
    • 365 mW per Channel
  • Spectral Performance at 170-MHz IF (typ):
    • SNR: 69 dBFS
    • SFDR: 86 dBc
  • DDR LVDS Digital Output Interface
  • Internal Dither
  • Package: 144-Terminal NFBGA (10.00 mm × 10.00 mm)
  • Quad Channel
  • 14-Bit Resolution
  • Maximum Sampling Data Rate: 250 MSPS
  • Power Dissipation:
    • 365 mW per Channel
  • Spectral Performance at 170-MHz IF (typ):
    • SNR: 69 dBFS
    • SFDR: 86 dBc
  • DDR LVDS Digital Output Interface
  • Internal Dither
  • Package: 144-Terminal NFBGA (10.00 mm × 10.00 mm)

Description

The ADS4449 is a high-linearity, quad-channel, 14-bit, 250-MSPS, analog-to-digital converter (ADC). Designed for low power consumption and high spurious-free dynamic range (SFDR), the device has low-noise performance and outstanding SFDR over a large input frequency range.

spacer

spacer

The ADS4449 is a high-linearity, quad-channel, 14-bit, 250-MSPS, analog-to-digital converter (ADC). Designed for low power consumption and high spurious-free dynamic range (SFDR), the device has low-noise performance and outstanding SFDR over a large input frequency range.

spacer

spacer

Subscribe to Welllinkchips !
Your Name
* Email
Submit a request