0
ADC32RF54
  • ADC32RF54
  • ADC32RF54
  • ADC32RF54

ADC32RF54

ACTIVE

Dual-channel 14-bit 2.6-GSPS RF-sampling ADC with low noise spectral density (NSD)

Texas Instruments ADC32RF54 Product Info

1 April 2026 0

Parameters

Sample rate (max) (Msps)

2600

Resolution (Bits)

14

Number of input channels

2

Interface type

JESD204B

Analog input BW (MHz)

2300

Features

High Dynamic Range, High Performance, Ultra High Speed

Rating

Catalog

Peak-to-peak input voltage range (V)

1.1

Power consumption (typ) (mW)

3400

SNR (dB)

65.5

ENOB (Bits)

10.5

SFDR (dB)

75

Operating temperature range (°C)

-40 to 85

Input buffer

Yes

Package

VQFNP (RTD)-64-81 mm² 9 x 9

Features

  • 14-Bit, dual channel 2.6 to 3-GSPS ADC
  • Noise spectral density:
    • NSD = -155.6 dBFS/Hz (no AVG)
    • NSD = -158.1 dBFS/Hz (2x AVG)
    • NSD = -160.4 dBFS/Hz (4x AVG)
  • Single core (non-interleaved) ADC architecture
  • Aperture jitter: 50 fs
  • Low close-in residual phase noise:
    • -127 dBc/Hz at 10 kHz offset
  • Spectral performance (f IN = 1 GHz, -4 dBFS):
    • 2x internal averaging
    • SNR: 62.3 dBFS
    • SFDR HD2,3: 63 dBc
    • SFDR worst spur: 85 dBFS
  • Spectral performance (f IN = 1.8 GHz, -4 dBFS):
    • 2x internal averaging
    • SNR: 63 dBFS
    • SFDR HD2,3: 68 dBc
    • SFDR worst spur: 86 dBFS
  • Input fullscale: 1.1 to 1.35 Vpp (2 to 3.5 dBm)
  • Code error rate (CER): 10 -15
  • Full power input bandwidth (-3 dB): 2.75 GHz
  • JESD204B serial data interface
    • Maximum lane rate: 13 Gbps
    • Supports subclass 1 deterministic latency
  • Digital down-converters
    • Up to four DDC per ADC channel
    • Complex output: 4x to 128x decimation
    • 48-bit NCO phase coherent frequency hopping
    • Fast frequency hopping: < 1 us
  • Power consumption: 2.6 W/channel (2x AVG)
  • Power supplies: 1.8 V, 1.2 V
  • 14-Bit, dual channel 2.6 to 3-GSPS ADC
  • Noise spectral density:
    • NSD = -155.6 dBFS/Hz (no AVG)
    • NSD = -158.1 dBFS/Hz (2x AVG)
    • NSD = -160.4 dBFS/Hz (4x AVG)
  • Single core (non-interleaved) ADC architecture
  • Aperture jitter: 50 fs
  • Low close-in residual phase noise:
    • -127 dBc/Hz at 10 kHz offset
  • Spectral performance (f IN = 1 GHz, -4 dBFS):
    • 2x internal averaging
    • SNR: 62.3 dBFS
    • SFDR HD2,3: 63 dBc
    • SFDR worst spur: 85 dBFS
  • Spectral performance (f IN = 1.8 GHz, -4 dBFS):
    • 2x internal averaging
    • SNR: 63 dBFS
    • SFDR HD2,3: 68 dBc
    • SFDR worst spur: 86 dBFS
  • Input fullscale: 1.1 to 1.35 Vpp (2 to 3.5 dBm)
  • Code error rate (CER): 10 -15
  • Full power input bandwidth (-3 dB): 2.75 GHz
  • JESD204B serial data interface
    • Maximum lane rate: 13 Gbps
    • Supports subclass 1 deterministic latency
  • Digital down-converters
    • Up to four DDC per ADC channel
    • Complex output: 4x to 128x decimation
    • 48-bit NCO phase coherent frequency hopping
    • Fast frequency hopping: < 1 us
  • Power consumption: 2.6 W/channel (2x AVG)
  • Power supplies: 1.8 V, 1.2 V

Description

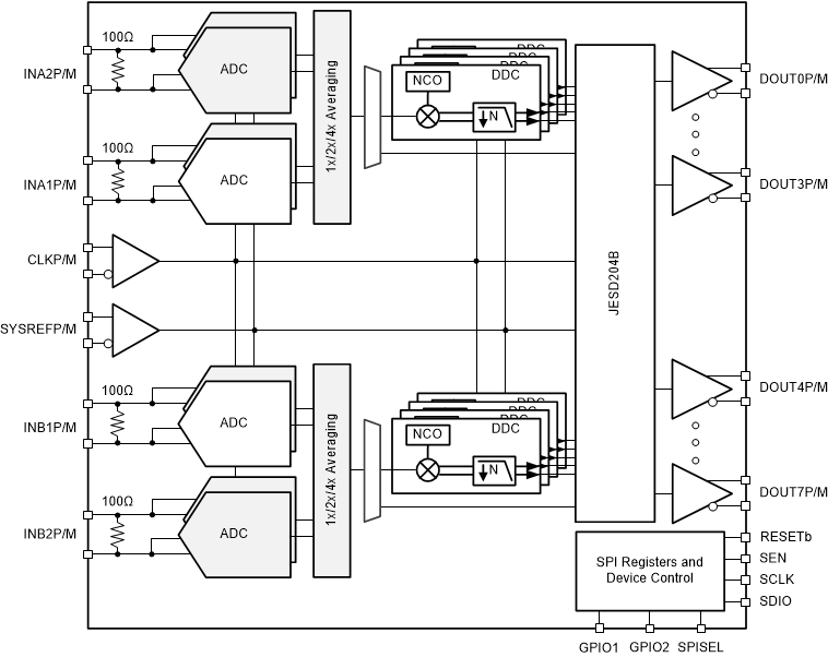
The ADC32RF5x is a single core 14-bit, 2.6 GSPS to 3 GSPS, dual channel analog to digital converters (ADC) that supports RF sampling with input frequencies up to 3 GHz. The design maximizes signal-to-noise ratio (SNR) and delivers a noise spectral density of -155 dBFS/Hz. Using additional internal ADCs along with on-chip signal averaging, the noise density improves to -161 dBFS/Hz.

Each ADC channel can be connected to a quad-band digital down-converter (DDC) using a 48-bit NCO which supports phase coherent frequency hopping. Using the GPIO pins for NCO frequency control, frequency hopping can be achieved in less than 1 µs.

The ADC32RF54 and ADC32RF55 supports the JESD204B serial data interface with subclass 1 deterministic latency using data rates up to 13 Gbps.

The power efficient ADC architecture consumes 2.1 W/ch at 3 Gsps and provides power scaling with lower sampling rates.

The ADC32RF5x is a single core 14-bit, 2.6 GSPS to 3 GSPS, dual channel analog to digital converters (ADC) that supports RF sampling with input frequencies up to 3 GHz. The design maximizes signal-to-noise ratio (SNR) and delivers a noise spectral density of -155 dBFS/Hz. Using additional internal ADCs along with on-chip signal averaging, the noise density improves to -161 dBFS/Hz.

Each ADC channel can be connected to a quad-band digital down-converter (DDC) using a 48-bit NCO which supports phase coherent frequency hopping. Using the GPIO pins for NCO frequency control, frequency hopping can be achieved in less than 1 µs.

The ADC32RF54 and ADC32RF55 supports the JESD204B serial data interface with subclass 1 deterministic latency using data rates up to 13 Gbps.

The power efficient ADC architecture consumes 2.1 W/ch at 3 Gsps and provides power scaling with lower sampling rates.

Subscribe to Welllinkchips !
Your Name
* Email
Submit a request