0
ADC14L040
  • ADC14L040
  • ADC14L040
  • ADC14L040

ADC14L040

ACTIVE

14-Bit, 40-MSPS Analog-to-Digital Converter (ADC) Key Specifications Key Specifications

Texas Instruments ADC14L040 Product Info

1 April 2026 0

Parameters

Sample rate (max) (Msps)

40

Resolution (Bits)

14

Number of input channels

1

Interface type

Parallel CMOS, TTL

Analog input BW (MHz)

150

Features

Low Power

Rating

Catalog

Peak-to-peak input voltage range (V)

2

Power consumption (typ) (mW)

235

Architecture

Pipeline

SNR (dB)

74

ENOB (Bits)

12

SFDR (dB)

90

Operating temperature range (°C)

-40 to 85

Input buffer

No

Package

LQFP (NEY)-32-81 mm² 9 x 9

Features

  • Single +3.3V Supply Operation
  • Internal Sample-and-Hold
  • Internal Reference
  • Outputs 2.4V to 3.6V Compatible
  • Duty Cycle Stabilizer
  • Power Down Mode

Key Specifications

  • Resolution 14 Bits
  • DNL ±0.5 LSB (typ)
  • SNR (fIN = 10 MHz) 74 dB (typ)
  • SFDR (fIN = 10 MHz) 90 dB (typ)
  • Data Latency 7 Clock Cycles
  • Power Consumption
    • Operating 235 mW (typ)
    • Power Down Mode 15 mW (typ)

All trademarks are the property of their respective owners.

  • Single +3.3V Supply Operation
  • Internal Sample-and-Hold
  • Internal Reference
  • Outputs 2.4V to 3.6V Compatible
  • Duty Cycle Stabilizer
  • Power Down Mode

Key Specifications

  • Resolution 14 Bits
  • DNL ±0.5 LSB (typ)
  • SNR (fIN = 10 MHz) 74 dB (typ)
  • SFDR (fIN = 10 MHz) 90 dB (typ)
  • Data Latency 7 Clock Cycles
  • Power Consumption
    • Operating 235 mW (typ)
    • Power Down Mode 15 mW (typ)

All trademarks are the property of their respective owners.

Description

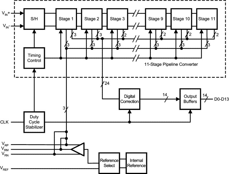
The ADC14L040 is a low power monolithic CMOS analog-to-digital converter capable of converting analog input signals into 14-bit digital words at 40 Megasamples per second (MSPS). This converter uses a differential, pipeline architecture with digital error correction and an on-chip sample-and-hold circuit to minimize power consumption while providing excellent dynamic performance and a 150 MHz Full Power Bandwidth. Operating on a single +3.3V power supply, the ADC14L040 achieves 11.9 effective bits at nyquist and consumes just 235 mW at 40 MSPS . The Power Down feature reduces power consumption to 15 mW.

The differential inputs provide a full scale differential input swing equal to 2 times VREF with the possibility of a single-ended input. Full use of the differential input is recommended for optimum performance. Duty cycle stabilization and output data format are selectable using a quad state function pin. The output data can be set for offset binary or two's complement.

To ease interfacing to lower voltage systems, the digital output driver power pins of the ADC14L040 can be connected to a separate supply voltage in the range of 2.4V to the analog supply voltage.

This device is available in the 32-lead LQFP package and will operate over the industrial temperature range of −40°C to +85°C. An evaluation board is available to ease the evaluation process.

The ADC14L040 is a low power monolithic CMOS analog-to-digital converter capable of converting analog input signals into 14-bit digital words at 40 Megasamples per second (MSPS). This converter uses a differential, pipeline architecture with digital error correction and an on-chip sample-and-hold circuit to minimize power consumption while providing excellent dynamic performance and a 150 MHz Full Power Bandwidth. Operating on a single +3.3V power supply, the ADC14L040 achieves 11.9 effective bits at nyquist and consumes just 235 mW at 40 MSPS . The Power Down feature reduces power consumption to 15 mW.

The differential inputs provide a full scale differential input swing equal to 2 times VREF with the possibility of a single-ended input. Full use of the differential input is recommended for optimum performance. Duty cycle stabilization and output data format are selectable using a quad state function pin. The output data can be set for offset binary or two's complement.

To ease interfacing to lower voltage systems, the digital output driver power pins of the ADC14L040 can be connected to a separate supply voltage in the range of 2.4V to the analog supply voltage.

This device is available in the 32-lead LQFP package and will operate over the industrial temperature range of −40°C to +85°C. An evaluation board is available to ease the evaluation process.

Subscribe to Welllinkchips !
Your Name
* Email
Submit a request