0
MX7537
  • MX7537

MX7537

PRODUCTION

CMOS, Parallel Loading, Dual, 12-Bit Multiplying DAC

Analog Devices MX7537 Product Info

10 February 2026 11

Features

  • Two 12-Bit DACs in One Package
  • 0.5% DAC-to-DAC Matching
  • Narrow 0.3" DIP, Wide SO, and PLCC Packages
  • 4-Quadrant Multiplication
  • Low INL and DNL (±1/2 LSB max)
  • Gain Accuracy to ±1 LSB Max
  • Low Gain Tempco (±5 ppm/°C max)
  • Operates with Single +12V to +15V Supply
  • Fast Microprocessor Interface

Part details & applications

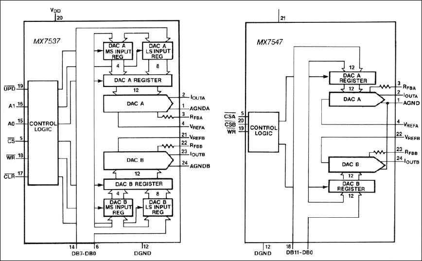
The Maxim MX7537/MX7547 contain two 12-bit current-output multiplying digital-to-analog converters (DAC) in a single package. Input level shifters, data registers and control logic make microprocessor interfacing straight forward. Operation is from a single +12V to +15V power supply maintaining TTL, 74HC and 5V CMOS logic compatibility. The MX7547 accepts active-low CSA, active-low CSB, active-low WR control signals and 12 data inputs for DAC selection and full parallel data loading. The MX7537 receives data in 2 bytes, using a right justified 8+4 format. A0, A1, active-low CS, active-low WR and UPD signals provide full control for DAC selection and data loading.

Each of the DACs in the MX7537/MX7547 provides 4-quadrant multiplication capabilities and separate reference input and feedback resistor pins. The MX7537 additionally makes available separate AGND pins for applications where each DAC is biased at a difference voltage. Since both DACs are on a single monolithic chip, matching and temperature tracking between them is excellent. Gain error is specified at less than ±1 LSB, and 12-bit linearity and monotonicity are guaranteed over the full operating temperature ranges. Maxim's MX7537 and MX7547 are available in narrow 24-lead 0.3" DIP and Wide SO, as well as, 28-pin-lead PLCC packages.

Applications

  • Audio Gain Control
  • Automatic Test Equipment
  • Digitally Controlled Filters
  • Motion Control Systems
  • Process Control
  • Synchro Applications

Subscribe to Welllinkchips !
Your Name
* Email
Submit a request