0
MAX5595
  • MAX5595

MAX5595

PRODUCTION

Buffered, Fast-Settling, Octal, 12/10/8-Bit, Voltage-Output DACs Buffered, Fast-Settling, Octal, 12-/10-/8-Bit, Voltage-Output DACs Provide Excellent Static Accuracy

Analog Devices MAX5595 Product Info

10 February 2026 7

Features

  • Octal, 12/10/8-Bit Serial DACs in TSSOP Packages
  • 3µs (max) 12-Bit Settling Time to 1/2 LSB
  • Integral Nonlinearity:
    • 1 LSB (max) MAX5590/MAX5591 A-Grade (12-Bit)
    • 1 LSB (max) MAX5592/MAX5593 (10-Bit)
    • 1/2 LSB (max) MAX5594/MAX5595 (8-Bit)
  • Guaranteed Monotonic, ±1 LSB (max) DNL
  • Two User-Programmable Digital I/O Ports
  • Single +2.7V to +5.25V Analog Supply
  • +1.8V to AVDD Digital Supply
  • 20MHz, 3-Wire, SPI-/QSPI-/MICROWIRE-/DSP-Compatible Serial Interface
  • Glitch-Free Outputs Power Up to Zero Scale, Midscale, or Full Scale Controlled by PU Pin
  • Unity-Gain or Force-Sense-Configured Output Buffers

Part details & applications

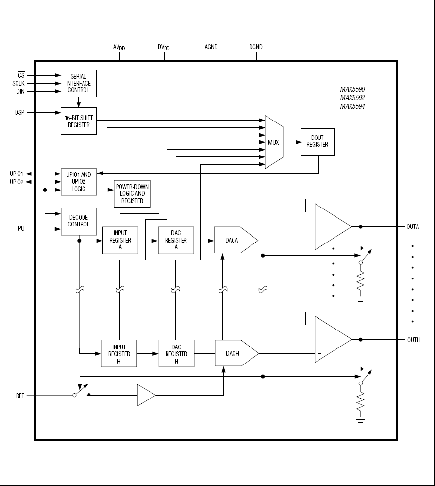
The MAX5590–MAX5595 octal, 12/10/8-bit, voltage-output digital-to-analog converters (DACs) offer buffered outputs and a 3µs maximum settling time at the 12-bit level. The DACs operate from a +2.7V to +5.25V analog supply and a separate +1.8V to +5.25V digital supply. The 20MHz 3-wire serial interface is compatible with SPI™, QSPI™, MICROWIRE™, and digital signal processor (DSP) protocol applications. Multiple devices can share a common serial interface in direct-access or daisy-chained configuration. The MAX5590–MAX5595 provide two multifunction, user-programmable, digital I/O ports. The externally selectable power-up states of the DAC outputs are either zero scale, midscale, or full scale. Software-selectable FAST and SLOW settling modes decrease settling time in FAST mode, or reduce supply current in SLOW mode.

The MAX5590/MAX5591 are 12-bit DACs, the MAX5592/MAX5593 are 10-bit DACs, and the MAX5594/MAX5595 are 8-bit DACs. The MAX5590/MAX5592/MAX5594 provide unity-gain-configured output buffers, while the MAX5591/MAX5593/MAX5595 provide force-sense-configured output buffers. The MAX5590–MAX5595 are specified over the extended -40°C to +85°C temperature range, and are available in space-saving 24-pin and 28-pin TSSOP packages.

Applications

  • Automated Test Equipment (ATE)
  • Automatic Tuning
  • Digital Offset and Gain Adjustments
  • Fast Parallel DAC to Serial DAC Upgrades
  • Industrial Process Controls
  • Microprocessor (µP)-Controlled Systems
  • Motion Control
  • Portable Instrumentation
  • Power Amplifier Control
  • Programmable Attenuators
  • Programmable Voltage and Current Sources

Subscribe to Welllinkchips !
Your Name
* Email
Submit a request