0
MAX5309
  • MAX5309

MAX5309

PRODUCTION

Low-Power, Low-Glitch, Octal 10-Bit Voltage-Output DACs with Serial Interface

Analog Devices MAX5309 Product Info

10 February 2026 9

Features

  • Eight Highly Integrated 10-Bit DACs in 16-Pin TSSOP (6.4mm x 5mm) Package
  • Ultra-Low Glitch Energy < 2nV-s
  • Low Total Supply Current:
    • 1.7mA (max) with VREF = VDD = +5.5V
  • +2.7V to +5.5V Wide Single-Supply Range
  • Fast 5µs Settling Time
  • Software-Selectable Shutdown Mode < 1µA
  • 15MHz 3-Wire SPI, QSPI, and MICROWIRE- Compatible Serial Interface
  • Power-Up Reset to Zero Scale

Part details & applications

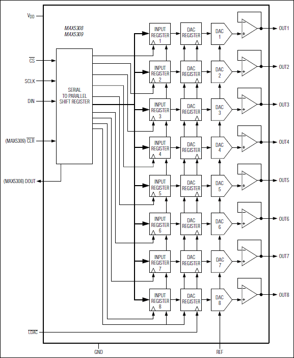
The MAX5308/MAX5309 are 10-bit, eight channel, low-power, voltage-output, digital-to-analog converters (DACs) in a space-saving 16-pin TSSOP package. The wide +2.7V to +5.5V supply voltage range and less than 215µA (max) supply current per DAC are excellent for low-power and low-voltage applications. The low 2nV-s glitch energy of the MAX5308/MAX5309 makes them ideal for digital control of fast-response, closed-loop systems.

The MAX5308 has a digital output (DOUT) that can be used for daisy-chaining multiple devices. The MAX5309 has a hardware reset input (active-low CLR) which clears all registers and DACs to zero. The MAX5308/MAX5309 have a software shutdown feature that reduces the supply current to 1µA. The MAX5308/MAX5309 feature a load DAC (active-low LDAC) function that updates the output of all eight DACs simultaneously.

The 3-wire SPI™, QSPI™, MICROWIRE™ and DSP-compatible serial interface allows the input and DAC registers to be updated independently or simultaneously with a single software command. These devices use a double-buffered design to minimize the digital-noise feedthrough from the digital inputs to the outputs. The MAX5308/MAX5309 operating temperature range is from -40°C to +85°C.

Applications

  • Control of Optical Components
  • Gain and Offset Adjustment
  • Portable Instrumentation Equipment
  • Power Amplifier Control
  • Process-Control I/O Boards

Subscribe to Welllinkchips !
Your Name
* Email
Submit a request