0
MAX9972
  • MAX9972

MAX9972

PRODUCTION

Quad, Ultra-Low-Power, 300Mbps ATE Drivers/Comparators Low Cost, Low-Power ATE Pin Electronics for Memory, Burn-In, and Structural Automated Test Equipment

Analog Devices MAX9972 Product Info

10 February 2026 6

Features

  • Small Footprint—Four Channels in 0.3in²
  • Low-Power Dissipation: 325mW/Channel (typ)
  • High Speed: 300Mbps at 3VP-P
  • -2.2V to +5.2V Operating Range
  • Active Termination (3rd-Level Drive)
  • Integrated PMU Switches
  • Passive Load
  • Low-Leak Mode: 20nA (max)
  • Low Gain and Offset Error

Part details & applications

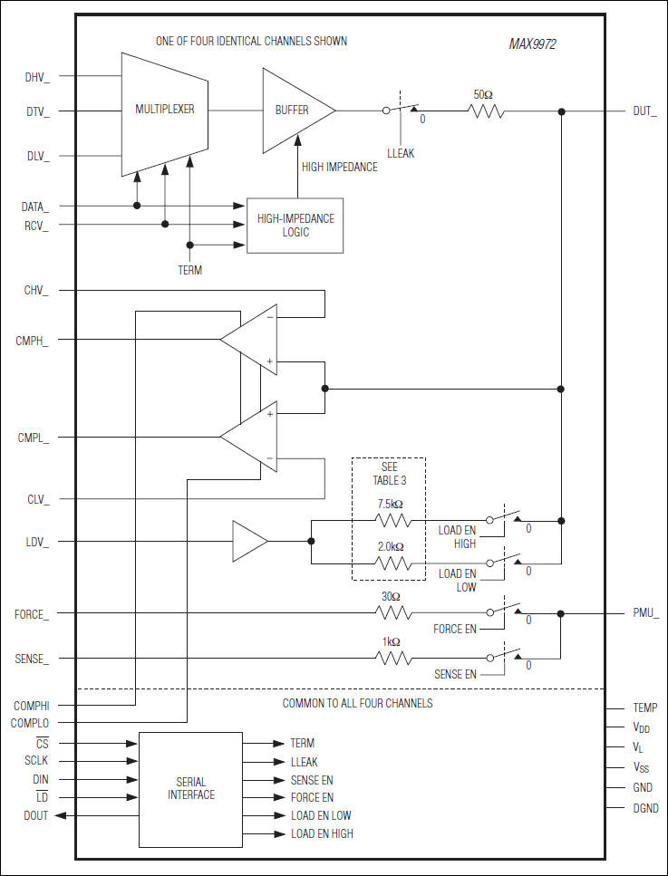
The MAX9972 four-channel, ultra-low-power, pin-electronics IC includes, for each channel, a three-level pin driver, a window comparator, a passive load, and force-and-sense Kelvin-switched parametric measurement unit (PMU) connections. The driver features a -2.2V to +5.2V voltage range, includes high-impedance and active-termination (3rd-level drive) modes, and is highly linear even at low voltage swings. The window comparator features 500MHz equivalent input bandwidth and programmable output voltage levels. The passive load provides pullup and pulldown voltages to the device-under-test (DUT).

Low-leakage, high-impedance, and terminate controls are operational configurations that are programmed through a 3-wire, low-voltage, CMOS-compatible serial interface. High-speed PMU switching is realized through dedicated digital control inputs.

This device is available in an 80-pin, 12mm x 12mm body, 0.50mm pitch TQFP with an exposed 6mm x 6mm die pad on the bottom of the package for efficient heat removal. The MAX9972 is specified to operate over the 0°C to +70°C commercial temperature range, and features a die temperature monitor output.

Applications

  • Active Burn-In Systems
  • DRAM Probe Testers
  • Low-Cost Mixed-Signal/System-on-Chip (SoC) Testers
  • NAND Flash Testers
  • Structural Testers

Subscribe to Welllinkchips !
Your Name
* Email
Submit a request