0
MAX9668
  • MAX9668

MAX9668

LAST TIME BUY

10-Bit Programmable Gamma Reference System with MTP for TFT LCDs Delivers 8 Channels of 10-Bit Gamma Correction for LCD TVs and Integrates NV Memory for Lowest Cost

Analog Devices MAX9668 Product Info

10 February 2026 11

Features

  • 8-Channel Gamma Correction 10-Bit Resolution
  • VCOM Driver
  • Integrated MTP Memory
  • Programmable VCOM Limits
  • 1µs Settling Time
  • 20V Maximum Analog Supply Voltage
  • 200mA Peak Current on Gamma Channels
  • 600mA Peak Current on VCOM Channel

Part details & applications

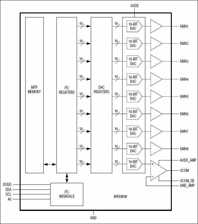
The MAX9668 outputs eight voltage references for gamma correction in TFT LCDs and one voltage reference for VCOM. Each gamma reference voltage has its own 10-bit digital-to-analog converter (DAC) and buffer to ensure a stable voltage. The VCOM reference voltage has its own 10-bit DAC and an amplifier to ensure a stable voltage when critical levels and patterns are displayed. The MAX9668 features integrated multiple-time programmable (MTP) memory to store gamma and VCOM values on the chip, eliminating the need for external EEPROM. The MAX9668 supports up to 100 write operations to the on-chip nonvolatile memory.

The gamma outputs can drive 200mA peak transient current and settle within 1µs. The VCOM output can provide 600mA peak transient current and also settles within 1µs. The analog supply voltage range extends from 9V to 20V, and the digital supply voltage range extends from 2.7V to 3.6V.

Gamma values and the VCOM value are programmed into registers through the I²C interface.

Applications

  • TFT LCDs

Subscribe to Welllinkchips !
Your Name
* Email
Submit a request