0
ADH347S
  • ADH347S
  • ADH347S
  • ADH347S

ADH347S

PRODUCTION

Aerospace, SPDT Switch, Non-Reflective, DC to 8 GHz (G8 Pkg), DC to 14 GHz (LH5 Pkg), and DC to 20 GHz (Die)

Analog Devices ADH347S Product Info

10 February 2026 17

Features

ADH347S (Die)
  • Broadband Frequency Range: DC to 20 GHz
  • Non-reflective, 50 Ω design
  • Low Insertion Loss: 2.2 dB Max @ 20 GHz
  • High Isolation: 40 dB Min @ 20 GHz
  • High Input Linearity:
    • Input P1dB: 23 dBm Typ.
    • Input IP3: 43 dBm Typ.
  • Screened in accordance with MIL-PRF-38534, Class K
ADH347S (G8 Package)
  • Broadband Frequency Range: DC to 8 GHz
  • Non-reflective, 50 Ω design
  • Low Insertion Loss: 2 dB @ 6 GHz
  • High Isolation:
    • 42 dB @ 2.5 GHz
    • 30 dB @ 6 GHz
  • High Input Linearity:
    • Input P1dB: 23 dBm Typ.
    • Input IP3: 43 dBm Typ.
  • 8-Lead Hermetic SMT Package
  • Screened in accordance with MIL-PRF-38535, Class Level S
ADH347S (LH5 Package)
  • Broadband Frequency Range: DC to 14 GHz
  • Non-reflective, 50 Ω design
  • Low Insertion Loss: 3 dB Max @ 14 GHz
  • High Input Linearity:
    • 42 dB @ 2.5 GHz
    • 30 dB @ 6 GHz
  • High Input Linearity:
    • Input P1dB: 23 dBm Typ.
    • Input IP3: 43 dBm Typ.
  • 12-Lead Hermetic SMT Package
  • Screened in accordance with MIL-PRF-38535, Class Level S

Part details & applications

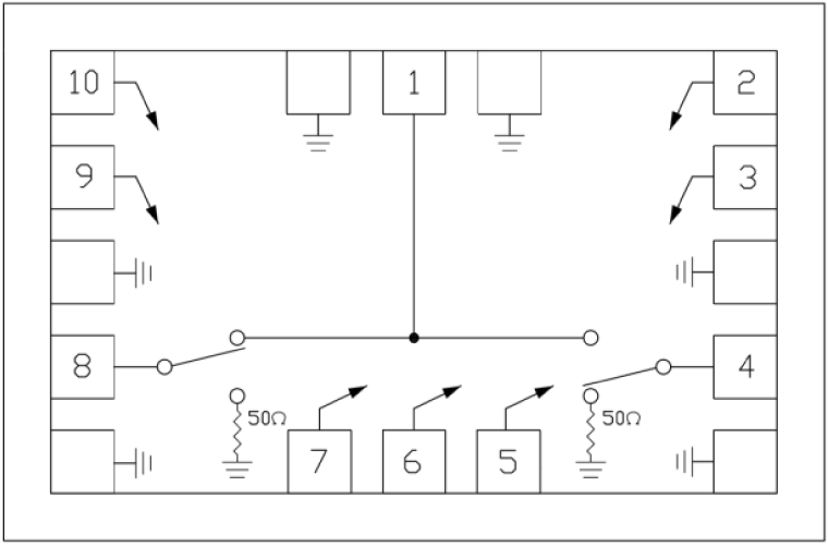
The ADH347S is a broadband, nonreflective gallium arsenide (GaAs) Covering DC to 20 GHz, in the die solution, DC to 8 GHz in the G8 package solution, and DC to 14 GHz in the LH5 package solution. The switch offers high isolation and low insertion loss due to the implementation of on-chip via hole structures. The switch operates using complementary negative control voltage logic lines of -5/0V and requires no bias supply.

APPLICATIONS

  • Communications
  • Instrumentation
  • Military & Space

Subscribe to Welllinkchips !
Your Name
* Email
Submit a request