0
MAX8729
  • MAX8729

MAX8729

NOT RECOMMENDED FOR NEW DESIGNS

Constant-Frequency, Half-Bridge CCFL Inverter Controller

Analog Devices MAX8729 Product Info

10 February 2026 7

Features

  • Low-Cost, Half-Bridge Inverter Topology
  • Resonant Mode Striking Ensures Startup
  • Constant-Frequency Operation After Lamp Ignition
  • Drives Large External MOSFETs
  • Supports Multilamp Applications
  • Sync and Phase-Shift Controls Allow Daisy-Chained Operation
  • Adjustable Switching Frequency and DPWM Frequency
  • ±2.5% Lamp-Current Regulation
  • 10:1 Dimming Range
  • Accurate Analog-Dimming Control
  • Lamp-Out Detection with Adjustable Timeout
  • Secondary Current and Voltage Limiting
  • Primary Current Limit with RDS(ON) Sensing
  • Adjustable DPWM Rise and Fall Time
  • Low-Cost, 28-Pin QSOP Package

Part details & applications

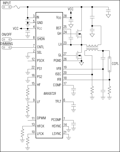
The MAX8729 cold-cathode-fluorescent lamp (CCFL) inverter controller is designed to drive multiple CCFLs using the half-bridge inverter consisting of two external n-channel power MOSFETs. The half-bridge topology minimizes the component count, while providing near sinusoidal drive waveforms. The MAX8729 operates in resonant mode during striking and switches over to constant- frequency operation after all the lamps are lit. This unique feature ensures reliable striking under all conditions and reduces the transformer stress.

The MAX8729 provides accurate lamp-current regulation (±2.5%). The lamp current is adjustable with an external resistor. The MAX8729 changes the brightness by turning the CCFL on and off using a digital pulse-width modulation (DPWM) method, while maintaining the lamp current constant. The brightness can be adjusted with an analog voltage on the CNTL pin, or with an external PWM signal.

The MAX8729 is capable of synchronizing and adjusting the phase of the gate drivers and DPWM oscillator. These features allow multiple MAX8729 ICs to be connected in a daisy-chain configuration. The switching frequency and DPWM frequency of the master IC can be easily adjusted using external resistors, or synchronized with system signals. If the controller loses the external sync signals, it switches over to the internal oscillators and keeps operating. Phase-shift select pins PS1 and PS2 can be used to program four different phase shifts, allowing up to five MAX8729s to be used together.

The MAX8729 protects the inverter from lamp-out, secondary overvoltage, and secondary short-circuit faults. The MAX8729 can drive large-power MOSFETs typically used in applications where one power stage drives four or more CCFL tubes in p

Subscribe to Welllinkchips !
Your Name
* Email
Submit a request